NORMA Oficial Mexicana NOM-213-SCFI-2018, Recipientes portátiles y recipientes transportables sujetos a presión, para contener gas licuado de petróleo. Especificaciones de fabricación, materiales, métodos de prueba e identificación (cancela a la NOM-008-SESH/SCFI-2010).

Al margen un sello con el Escudo Nacional, que dice: Estados Unidos Mexicanos.- SE.- Secretaría de Economía.- Dirección General de Normas.

NORMA OFICIAL MEXICANA NOM-213-SCFI-2018, RECIPIENTES PORTÁTILES Y RECIPIENTES TRANSPORTABLES SUJETOS A PRESIÓN, PARA CONTENER GAS LICUADO DE PETRÓLEO. ESPECIFICACIONES DE FABRICACIÓN, MATERIALES, MÉTODOS DE PRUEBA E IDENTIFICACIÓN (CANCELA A LA NOM-008-SESH/SCFI-2010).
ALFONSO GUATI ROJO SÁNCHEZ, Director General de Normas y Presidente del Comité Consultivo Nacional de Normalización de la Secretaría de Economía (CCONNSE), con fundamento en los artículos 34, fracciones II, XIII y XXXIII de la Ley Orgánica de la Administración Pública Federal; 39, fracción V, 40, fracciones I y II, 47, fracción IV de la Ley Federal sobre Metrología y Normalización, y 22 fracciones I, IV, IX, X y XXV del Reglamento Interior de esta Secretaría, y
CONSIDERANDO
Que con fecha 3 de mayo de 2018, el Comité Consultivo Nacional de Normalización de la Secretaría de Economía, aprobó la publicación del Proyecto de Norma Oficial Mexicana PROY-NOM-213-SCFI-2017, RECIPIENTES PARA CONTENER GAS L.P., TIPO DESMONTABLE. ESPECIFICACIONES Y MÉTODOS DE PRUEBA (CANCELARÁ A LA NOM-008-SESH/SCFI-2010), la cual se realizó en el Diario Oficial de la Federación el 8 de agosto de 2018, con objeto de que los interesados presentaran sus comentarios;
Que durante el plazo de 60 días naturales contados a partir del día siguiente de la fecha de publicación de dicho Proyecto de Norma Oficial Mexicana, el Análisis de Impacto Regulatorio a que se refiere el artículo 45 de la Ley Federal sobre Metrología y Normalización estuvo a disposición del público en general para su consulta; y que dentro del mismo plazo, los interesados presentaron comentarios sobre el contenido del citado Proyecto de Norma Oficial Mexicana, mismos que fueron analizados por el grupo de trabajo, realizándose las modificaciones conducentes a éste;
Que el 27 de noviembre de 2018, el Comité Consultivo Nacional de Normalización de la Secretaría de Economía aprobó la NOM-213-SCFI-2018;
Que la Ley Federal sobre Metrología y Normalización establece que las Normas Oficiales Mexicanas se constituyen como el instrumento idóneo para la protección de los intereses del consumidor, expide la siguiente: Norma Oficial Mexicana NOM-213-SCFI-2018, RECIPIENTES PORTÁTILES Y RECIPIENTES TRANSPORTABLES SUJETOS A PRESIÓN, PARA CONTENER GAS LICUADO DE PETRÓLEO. ESPECIFICACIONES DE FABRICACIÓN, MATERIALES, MÉTODOS DE PRUEBA E IDENTIFICACIÓN (CANCELA A LA NOM-008-SESH/SCFI-2010), SINEC-20181122133548323.
Ciudad de México, a 5 de junio de 2019.- El Director General de Normas y Presidente del Comité Consultivo Nacional de Normalización de la Secretaría de Economía, Alfonso Guati Rojo Sánchez.- Rúbrica.
NORMA OFICIAL MEXICANA NOM-213-SCFI-2018, RECIPIENTES PORTÁTILES Y RECIPIENTES
TRANSPORTABLES SUJETOS A PRESIÓN, PARA CONTENER GAS LICUADO DE PETRÓLEO.
ESPECIFICACIONES DE FABRICACIÓN, MATERIALES, MÉTODOS DE PRUEBA E IDENTIFICACIÓN
(CANCELA A LA NOM-008-SESH/SCFI-2010)
Prefacio
La elaboración de la presente Norma Oficial Mexicana es competencia del Comité Consultivo Nacional de Normalización de la Secretaría de Economía (CCONNSE) integrado por:
·   Secretaría de Economía.
·   Secretaría de Salud.
·   Secretaría del Trabajo y Previsión Social.
 
·   Secretaría de Medio Ambiente y Recursos Naturales.
·   Secretaría de Agricultura y Desarrollo Rural.
·   Secretaría de Comunicaciones y Transportes.
·   Secretaría de Turismo.
·   Secretaría del Bienestar.
·   Secretaría de Gobernación.
·   Secretaría de Energía.
·   Centro Nacional de Metrología.
·   Comisión Federal de Competencia Económica.
·   Procuraduría Federal del Consumidor.
·   Comisión Nacional del Agua.
·   Instituto Mexicano del Transporte.
·   Cámara Nacional de la Industria de Transformación.
·   Confederación de Cámaras Nacionales de Comercio, Servicios y Turismo.
·   Confederación de Cámaras Industriales de los Estados Unidos Mexicanos.
·   Asociación Nacional de Tiendas de Autoservicio y Departamentales.
·   Asociación Nacional de Importadores y Exportadores de la República Mexicana.
·   Cámara Nacional de Comercio de la Ciudad de México.
·   Consejo Nacional Agropecuario.
·   Universidad Nacional Autónoma de México.
·   Instituto Politécnico Nacional.
Con objeto de elaborar la presente Norma Oficial Mexicana, se constituyó un Grupo de Trabajo con la participación voluntaria de los siguientes actores:
·   Administración de Servicio de Gas Licuado de Petróleo
·   Agencia de Seguridad, Energía y Ambiente.
·   A&E Intertrade S. A. de C. V.
·   Asociación de Normalización y Certificación, A. C.
·   Asociación Mexicana de Empresarios Gasolineros, A. C.
·   Asociación Mexicana de Fabricantes de Recipientes a Presión para Gas Licuado de Petróleo, A.C.
·   Cámara Regional del Gas A.C.
·   Comisión Reguladora de Energía.
Con el objeto de dar cumplimiento a los artículos 6, 7, fracciones I, IV, V, IX y XI, 8, fracciones I, II, II, VII, IX, X, XII, XIII, XIV y XV y 78 de la Ley General de Mejora Regulatoria (LGMR), relativos a la mejora regulatoria, simplificación de trámites, servicios y reducción de costos, esta Dirección General de Normas a través de la plataforma Sistema de Normalización y Evaluación de la Conformidad (SINEC), podrá recibir, tramitar y desahogar de manera electrónica los dos trámites siguientes:
 
SE-04-004
Autorización de Trazabilidad hacia Patrones Nacionales o Extranjeros.
SE-04-014
Autorización para la importación de muestras de mercancías sujetas a normas oficiales mexicanas competencia de la Secretaría de Economía.
 
Con lo anterior, se da cumplimiento a los preceptos de simplificación regulatoria.
Índice del contenido
1.     Objetivo y campo de aplicación
2.     Referencias Normativas
3.     Términos, definiciones y términos abreviados
4.     Clasificación
5.     Requisitos generales
6.     Recipientes de acero al carbono y de acero microaleado (Clase I)
7.     Recipientes de acero inoxidable (Clase II)
8.     Recipientes de materiales compuestos (Clase III)
9.     Marcado
10.   Válvula de servicio
11.   Muestreo
12.   Métodos de prueba
13.   Procedimiento para la evaluacn de la conformidad (PEC)
14.   Sanciones
15.   Vigilancia
16. Concordancia con normas internacionales y normas mexicanas
APÉNDICE NORMATIVO 11 COMPOSICIÓN QUÍMICA Y PROPIEDADES MECÁNICAS DE LOS ACEROS INOXIDABLES
APÉNDICE NORMATIVO 22 COMPATIBILIDAD DEL GAS LICUADO DE PETRÓLEO CON OTROS MATERIALES
APÉNDICE NORMATIVO 33 COMPATIBILIDAD DEL GAS LICUADO DE PETRÓLEO CON MATERIALES NO METÁLICOS
17.   Bibliografía
TRANSITORIOS
1. Objetivo y campo de aplicación
Esta Norma Oficial Mexicana establece las especificaciones técnicas mínimas de diseño, de fabricación y de seguridad, así como los métodos de prueba que como mínimo, deben cumplir los recipientes transportables sujetos a presión y los recipientes portátiles para contener Gas Licuado de Petróleo reabastecibles, con capacidad de almacenamiento nominal de hasta 45 kg, que se utilicen en los Estados Unidos Mexicanos para la distribución o expendio al público de dicho petrolífero.
2. Referencias Normativas
Los siguientes documentos normativos vigentes o aquellos que los cancelen, modifiquen o sustituyan son indispensables para la aplicación de esta Norma Oficial Mexicana:
 
2.1 Norma Oficial Mexicana NOM-197-SCFI-2017, Válvula que se utiliza en recipientes transportables para contener gas L.P. Especificaciones y métodos de prueba, fecha de publicación en el Diario Oficial de la Federación el 2018-08-17.
2.2 Norma Mexicana NMX-B-086-1991, Guía para examen radiográfico (cancela a la NOM-B-86-1987), fecha de publicación en el Diario Oficial de la Federación el 1992-01-03.
2.3 Norma Mexicana NMX-B-172-CANACERO-2018, Industria Siderúrgica-Métodos de prueba mecánicos para productos de acero y hierro (cancela a la NMX-B-172-CANACERO-2013), fecha de publicación en el Diario Oficial de la Federación el 2018-11-01.
2.4 Norma Mexicana NMX-B-266-1989, Requisitos generales para lámina laminada en caliente y en frío, de acero al carbono y de acero de baja aleación y alta resistencia (Cancela a la NOM-B-266-1982), fecha de publicación en el Diario Oficial de la Federación el 1989-12-14.
2.5 Norma Mexicana NMX-B-80-1978, Métodos de prueba mecánicos para juntas soldadas, fecha de publicación en el Diario Oficial de la Federación el 1978-12-28 y sus modificaciones.
2.6 Norma Mexicana NMX-X-045-SCFI-2008, Industria del gas-Resistencia a la corrosión de partes metálicas o no metálicas con o sin recubrimiento-Método de prueba, fecha de publicación en el Diario Oficial de la Federación el 2009-06-09.
2.7 Norma Mexicana NMX-X-15-1981, Recipientes sujetos a presión-Comportamiento elástico-Método de prueba. (Esta norma cancela a la NOM-X-15-1964), fecha de publicación en el Diario Oficial de la Federación el 1981-07-13.
2.8 Norma Mexicana NMX-Z-012/1-1987, Muestreo para la inspección por atributos-Parte 1: Información general y aplicaciones. (Esta norma cancela la NOM-Z-12/1-1975 y la NOM-Z-12/4-1977), fecha de publicación en el Diario Oficial de la Federación el 1987-10-28.
2.9 Norma Mexicana NMX-Z-012/2-1987, Muestreo para la inspección por atributos-Parte 2: Métodos de muestreo, tablas y gráficas. (Esta norma cancela la NOM-Z-12/2-1975 y la NOM-Z-12/3-1975), fecha de publicación en el Diario Oficial de la Federación el 1987-10-28.
2.10 Norma Mexicana NMX-Z-012/3-1987, Muestreo para la inspección por atributos-Parte 3: Regla de cálculo para la determinación de planes de muestreo. (Esta norma cancela la NOM-Z-12/5-1980), fecha de publicación en el Diario Oficial de la Federación el 1987-07-31.
2.11 Norma Mexicana DGN-122-1973, Determinación de las propiedades de resistencia a la corrosión de partes metálicas con recubrimientos, empleadas en vehículos automotores-Método de niebla salina, fecha de publicación en el Diario Oficial de la Federación el 1974-01-07.
3. Términos, definiciones y términos abreviados
Para los propósitos de esta Norma Oficial Mexicana, los siguientes términos, definiciones y términos abreviados son aplicables.
3.1 acero inoxidable
Tipo de acero que presenta en su composición química cuando menos 10.50% de cromo (Cr).
3.2 base de sustentación
Aditamento de acero, de un recipiente metálico, que presenta forma cilíndrica rebordeada hacia el interior en su parte inferior, soldado al casquete inferior del recipiente para sostenerlo y posicionarlo verticalmente sobre el nivel de piso terminado.
3.3 casquete
Componente de acero, de un recipiente metálico, utilizado para ser soldado en los extremos de la sección cilíndrica de un recipiente transportable a efecto de darle forma de envase, o en su caso, para conformar directamente el contenedor que esta sujeto a presión.
3.4 contenido neto
 
Cantidad de Gas Licuado de Petróleo pre envasado que contiene un recipiente transportable dispuesto para comercialización, expresada en kg.
3.5 cubierta exterior
Aditamento o capa, de material transparente o pigmentado, que se integra a un recipiente de material compuesto, como elemento de protección, estabilidad y/o maniobrabilidad, o para fines estéticos.
3.6 cuello protector
Aditamento de un recipiente transportable, utilizado para proteger a la válvula de servicio del mismo contra daños causados por impacto, y que se encuentra soldado al casquete superior de un recipiente metálico, o en su caso, forma parte de la cubierta exterior de un recipiente de material compuesto.
3.7 dispositivo de máximo llenado
Elemento de una válvula de servicio, que sirve para indicar la altura del nivel prefijado de Gas Licuado de Petróleo en el interior del recipiente transportable.
3.8 dispositivo de prevencn de sobrellenado (OPD)
Elemento que se integra a una válvula de servicio, el cual permite detener el paso de Gas Licuado de Petróleo a través de dicha válvula durante el llenado del recipiente transportable, una vez que este proceso ha alcanzado un porcentaje de llenado preestablecido.
3.9 elastómero
Material que a temperatura ambiente se puede estirar repetidamente hasta alcanzar, al menos, el doble de su longitud, y que al liberar la tensión vuelve aproximadamente a su longitud original.
3.10 ensayo de certificación de modelo
Método de prueba aplicado específicamente para determinar el otorgamiento o no, de un certificado de producto para un modelo de recipiente transportable, en términos del procedimiento para la evaluación de la conformidad de la presente Norma Oficial Mexicana.
3.11 ensayo de producción
Método de prueba aplicado periódicamente por un fabricante de recipientes transportables, de acuerdo a tamaños de lote, a efecto de monitorear el cumplimiento de las especificaciones contenidas en la presente Norma Oficial Mexicana.
3.12 etiqueta
Cualquier rótulo, marbete, inscripción, imagen u otra materia descriptiva o gráfica, escrita, impresa, estarcida, marcada, grabada en alto o bajo relieve, adherida, sobrepuesta o fijada al producto, a su envase o, cuando no sea posible por las características del producto o su envase, al embalaje.
3.13 fibra (haz)
Filamentos continuos, colocados en forma entretejida que forman parte de un recubrimiento, que tienen por objeto soportar la carga en un recipiente de material compuesto, y que están constituidos a partir de fibras de vidrio, aramida o carbono.
3.14 forro
Envase optativo de un recipiente de material compuesto, metálico o no, diseñado para contener directamente el Gas Licuado de Petróleo y transmitir la presión del hidrocarburo a las fibras.
3.15 forro metálico
Forro fabricado a partir de material metálico.
3.16 forro no metálico
Forro fabricado a partir de material termoplástico, termoestable, o elastómero.
3.17 fuga
 
Escape no controlado de Gas Licuado de Petróleo a la atmósfera.
3.18 gas licuado de petróleo (Gas Licuado de Petróleo)
Aquél que es obtenido de los procesos de refinación del Petróleo y de las plantas procesadoras de Gas Natural, y está compuesto principalmente de butano y propano.
3.19 matriz
Material utilizado para unir y mantener a las fibras del recubrimiento en su lugar.
3.20 medio cople (brida integral)
Pieza metálica, forjada o maquinada de forma circular, integrada en la parte central del casquete superior de un recipiente metálico o en el extremo superior central del recubrimiento o del forro de un recipiente de material compuesto, a efecto de permitir el roscado de la válvula de servicio correspondiente.
3.21 peso bruto
Es la suma del peso de la tara, más el peso del Gas Licuado de Petróleo contenido en el recipiente. En el caso de aquellos recipientes transportables dispuestos para comercialización, es el resultado de la suma de la tara del recipiente más el contenido neto de Gas Licuado de Petróleo
3.22 presión de servicio (presión de diseño)
Presión a la que se diseña un recipiente transportable, para que éste pueda contener Gas Licuado de Petróleo en forma segura durante su uso.
3.23 presión de prueba
Presión a la que deben efectuarse algunas de las pruebas del recipiente transportable, para valorar la integridad y cumplimiento normativo del mismo. Su valor es de 3.33 MPa (34.0 kgf/cm2).
3.24 presión de ruptura
Presión máxima que se alcanza en un recipiente transportable o, en su caso, en el forro del mismo, durante la correspondiente prueba de ruptura.
3.25 recipiente de material compuesto
Tipo de recipiente transportable fabricado con forro metálico, forro no metálico o sin forro, constituido por un recubrimiento de elementos compuestos devanados, y protegido por una cubierta exterior.
3.26 recipiente metálico
Tipo de recipiente transportable construido a partir de acero al carbono o de acero microaleado o acero inoxidable.
3.27 recipiente portátil
El envase utilizado para la Distribución o Expendio al Público de Gas Licuado de Petróleo, cuyas características de seguridad, peso y dimensiones, permiten que pueda ser manejado manualmente por Usuarios Finales en términos de las normas oficiales mexicanas.
3.28 recipiente transportable sujeto a presión
Envase utilizado para contener Gas Licuado de Petróleo, que, por sus características de seguridad, peso y dimensiones, debe ser manejado manualmente por personal capacitado del Permisionario, en términos de las Normas Oficiales Mexicanas
3.29 recubrimiento (envoltura de material compuesto)
Fibras y matriz tomadas en conjunto como una unidad combinada para efectos de la fabricación de un recipiente de material compuesto.
3.30 relevado de esfuerzos
 
Tratamiento térmico que consiste en la aplicación de calor a un producto de acero, hasta adquirir una temperatura uniforme por debajo del punto crítico inferior del acero, y posteriormente enfriarlo a temperatura ambiente en condiciones controladas.
3.31 tara
Peso correspondiente a un recipiente transportable vacío, expresado en kg.
3.32 temperatura ambiente
Temperatura del entorno que varía entre los 283 K y 308 K (10°C y 35°C).
3.33 termoestable (termofijo)
Tipo de polímero que, una vez fraguado o curado por aplicación de calor o por medios químicos, se transforma en un producto sustancialmente infusible e insoluble.
3.34 termoplástico
Tipo de polímero capaz de ablandarse mediante el incremento de temperatura y de endurecerse mediante la reducción de temperatura.
3.35 válvula de carga y descarga
Elemento mecánico que forma parte de una válvula de servicio, cuyo mecanismo de apertura o cierre se opera manualmente.
3.36 válvula de no retroceso
Dispositivo que se instala en la salida de la válvula de servicio, que permite el paso de gas solamente cuando una conexión se instala en la válvula.
3.37 válvula de relevo de presión (válvula de seguridad)
Elemento de operación automática que forma parte de una válvula de servicio, que tiene por objeto aliviar la presión excedente de Gas Licuado de Petróleo dentro de un recipiente transportable, permitiendo el escape de dicho hidrocarburo de acuerdo a una especificación de diseño preestablecida.
3.38 válvula de servicio
Accesorio de un recipiente transportable, que puede ser de acoplamiento directo o indirecto, conformado por una válvula de carga y descarga y una válvula de relevo de presión. Puede contar o no con dispositivos de seguridad adicionales.
3.39 DGN
Dirección General de Normas de la Secretaría de Economía.
3.40 familia de modelos
Al grupo de modelos de un mismo producto, referidos en esta Norma Oficial Mexicana como del mismo tipo, en el que las variantes son de carácter estético o de apariencia, pero conservan las características de funcionamiento que aseguran el cumplimiento de esta Norma Oficial Mexicana.
3.41 informe de resultados
Al documento que emite un laboratorio de pruebas, mediante el cual se presenta ante la DGN o los organismos de certificación, los resultados obtenidos de las pruebas realizadas a los recipientes para contener Gas Licuado de Petróleo tipo transportable.
3.42 laboratorio de pruebas
Al laboratorio de pruebas acreditado y aprobado conforme lo establece la Ley Federal sobre Metrología y Normalización, y su Reglamento.
 
3.43 laboratorio de pruebas extranjero
Aquel laboratorio de pruebas que se encuentra fuera del territorio nacional y el cual está acreditado por el organismo de acreditación de su país y cuenta con reconocimiento mutuo ante nuestro organismo nacional de acreditación, adicionalmente debe estar acreditado y aprobado para la presente Norma Oficial Mexicana.
3.44 Ley
A la Ley Federal sobre Metrología y Normalización y su Reglamento.
3.45 muestreo de producto
Al procedimiento mediante el cual se selecciona los recipientes para contener Gas Licuado de Petróleo tipo transportable, con el fin de someterlos a las pruebas que se describen en esta Norma Oficial Mexicana.
3.46 Organismo de Certificación
A la persona moral acreditada y aprobada conforme a la Ley, que tenga por objeto realizar funciones de certificación de los recipientes para contener Gas Licuado de Petróleo tipo transportable.
3.47 Organismo de certificación de sistemas de gestión de la calidad
A la persona moral acreditada conforme a la Ley, que tenga por objeto realizar funciones de certificación de sistemas de gestión de la calidad de la línea de producción de los recipientes para contener Gas Licuado de Petróleo tipo transportable, y que tenga los procedimientos de verificación de conformidad con lo dispuesto en la Ley.
3.48 PEC
Procedimiento para la evaluación de la conformidad para determinar el grado de cumplimiento con esta Norma Oficial Mexicana.
3.49 certificado de la conformidad
Al documento mediante el cual la DGN o los organismos de certificación hacen constar que los recipientes para contener Gas Licuado de Petróleo tipo transportable cumplen con las especificaciones establecidas en esta Norma Oficial Mexicana.
3.50 NOM
Norma Oficial Mexicana
3.51 verificación
Constatación ocular y comprobación mediante muestreo, medición, pruebas o revisión de documentos que se realiza para evaluar la conformidad con esta Norma Oficial Mexicana, en un momento determinado.
3.52 seguimiento
Evaluación de los servicios, procesos y productos mediante verificación ocular, muestreo, pruebas tipo, investigación de campo o evaluación del sistema de gestión de la calidad, posterior a la expedición del certificado de la conformidad, que tiene por objeto comprobar el cumplimiento a lo establecido en esta Norma Oficial Mexicana, así como las condiciones bajo las cuales se otorgó inicialmente dicho certificado.
4. Clasificación
Los recipientes transportables objeto de la presente Norma Oficial Mexicana se clasifican, de conformidad con los materiales y tecnología de fabricación, en las siguientes clases y tipos:
a)     Clase I. Recipientes de acero al carbono o de acero microaleado.
       i. Tipo A.- Común
       ii. Tipo B.- Semicapsulado
 
       iii. Tipo C.- Especial
b)    Clase II. Recipientes de acero inoxidable.
       i. Tipo A.- Con soldadura longitudinal
       ii. Tipo B.- Sin soldadura longitudinal
c)     Clase III. Recipientes de materiales compuestos.
       i. Tipo A.- Con forro metálico
       ii. Tipo B.- Con forro no metálico
       iii. Tipo C.- Sin forro
5. Requisitos generales
Para todas las clases y tipos de recipientes transportables se debe cumplir lo siguiente:
5.1 Presión de servicio
Los recipientes transportables deben diseñarse para contener gas propano, con una presión de servicio no menor de 1.65 MPa (16.90 kgf/cm2).
5.2 Capacidad volumétrica
Los recipientes portátiles y recipientes transportables sujeto a presión de cualquier clase y tipo, deben diseñarse de tal forma que su capacidad de almacenamiento, en litros de agua, sea acorde con las siguientes consideraciones:
5.2.1 La capacidad volumétrica para Recipientes Transportables sujetos a presión con capacidad nominal de 45 kg de Gas Licuado de Petróleo debe ser como mínimo 102.0 l y 108.0 l como máximo.
5.2.2 La capacidad volumétrica para Recipientes Transportables sujetos a presión con capacidad nominal de 30 kg de Gas Licuado de Petróleo debe ser como mínimo 68.0 l y 73.0 l como máximo.
5.2.3 La capacidad volumétrica para Recipientes Transportables sujetos a presión con capacidad nominal de 20 kg de Gas Licuado de Petróleo debe ser como mínimo 45.0 l y 48.0 l como máximo.
5.2.4 La capacidad volumétrica para Recipientes Portátiles con capacidad nominal de 10 kg de Gas Licuado de Petróleo debe ser como mínimo 23.0 l y 24.0 l como máximo.
5.2.5 Para otros recipientes con capacidades nominales diferentes a las señaladas en este numeral, la capacidad volumétrica mínima del recipiente, en litros de agua, expresada en dm3, debe ser acorde a una relación de llenado del 42% como máximo, de la masa equivalente de Gas Licuado de Petróleo, usando para realizar el cálculo la siguiente fórmula:
V = K*F
En donde:
V = Volumen en dm3
K= kilogramos de Gas Licuado de Petróleo (capacidad nominal)
F= 2.4
5.2.6 La capacidad volumétrica se comprueba de acuerdo al método de prueba establecido en el numeral 12.1.1
5.3 Recipientes portátiles
A efecto de que un recipiente transportable pueda considerarse como recipiente portátil, debe estar diseñado para tener un peso bruto igual o menor que 25 kg.
5.4 Dispositivos electrónicos de identificación
Sin perjuicio de lo establecido en los numerales 6.2, 7.2 y 8.2, se permite de manera opcional la instalación de dispositivos electrónicos fijos y permanentes que tengan como función mínima la identificación de los recipientes.
5.4.1 Los dispositivos electrónicos de identificación deben ubicarse en sitios donde se facilite su lectura y protección, tales como la superficie interior del cuello protector, el interior del rebordeado del cuello protector, junto al medio cople sobre la superficie del casquete superior, cubierta exterior, entre otros sitios, de conformidad con las recomendaciones del fabricante.
5.4.2 Los dispositivos de identificación electrónicos deben contar con un código de identificación inalterable y no duplicable.
5.4.3 Los dispositivos a que se refiere el numeral 5.4, así como sus lectores, deben contar con la certificación que especifique el cumplimiento con lo establecido en el numeral 5.4.2 y que su uso es apropiado en recipientes para contener Gas Licuado de Petróleo.
5.4.4 Independientemente que de manera optativa se utilicen los dispositivos a que se refiere el numeral 5.4, en cuyo caso deben observarse las especificaciones descritas en los numerales 5.4.1, 5.4.2 y 5.4.3, es obligatorio que los recipientes transportables de cualquier clase cumplan con las especificaciones de marcado descritas en el numeral 9.
6. Recipientes de acero al carbono y de acero microaleado (Clase I)
6.1 Materiales
Los materiales de fabricación que se utilicen para los casquetes superior e inferior de los recipientes, así como, en su caso, para la sección cilíndrica, deben ser aquellos especificados en la Tabla 4 y cumplir con las propiedades y requisitos ahí establecidos. Los materiales que se utilicen para los demás aditamentos y componentes que vayan soldados al recipiente, pueden ser de acero al carbono o de acero microaleado. Dichos materiales deben cumplir con las características y propiedades señaladas en el numeral 6.5.
6.2 Diseño y fabricación
Los recipientes tipo A (común) deben constituirse de un cuerpo principal conformado por una sección cilíndrica y dos casquetes (superior e inferior), así como de un medio cople, un cuello protector y una base de sustentación (ver Figura 1).
 

Figura 1 - Recipiente Clase I, tipo común
Los recipientes tipo B (semicapsulado) deben constituirse de un cuerpo principal conformado por dos semicápsulas cilíndricas (casquetes superior e inferior) soldadas circunferencialmente; así como de un medio cople; un cuello protector y una base de sustentación (ver Figura 2).

Figura 2 - Recipiente Clase I, tipo semicapsulado
Los recipientes tipo C (especial) pueden constituirse a partir de cualquiera de los dos diseños referidos en el presente numeral (comunes o semicapsulados).
Se considerarán recipientes tipo C a aquellos de cualquier forma o diseño con capacidades diferentes a las señaladas en la Tabla 2.
En el diseño y fabricación de recipientes de cualquier tipo, no se permite la inclusión de partes y/o accesorios en el exterior de dichos recipientes, adicionales a los descritos en el presente numeral, tales como anillos compensadores de peso de cualquier material u otros elementos afines no contemplados en la presente Norma Oficial Mexicana.
Los recipientes especiales tipo C con un peso bruto de hasta 25 kg pueden contar con características diferentes en cuanto a dimensiones, base de sustentación, cuello protector, tara y marcado, a diferencia de lo establecido para los recipientes comunes (tipo A) y semicapsulados (tipo B).
6.2.1 Planos
Se debe contar con uno o más planos, completamente acotados, de las dimensiones y tolerancias del recipiente terminado y de cada uno de sus componentes y aditamentos, incluyendo la válvula de servicio. Dichos planos deben acompañarse de la memoria técnica correspondiente que contenga los datos relativos a los requisitos de diseño establecidos en la presente Norma Oficial Mexicana.
6.2.2 Cuerpo principal
6.2.2.1 Sección cilíndrica (recipientes tipo común)
La unión longitudinal de la lámina usada en la fabricación de la sección cilíndrica de los recipientes tipo común, debe ser a tope, con un desalineamiento máximo permisible entre las dos superficies de 1/6 del espesor de la lámina, o de 0.80 mm, lo que resulte menor (Ver Figura 1).
6.2.2.2 Casquetes
Para el caso de recipientes tipo común, los casquetes deben ser de forma semiesférica o de forma semielíptica, en este último caso, deben tener un faldón recto de 13 mm de altura como mínimo y relación de ejes de 2:1 (ver Figura 3).

Figura 3 - Formas de casquete
 
Tratándose de recipientes tipo semicapsulado, las semicápsulas o casquetes que conformen al cuerpo principal deben presentar, cada una, un extremo de forma semiesférica o semielíptica con relación de ejes de 2:1.
6.2.2.3 Unión de casquetes
Tratándose de recipientes tipo común, la unión de la sección cilíndrica con los casquetes debe contar con bayoneta que permita un traslape de longitud mínima de 4 veces el espesor nominal de la lámina.
Tratándose de recipientes tipo semicapsulado, las semicápsulas o casquetes deben soldarse circunferencialmente con bayoneta y traslape de longitud mínima de 4 veces el espesor nominal de la lámina.
6.2.3 Medio cople
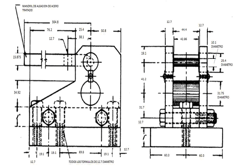
Debe ser de acero con un porcentaje máximo en peso de 0.25 de carbono (C) y 1.25 de manganeso (Mn). La parte superior del cuello puede ser cónica o cilíndrica. Debe contar con un orificio concéntrico que presente una rosca hembra cónica para cuerda macho tipo NPT de 19 mm (3/4") y estar soldada en el centro del casquete superior (ver Figura 4).

Figura 4 - Dimensiones de medio cople
Acotaciones en mm. Todas las dimensiones son mínimas excepto cuando se indiquen tolerancias.
Excentricidad máx. ± 0.20
6.2.3.1 Concentricidad y desviación máxima
El eje de la rosca del medio cople debe ser concéntrico al eje del recipiente, con tolerancia de 2.5 mm (ver Figura 5).
La desviación máxima del eje del recipiente con el eje de la rosca del medio cople será de 0.1745 rad (10°) (ver Figura 5).
 

Figura 5 - Concentricidad y desviación del medio cople con el recipiente.
6.2.3.2 Características
La rosca del medio cople debe cumplir con las siguientes características:
a)     Tener un diámetro nominal de 19 mm (3/4");
b)    Contar con 14 hilos por 25.40 mm (1.0"), y
c)     Presentar una conicidad de 6.25 cm/m.
Las cuerdas internas deben ser tales que permitan la instalación correcta de la válvula de servicio, y, por ende, minimice los esfuerzos sobre la rosca después de la aplicación del torque correspondiente en términos de lo dispuesto en el numeral 10.1.2.
En lo que refiere a dimensiones exteriores, el medio cople debe cumplir con las especificaciones señaladas en la Tabla 1.
Tabla 1 - Dimensiones exteriores del medio cople, en mm.
 
Parte
Alturas mínimas
Diámetro exterior mínimo
Cónico
Cilíndrico
Cónico
Cilíndrico
Guía
3.0
3.0
32.0
32.0
Cuello
3.0
11.5
41.0
--
Conjunto
14.0
14.5
41.0
41.0
 
6.2.4 Cuello protector
El cuello protector debe cumplir con las siguientes especificaciones (ver Figura 6):
a)    Debe ser de forma cilíndrica con un rebordeado en su parte superior realizado a 3.1416 rad (180°) como mínimo, y un diámetro de 3 veces el espesor de la lámina como mínimo;
b)    El diámetro exterior del cuello protector debe ser 200 mm ± 10 mm y un cierre de 3 puntos de soldadura como mínimo;
c)    Su altura debe permitir un libramiento mínimo de 30 mm entre la parte superior del cuello y del volante de la válvula abierta;
d)    Debe tener un corte limpio, sin rebaba ni filos cortantes;
e)    Debe presentar dos ventanas diametralmente opuestas. El área de cada una de ellas no debe ser mayor de un rectángulo de 110 mm x 150 mm, ni menor que la de un círculo de 95 mm de diámetro, las cuales deben permitir la conexión de la válvula de servicio a una instalación de aprovechamiento;

 
Figura 6 - Cuello protector
f)     Debe tener cuatro orificios semicirculares o rectangulares con un diámetro mínimo de 19 mm, aproximadamente equidistantes entre sí. Los orificios deben ubicarse aproximadamente a 0.785 rad (45°) de los ejes verticales que pasan por la ventana, estando los centros de los diámetros localizados en la circunferencia de contacto con el casquete superior del recipiente;
g)    El lado superior de cada ventana debe presentar un doblez con grosor mínimo de 3 veces el espesor nominal de la lámina utilizada, hacia el interior del protector, y
h)    El cuello debe quedar fijo al casquete superior del recipiente por medio de cuatro cordones de soldadura de 40 mm de longitud como mínimo, cada uno y aproximadamente equidistantes entre sí; su eje debe ser concéntrico al del recipiente (ver Figuras 1 y 2).
6.2.4.1 Alternativas adicionales
Tratándose de recipientes portátiles, el cuello protector puede ser semicilíndrico (opción A) formado por un arco continuo de aproximadamente 4.712 rad (270°), o por dos arcos enfrentados (opción B) de aproximadamente 2.356 rad (135°) cada uno. En caso de utilizar arco continuo, el cuello puede presentar una sola ventana; si el cuello se forma a partir de los arcos enfrentados, debe existir una ventana en cada segmento (ver Figura 7). Debe cumplirse con los requisitos especificados en el numeral 6.2.4.

Figura 7 - Alternativas de cuello protector para recipiente portátil
6.2.5 Base de sustentación
La base de sustentación debe cumplir con las siguientes especificaciones (ver Figura 8):
a)    Debe ser de forma cilíndrica rebordeada en su interior a 3.1416 rad (180°) como mínimo y un diámetro de 3 veces el espesor de la lámina como mínimo, con cierre a base de soldadura total;
b)    El diámetro exterior debe ser de acuerdo con las dimensiones de la Tabla 2 y su altura debe permitir un libramiento mínimo de 35 mm, entre la parte inferior del casquete y el extremo inferior de dicha base;
c)    Debe tener cuatro orificios semicirculares de 19 mm de diámetro como mínimo, aproximadamente equidistantes entre sí, estando los centros de los diámetros localizados en la circunferencia de contacto con el casquete inferior del recipiente, y
d)    La base de sustentación debe quedar fijada al casquete inferior con su eje concéntrico al recipiente, por medio de cuatro cordones de soldadura de 50 mm como mínimo. Uno de los cordones debe
formar una T con soldadura vertical. Para efectos de desagüe, la base debe tener en su parte inferior 4 orificios, preferentemente equidistantes entre sí, similares a los orificios semicirculares descritos en el inciso c) de este numeral.

Figura 8 - Base de sustentación
6.3 Capacidad de almacenamiento y dimensiones
Los recipientes tipo A y tipo B deben ser fabricados conforme a las capacidades de almacenamiento y dimensiones descritas en la Tabla 2.
Tabla 2 - Capacidades de almacenamiento y diámetros exteriores para recipientes Clase I, tipos A y
B
 
Capacidad
Nominal, en kg
Diámetro exterior del recipiente, en
mm
Diámetro exterior de base de
sustentación, en mm
Mínimo
Máximo
Mínimo
Máximo
45
358.4
375.0
339.0
349.0
30
297.0
311.0
280.0
290.0
20
297.0
311.0
280.0
290.0
10
297.0
311.0
280.0
290.0
 
Los recipientes tipo C podrán ser fabricados de cualquier capacidad nominal distinta a las descritas en la Tabla 2.
6.4 Tara y capacidad volumétrica
La tara de los recipientes tipos A y B, incluyendo su válvula de servicio, debe estar de acuerdo con la Tabla 3.
Tabla 3 - Masa de recipientes Clase I, tipos A y B
 
Capacidad nominal,
en kg
Masa del recipiente, en kg
Tolerancia de fabricación
45
33.8
± 3 %
30
26.6
± 3 %
20
19.4
± 3 %
10
12.3
± 3 %
 
La capacidad volumétrica y tara real de cualquier tipo de recipiente Clase I, incluyendo su válvula de servicio, no deben diferir del ± 1 % en relación a los valores de capacidad de agua y de tara, que se identifiquen en la memoria técnica y en el marcado establecido en el numeral 9.1.2. Lo anterior se comprueba con los métodos de prueba descrito en el numeral 12.1.2.
Tratándose de recipientes tipos A y B, la variación máxima para la tara real señalada en el párrafo anterior es permisible siempre y cuando dicha tara se encuentre dentro de la tolerancia de fabricación referida en la Tabla 3.
6.5 Especificaciones de la lámina
6.5.1 Composición química y propiedades mecánicas
La lámina utilizada en la fabricación de la sección cilíndrica y los casquetes o semicápsulas que conformen al cuerpo principal del recipiente, deben ser los señalados en la Tabla 4 y cumplir con las propiedades y requisitos en ella establecidos.
El cuello protector y la base de sustentación pueden ser fabricados a partir de lámina de acero al carbono o de acero microaleado conforme a lo referido en el párrafo anterior o, en su caso, con algún otro material compatible.
Se entenderá como material compatible cualquier tipo de acero al carbono o acero microaleado susceptible de ser fijado permanentemente, mediante soldadura, al cuerpo, casquetes o semicápsula del recipiente transportable, sin que éstos sufran afectaciones.
Tabla 4 - Propiedades mecánicas y composición de aceros para recipientes Clase I
 
 
 
Tipo 1
Tipo 2 (SA-
414C)
Tipo 3 (SA-
414D)
Tipo 4 (SA-
414E)
Tipo 5 (SA-
414F)
Tipo 6 (SA-
414G)
Tipo 7 (SA-455)
Tensión (MPa)
 
420
380-480
410-520
450-590
380-480
515-655
515-655
Cedencia mín
(MPa)
 
283
230
240
260
230
310
260
Elongación mín
en 200 mm (%)
 
10
16
14
12
10
10
15
Elongación mín
en 50mm (%)
 
20
20
18
16
14
16
22
Carbono (%
máx.)
Colada
0.24
0.25
0.25
0.27
0.31
0.31
0.33
 
Producto
0.26
0.25
0.25
0.27
0.31
0.31
0.33
Manganeso
(%máx.)
Colada
0.50-1.00
0.90
1.20
1.20
1.20
1.35
0.85-1.20
 
Producto
0.45-1.05
0.90
1.20
1.20
1.20
1.35
0.79-1.30
Fósforo (%
máx.)
Colada
0.04
0.035
0.035
0.035
0.035
0.035
0.025
 
Producto
0.05
0.035
0.035
0.035
0.035
0.035
0.025
Azufre (% máx.)
Colada
0.05
0.035
0.035
0.035
0.035
0.035
0.025
 
Producto
0.06
0.035
0.035
0.035
0.035
0.035
0.025
Silicio (% máx.)
Colada
0.30
0.30
0.30
0.30
0.30
0.30
0.40
 
Producto
0.45
0.30
0.30
0.30
0.30
0.30
0.45
Niobio (% máx.)
Colada
0.01-0.04
 
 
 
 
 
 
 
Producto
0.01-0.045
 
 
 
 
 
 
Cobre (% máx.)
Colada
0.05
 
 
 
 
 
 
 
Producto
0.05
 
 
 
 
 
 
Níquel (% máx.)
Colada
0.03
 
 
 
 
 
 
 
Producto
0.03
 
 
 
 
 
 
Cromo (% máx.)
Colada
0.03
 
 
 
 
 
 
 
Producto
0.03
 
 
 
 
 
 
Molibdeno (%
máx.)
Colada
0.01
 
 
 
 
 
 
 
Producto
0.01
 
 
 
 
 
 
Zinc (% máx.)
Colada
0.01
 
 
 
 
 
 
 
Producto
0.01
 
 
 
 
 
 
Aluminio (%
máx.)
Colada
0.07
0.02-0.08
0.02-0.08
0.02-0.08
0.02-0.08
0.02-0.08
 
 
Producto
0.07
0.02-0.08
0.02-0.08
0.02-0.08
0.02-0.08
0.02-0.08
 
Vanadio (%
máx.)
Colada
0.01-0.05
 
 
 
 
 
 
 
Producto
0.01-0.055
 
 
 
 
 
 
 
NOTA: Se permiten elementos residuales conforme a lo indicado en las versiones vigentes de los códigos aplicables.
6.5.1.1 Notas aplicables para el material Tipo 1
El cobre, níquel, cromo, molibdeno, zinc y aluminio pueden estar presentes en el acero de la lámina microaleada, siempre y cuando no excedan los valores indicados en la Tabla 4.
El vanadio es sustituto del niobio. Se permite la combinación de niobio y vanadio, siempre que los análisis de colada y de producto se encuentren dentro de un intervalo 0.01 %-0.055 %.
Cuando el silicio es mayor que 0.10 % en colada, el contenido máximo de carbono debe ser 0.28 %.
No se permite agregar otros elementos para obtener efectos de aleación.
El tamaño del grano ferrítico debe ser 6 o más fino.
6.5.1.2 Notas aplicables para los materiales Tipo 2, 3, 4, 5 y 6
Tabla 5 - Tolerancias máximas para elementos no especificados cuando estén presentes en el
acero
 
Cobre (%)A
Análisis de colada
Análisis de producto
0.40
0.43
Níquel (%)A
Análisis de colada
Análisis de producto
0.40
0.43
Cromo (%)A y B
Análisis de colada
Análisis de producto
0.30
0.34
Molibdeno (%)A y B
Análisis de colada
Análisis de producto
0.12
0.13
Vanadio (%)C
Análisis de colada
Análisis de producto
0.03
0.04
Columbio (%)C
Análisis de colada
Análisis de producto
0.02
0.03
 
A La suma de cobre, níquel, cromo y molibdeno no deberá de exceder de 1.0 % en el análisis de colada. Cuando uno o más de estos elementos están especificados, la suma no aplica, en cuyo caso solamente los límites individuales de los elementos no especificados aplican.
B La suma de cromo y molibdeno no deberá de exceder de 0.32 % del análisis de colada. Cuando uno o más de estos elementos son especificados, la suma no aplica, en cuyo caso, sólo los límites individuales de los elementos no especificados aplican.
C Por acuerdo con el fabricante del acero, los límites del análisis de colada para el vanadio o columbio se pueden incrementar hasta 0.10 % y 0.05 %, respectivamente.
6.5.1.3 La comprobación de las especificaciones químicas y mecánicas establecidas en la Tabla 4, se hará mediante el certificado de origen de la lámina, en el que se ostente el cumplimiento de la Norma Mexicana NMX-B-266-1989, en términos de lo dispuesto en el PEC de la presente Norma Oficial Mexicana.
6.5.2 Espesores
 
Los espesores de la lámina utilizada para la fabricación de recipientes Clase I, deben estar conforme a las especificaciones descritas en la Tabla 6.
Tabla 6 - Espesores mínimos de lámina, en mm
 
Capacidad nominal en kg
De 10 hasta 30
Mayor de 30 hasta 45
Sección cilíndrica
2.12
2.46
Casquetes o semicápsulas
2.12
2.46
Base de sustentación
2.46
Cuello protector
2.12
 
NOTA: A diferencia de lo indicado en la Tabla 6, se permite una reducción máxima del 10 %, para casquetes, del espesor de la lámina.
6.5.2.1 Tratándose de recipientes Tipo C, el espesor del cuerpo principal (casquetes y, en su caso, sección cilíndrica) se debe calcular en función del diseño del recipiente, conforme a los incisos a) y b) según corresponda. En cualquier caso, dicho espesor no debe ser inferior de 1.98 mm:
a)    Para recipientes formados por dos casquetes y una sección cilíndrica:

b)    Para recipientes semicapsulados:

Dónde:
S,    es el esfuerzo de la pared, en MPa.
P,    es la presión de diseño, en MPa.
Ph,   es la presión de prueba (2P).
D,    es el diámetro exterior, en mm.
t,      es el espesor del material (D-d) / 2.
d,     es el diámetro interior, en mm.
E,    es la eficiencia de la junta longitudinal (Eficiencia 1.00 equivale a 100 % radiografiado; eficiencia 0.90 equivale a radiografiado selectivo, 1 de cada 50 recipientes; eficiencia 0.75 es sin radiografiado).
El espesor debe ser tal que el esfuerzo de la pared no exceda del valor menor de cualquiera de las siguientes consideraciones:
i.      El 50 % de la mínima resistencia a la tensión del material (determinado como se indica en la Norma Mexicana NMX-B-172-CANACERO-2018), o
ii.     241.33 MPa (2 460.85 kgf/cm2).
El espesor de la lámina de los casquetes debe ser como mínimo el 90 % del espesor de la lámina del cuerpo. En adición a lo anterior y para recipientes con espesor de cuerpo cilíndrico menor que 2.54 mm, la relación de la longitud tangencial con el diámetro exterior no debe exceder de 4:1.
En lo que refiere a los espesores de la lámina utilizada para el cuello protector y la base de sustentación, éstos deben ser los indicados en la Tabla 6.
 
6.6 Soldadura
6.6.1 Método de aplicación
Los métodos para la aplicación de soldadura deben ser los que se especifican en la Tabla 7, debiendo los cordones de las costuras ser continuos y no presentar defectos (socavados, rebordes, porosidades o salpicaduras).
Tabla 7 - Métodos de soldadura para recipientes Clase I
 
Parte del recipiente
Método de aplicación
Sección cilíndrica y casquetes o semicápsulas
Máquina o Automático
Medio cople, cuello protector y base de sustentación
Máquina, Automático, Semiautomático o Manual
 
6.6.2 Calificación de procedimientos
Los procedimientos de soldadura empleados en la fabricación del recipiente deben ser previamente calificados por medio de pruebas de resistencia a la tensión y doblez como se indica en el numeral 6.6.2.2
Los procedimientos de soldadura empleados en la fabricación deben de ser establecidos y registrados por el fabricante en un formato aplicable a la especificación de procedimiento de soldadura (EPS).
Si algún cambio es hecho en el procedimiento de fabricación, la especificación de procedimiento de soldadura (EPS) debe ser revisada o corregida para mostrar dichos cambios, ciertos cambios en la especificación del procedimiento pueden requerir una recalificación como se establece en el numeral 6.6.2.1.
Para la calificación del procedimiento de soldadura, se deben tomar y probar las probetas de los cordones de soldadura conforme se indica en la Figura 9.
Figura 9 - Extracción de probetas de prueba
Se debe mantener un archivo actualizado de los registros de procedimientos de soldadura utilizados, y conservar el historial por un periodo mínimo de tres años.
 
6.6.2.1 Especificaciones de procedimiento de soldadura (EPS)
Las EPS deben ser revisadas y recalificadas cuando ocurra cualquiera de los siguientes supuestos:
a)    Un cambio en las especificaciones de uno o los dos materiales base a ser soldados;
b)    Un cambio en el material de aporte;
c)    Un cambio en la composición o tipo de fundente utilizado en arco eléctrico sumergido;
d)    Un cambio en la posición de soldar (diferente a la calificada);
e)    Un decremento de 27.8 ºC o más, en la temperatura mínima de precalentamiento especificada (Kelvin o Celsius, en función de la escala utilizada);
f)     Un cambio en la temperatura del tratamiento térmico y/o rango del tiempo de ciclo;
g)    La omisión o adición de un respaldo en un cordón de soldadura a tope;
h)    Un cambio de pasadas múltiples por lado, a una pasada única por lado;
i)     Un cambio de un arco simple a arcos múltiples, o viceversa, o
j)     Un cambio de un tipo de gas de soldar a otro, o un cambio en la composición del gas utilizado, del 15 % o mayor.
La recalificación a la que se refiere el párrafo anterior, no es requerida en caso de cambio en el tamaño de partícula del fundente.
6.6.2.2 Procedimientos de soldadura
Los procedimientos de soldadura en probetas preparadas para pruebas de calificación deben cumplir los requisitos de la especificación del procedimiento indicados en el numeral 6.6.2.1.
Para la calificación de procesos manuales, el recipiente o probeta debe soldarse manualmente.
Para la calificación de procesos automáticos de soldadura, el recipiente o probeta debe soldarse en producción usando un equipamiento idéntico al de producción con respecto a la posición de trabajo, protección contra el calentamiento de partes, control automático de precalentamiento, alimentación, velocidad, corriente, oscilación, interrupción, velocidad de enfriamiento, entre otros.
La calificación en equipos automáticos con características particulares de equipamiento no califica el proceso en otro tipo de equipo que carezca de cualquier elemento individual de control considerado en el primero.
a) Material base
Los materiales base para soldadura o la calificación de probetas de prueba deben ser del mismo grupo de aleación que los materiales de producción. El agrupamiento de los materiales para calificación de procedimiento mostrado en la tabla siguiente está hecho sobre la base de características de endurecimiento.
Los materiales base de diferentes análisis dentro de un grupo pueden sustituirse por materiales que fueron usados en pruebas de calificación.
 
Clase
Familia de
aleación
Carbono
C
Manganeso
Mn
Fósforo
P
Azufre
S
Columbio
Cb
I
Acero al
Carbono y
micro aleado
0.25
1.00
0.045
0.05
0.04
 
Los materiales de prueba usados para la calificación de soldaduras circunferenciales deben formarse al diámetro más pequeño del recipiente a ser calificado. Esto también califica diámetros mayores. El diámetro no es una consideración para soldaduras longitudinales o soldadura de aditamentos. El espesor del material de prueba debe estar entre el -20 % y +50 % del material a ser calificado.
El material para calificación debe tener las mismas condiciones de tratamiento térmico antes de soldarlo, si el material de producción es tratado térmicamente después de soldar, el material de calificación debe tratarse en las mismas condiciones, antes de que se lleven a cabo las pruebas físicas.
b) Posición de las soldaduras
Las posiciones de soldadura utilizadas en la calificación de probetas de prueba y en la fabricación de recipientes debe restringirse a una posición plana y horizontal.
c) Tipo, número y método de preparación de muestras
·     Tipo: se califica un procedimiento por cada tipo de junta a ser soldada en un tanque.
·     Número: las probetas de prueba deben tomarse de cada junta conforme a lo siguiente:
 
Tipo de junta
Tipo de prueba
requerida
Propósito de la
prueba
Cantidad de
probetas
Método de preparación, prueba
requerida y resultados de la
prueba
Juntas de ranura
longitudinal a tope (ranura)
Tensión (Transversal
a la soldadura)
Doblez guiado en
raíz
Doblez guiado en
cara
Resistencia
Sanidad
Sanidad
2
2
2
Ver 12.2.2
Ver 12.2.6
Ver 12.2.6
Junta circunferencial en traslape o engargolada a tope
Doblez guiado en raíz, ver NOTA 1
Sanidad
2
Ver 12.2.6
Aditamentos soldados en partes a presión (filete)
Fractura de raíz, ver NOTA 2
Sanidad
2
Ver 12.2.7
Soldadura de coples (filete)
Macro ataque
Sanidad
2
Ver 12.2.8
NOTA 1: Esta prueba puede ser substituida por radiografiado.
NOTA 2: Si la probeta de prueba no se fractura, debe efectuarse una prueba de macro-ataque
6.6.3 Calificación de soldadores
Los soldadores y operadores de máquinas de soldar que se empleen en el proceso de soldadura del recipiente, deben ser calificados mediante pruebas de doblez o con macro-ataque, según corresponda, como se indica en el numeral 12.2.3 o mediante prueba de radiografiado efectuada como se indica en el numeral 12.2.4.
Para la calificación de soldadores y operadores de máquinas de soldar, se deben tomar y probar las probetas de los cordones de soldadura conforme a lo siguiente:
 
Tipo de junta
Tipo de prueba requerida
Propósito de
la prueba
Cantidad de
probetas
Método de
prueba
Junta longitudinal a
tope (ranura)
Doblez guiado a la raíz (1)
Doblez guiado a la cara (1)
Sanidad
Sanidad
2
2
Ver 12.2.6
Junta circunferencial
con bayoneta (ranura)
Doblez guiado a la raíz (1)
Sanidad
2
Ver 12.2.6
Soldadura de
aditamentos sobre
partes sujetas a
presión (filete)
Ruptura a la raíz (2)
Sanidad
2
Ver 12.2.7
Soldadura de coples
(filete)
Macro-ataque
Sanidad
2
Ver 12.2.8
NOTA 1: Esta prueba puede ser sustituida por radiografiado.
NOTA 2: Si la probeta de prueba no se fractura, debe efectuarse una prueba de macro-ataque.
 
Para la calificación de soldadores y operadores de máquinas de soldar, se deben tomar y probar las probetas de los cordones de soldadura conforme se indica en la Figura 9.
6.6.3.1 La calificación de los soldadores y operadores de máquinas de soldar, debe ser efectuada cuando:
a)    Ocurra en las EPS cualquiera de los supuestos descritos en el numeral 6.6.2.1;
b)    El operador no haya realizado labores de soldadura durante un periodo de tres meses o más, o haya realizado labores de soldadura en otro proceso durante seis meses o más, o
c)    La persona responsable de control de calidad lo considere conveniente, a efecto de identificar la habilidad del operador.
Se debe mantener un archivo actualizado de los registros de calificación de sus soldadores y operadores de máquinas de soldar, y conservar el historial por un periodo mínimo de tres años.
6.6.4 Cordones de soldadura
Los cordones de soldadura deben cumplir, sin excepción alguna, con las siguientes condiciones:
a)    Sin socavados, rebordes, porosidades o chisporroteo en las orillas del cordón;
b)    Altura de la corona de 0.8 mm a 3.2 mm;
c)    Ancho máximo del cordón de 12.7 mm, y
d)    La soldadura de unión a tope debe tener penetración total.
6.6.5 Relevado de esfuerzos
Al término de los procesos de soldadura, los recipientes deben someterse a un tratamiento térmico para eliminar los esfuerzos residuales. Este debe llevarse a cabo en un horno con termógrafo, elevando la temperatura de los recipientes hasta 898 ± 25 K (625 ± 25 °C), la cual debe mantenerse durante 7 min como mínimo. El enfriamiento de los recipientes debe ser al aire quieto, hasta alcanzar cuando menos una temperatura de 493 K (220 °C).
Se debe mantener un archivo actualizado de los registros de las gráficas del termógrafo, y conservar el historial por un periodo mínimo de tres años.
6.6.6 Reparación de cordón de soldadura
6.6.6.1 Reparación sin relevado de esfuerzos
En caso de requerirse reparación de cordones de soldadura, después de haber sometido al recipiente al tratamiento térmico descrito en el numeral 6.6.5, se permite omitir la aplicación de un nuevo relevado de esfuerzos, en las siguientes condiciones:
a)    Cuando la longitud de la reparación del cordón de soldadura no exceda de 40 mm en la junta longitudinal, en cualquiera de las circulares o en las intersecciones de ambas;
b)    Cuando la longitud de la reparación del cordón de soldadura no exceda de 10 mm en la soldadura del medio cople;
c)     El número total de reparaciones por recipiente no debe exceder de 3, con una separación mínima de 10 mm entre una y otra.
6.6.6.2 Reparación con relevado de esfuerzos
Los recipientes que, después de haber sido sometidos al relevado de esfuerzos descrito en el numeral 6.6.5, presenten en sus cordones de soldadura defectos mayores a los especificados en el numeral anterior, podrán repararse siempre y cuando se remuevan todos los defectos de soldadura y sean sometidos nuevamente a dicho tratamiento térmico, así como a la prueba hidráulica o neumática descrita en el numeral 12.1.3.
6.7 Acabado
6.7.1 Superficie
 
Los recipientes deben presentar una superficie lisa, uniforme y exenta de abolladuras, pliegues, grietas, aristas o rebabas, chisporroteo de soldadura o exceso de sellador.
La superficie de los recipientes debe someterse a un proceso de limpieza con granalla o fosfatizado.
6.7.2 Pintura
Los recipientes deben cubrirse en su totalidad con una capa de pintura en polvo horneable, tipo poliéster, aplicada electrostáticamente, con espesores de 50 a 200 micrómetros, incluyendo los interiores del cuello protector y de la base de sustentación, dando una resistencia mínima al intemperismo de 350 h a la luz ultravioleta y de 350 h a la corrosión en niebla salina, como se establece en el método de prueba señalado en el numeral 12.3.1.
6.7.2.1 Correcciones en pintura
Los recipientes con pequeños raspones o rayones, pueden ser reparados con esmalte anticorrosivo líquido de secado al aire, cuyo color, tono y adherencia se asemejen a la pintura original.
Los recipientes con pintura tierna, quebradiza, adherencia pobre, oxidaciones por falta de pintura o espesor menor a 50 micrómetros, deben ser repintados completamente y horneados, sin la presencia de la válvula de servicio.
6.8 Vida útil
El uso de los recipientes Clase I como contenedores de Gas Licuado de Petróleo estará sujeto al cumplimiento, en todo momento, de las especificaciones señaladas en la presente Norma Oficial Mexicana.
7. Recipientes de acero inoxidable (Clase II)
7.1 Materiales
7.1.1 Generalidades
Los materiales de fabricación que se utilicen para los casquetes superior e inferior y, en su caso, para la sección cilíndrica, deben ser de acero inoxidable. Los materiales que se utilicen para los demás aditamentos que vayan soldados al recipiente, tales como base de sustentación y cuello protector, deben ser de acero inoxidable o, en su caso, de un material compatible con dicho acero.
Para efectos de lo dispuesto en el párrafo anterior, se entenderá como material compatible cualquier tipo de acero susceptible de ser fijado permanentemente, mediante soldadura, al cuerpo del recipiente transportable, sin generar corrosión.
La lámina de acero inoxidable que se utilice para la fabricación de recipientes Clase II debe cumplir con las características y propiedades señaladas en el Apéndice normativo 1, por lo que la comprobación de las especificaciones químicas y mecánicas del acero inoxidable se hará mediante el certificado de origen de la lámina, en términos de lo dispuesto en el PEC de la presente Norma Oficial Mexicana.
Los materiales de soldadura que se utilicen deben ser tales que sean capaces de proporcionar soldaduras uniformes y sin defectos (socavados, rebordes, porosidades o salpicaduras). Las características de resistencia de las soldaduras presentes en el recipiente terminado, no deben ser menores a las consideradas para el diseño del recipiente.
7.1.2 Categorías de acero inoxidable
Se permite el uso de los siguientes tipos de acero inoxidable, siempre y cuando éstos cumplan con lo establecido en el Apéndice Normativo 1 de la siguiente forma:
a)    Ferrítico;
b)    Austenítico, o
c)    Ferrítico/Austenítico (dúplex).
Los materiales que se vayan a utilizar para la fabricación de los casquetes o semicápsulas y, en su caso, de la sección cilíndrica del recipiente, deben contar con certificado que demuestre el cumplimiento de lo dispuesto en el presente numeral, así como lo señalado en el numeral 7.1.1.
7.2 Diseño
7.2.1 Planos
Se debe contar con uno o más planos, completamente acotados, de las dimensiones y tolerancias del recipiente terminado y de cada uno de sus componentes y aditamentos, incluyendo la válvula de servicio. Dichos planos deben acompañarse de la memoria técnica correspondiente que contenga los datos relativos a los requisitos de diseño establecidos en la presente Norma Oficial Mexicana.
7.2.2 Sección cilíndrica
7.2.2.1 Espesor de pared
El espesor de pared, a, de la sección cilíndrica debe ser no menor al que resulte del siguiente cálculo:

En donde:
a:     es el espesor mínimo calculado de la sección cilíndrica del recipiente, en mm.
D:    es el diámetro exterior del recipiente, en mm.
J:     es el factor de reducción de esfuerzos (1)
F:    es el factor de diseño de esfuerzos (equivalente al esfuerzo sobre la pared del recipiente a la presión de prueba, ph, ante un límite elástico, Re, garantizado) (2)
Re:   es el límite elástico del acero utilizado, en MPa (3)
Rg:   es el valor mínimo de resistencia a la tensión del recipiente terminado, garantizado por el fabricante, en MPa.
Ph:   es la presión de prueba.
(1) J = 0.9 en recipientes con soldadura longitudinal; J = 1.0 en recipientes con soldadura circunferencial
(2) F = 0.77
(3) Re se debe calcular a partir der R garantizado por el fabricante, y está limitado a un máximo de 0.85 Rg.
El espesor de pared mínimo debe también satisfacer los requerimientos descritos en el numeral 7.2.5.
7.2.3 Casquetes
7.2.3.1 Formas
La forma de los casquetes debe ser tal que se cumpla con las siguientes condiciones:
a)    Para casquetes toriesféricos: R < D ; r > 0.1D ; h > 4b [ver Figura 10, a)]
b)    Para casquetes elipsoidales: H>0.192D; h>4b [ver figura 7.1, b)]
En donde:
b    es el espesor mínimo calculado del casquete del recipiente, en mm.
R    es el radio de abombado interior del casquete, en mm.
D    es el diámetro exterior del recipiente, en mm.
r     es el radio interior del codo (doblez) del casquete, en mm.
h    es la altura del faldón, en mm.
H    es la altura exterior de la parte convexa del casquete, en mm.
 

Figura 10 - Formas de casquete
NOTA: En casquetes de forma toriesférica, la altura H puede ser calculada utilizando la siguiente fórmula:

7.2.3.2 Espesor de pared
El espesor de pared, b, de los casquetes del recipiente debe ser no menor al que resulte del siguiente cálculo:
b = a 1 x C
En donde:
b     es el espesor mínimo calculado del casquete del recipiente, en mm.
a 1   es el valor de a, calculado con la fórmula descrita en el numeral 7.2.2.1, utilizando J = 1.0
C     es el factor de forma del abombado del casquete, cuyo valor se obtiene de la Figura 11 o de la Figura 12 y la Tabla 8, según corresponda, en función de la relación que exista entre la altura exterior de la parte convexa del casquete (H) y el diámetro exterior del recipiente (D).
 

Figura 11 - Valores del factor de forma, C, para un H/D entre 0.20 y 0.25
 

Figura 12 - Valores del factor de forma, C, para un H/D entre 0.25 y 0.50
Tabla 8 - Relación entre H/D y el factor de forma C
 
H/D
C
H/D
C
0.25
1.000
0.38
0.612
0.26
0.931
0.39
0.604
0.27
0.885
0.40
0.596
0.28
0.845
0.41
0.588
0.29
0.809
0.42
0.581
0.30
0.775
0.43
0.576
0.31
0.743
0.44
0.572
0.32
0.713
0.45
0.570
0.33
0.687
0.46
0.568
0.34
0.667
0.47
0.566
0.35
0.649
0.48
0.565
0.36
0.633
0.49
0.564
0.37
0.621
0.50
0.564
NOTA: Se pueden obtener valores intermedios por interpolación lineal.
 
7.2.4 Casquetes de formas alternativas
Se pueden utilizar casquetes de formas distintas de las indicadas en el numeral 7.2.3, siempre que se demuestre la adecuación de su diseño mediante la prueba de resistencia a ciclos de presión descrita en el numeral 12.1.5.
7.2.5 Espesor de pared mínimo
El espesor de pared mínimo de la sección cilíndrica, a, y de los casquetes, b, debe ser no menor al que resulte de los siguientes cálculos:
a)     Para D < 100 mm: a = b = 1.1 mm
b)    Para 100 mm < D < 150 mm: a = b = 1.1 mm + [0.008 (D - 100)] mm
c)     Para D > 150 mm: a = b = (D/250) + 0.7 mm, con un mínimo absoluto de 1.5 mm
Las especificaciones anteriores son aplicables a los espesores, tanto de la sección cilíndrica como de los casquetes, independientemente de que tales componentes del recipiente sean diseñados mediante los cálculos señalados en los numerales 7.2.2 y 7.2.3, o de conformidad con lo dispuesto en el numeral 7.2.4.
En caso de que la longitud de la sección cilíndrica del recipiente, medida entre los inicios de las partes convexas de los dos casquetes, sea no mayor que (2bD), el espesor de pared de dicha sección debe ser no menor que el valor de espesor calculado para la parte convexa, de conformidad con lo dispuesto en el numeral 7.2.3.2.
7.2.6 Aberturas
La ubicación de las aberturas para el medio cople debe estar limitada a los casquetes del recipiente.
Cada abertura en el recipiente debe ser reforzada mediante collarín o similar, de acero compatible, fijado mediante soldadura y diseñado para evitar concentraciones de esfuerzos. Lo anterior debe ser comprobado mediante los cálculos de diseño correspondientes, o mediante la prueba de resistencia a ciclos de presión descrita en el numeral 12.1.5.
 
7.2.7 Medio cople
La parte superior del cuello puede ser cónica o cilíndrica. Debe contar con un orificio concéntrico que presente una rosca hembra cónica para cuerda macho tipo NPT, y estar soldada en el centro del casquete superior.
Las cuerdas internas deben ser tales que permitan la instalación correcta de la válvula de servicio, y por ende, minimice los esfuerzos sobre el cuello después de la aplicación del torque correspondiente en términos de lo dispuesto en el numeral 10.1.2.
7.2.7.1 Concentricidad y desviación máxima
El eje de la rosca del medio cople debe ser concéntrico al eje del recipiente, con tolerancia de 2.5 mm (ver Figura 13).
La desviación máxima del eje del recipiente con el eje de la rosca del medio cople será de 0.1745 rad (10°) (ver Figura 13).

Figura 13 - Concentricidad y desviación del medio cople con el recipiente
7.2.8 Aditamentos no sujetos a presión
Cada aditamento debe estar libre de uniones de soldadura longitudinal o circunferencial, y diseñado de tal forma que permita la inspección de las soldaduras de dicho aditamento y evite posibles concentraciones de agua.
7.2.8.1 Base de sustentación
Todo recipiente Clase II debe contar con una base de sustentación, o soporte similar, que permita proveer estabilidad al recipiente terminado. Dicha base debe quedar fijada mediante soldadura al casquete inferior del recipiente, con su eje concéntrico al de dicho recipiente, de tal forma que permita la inspección de la soldadura circunferencial inferior.
La base de sustentación debe contar con orificios semicirculares, o diseño similar, de tal forma que se garantice la ventilación del espacio encerrado por la base.
7.2.8.2 Cuello protector
 
Todo recipiente Clase II debe contar con un cuello protector, de corte limpio (sin rebaba ni filos cortantes), que permita evitar daños a la válvula de servicio. El cuello protector puede tener forma cilíndrica, semicilíndrica, o estar formado por dos arcos enfrentados, y debe contar con una o más ventanas, según corresponda, para efectos de permitir la maniobrabilidad del recipiente. El cuello protector debe quedar fijado mediante soldadura al casquete superior del recipiente, con su eje concéntrico al de dicho recipiente, de tal manera que, ya sea la forma del cuello o las ventanas que se utilicen, permitan la conexión de la válvula de servicio a una instalación de aprovechamiento.
7.2.9 En el diseño y fabricación de recipientes de cualquier tipo, no se permite la inclusión de partes y/o accesorios en el exterior de los recipientes, adicionales a los descritos en los numerales 7.2.1 al 7.2.8.
Los recipientes Clase II con capacidad menor a 9 kg, pueden contar con características diferentes en cuanto a base de sustentación, cuello protector, tara y marcado, contra lo establecido para aquellos de mayor capacidad.
7.3 Fabricación
El fabricante debe asegurarse de que las partes sometidas a presión de los recipientes, presenten espesores y superficies uniformes, exentas de rebabas, protuberancias y de cualquier defecto visible que pudiera afectar la integridad del recipiente terminado.
7.3.1 Soldadura

Figura 14 - Ilustración de una típica soldadura a tope con bordoneado
En donde:
a      Bisel opcional
b     Como se desee
c      Profundidad del desplazamiento = e1
d     Interior del recipiente. Debe evitarse una posible arista
e      Espesor del metal que está desplazado
e1    Espesor del metal que no está desplazado
7.3.1.1 Método de aplicación
Los métodos para la aplicación de soldadura deben ser totalmente mecanizados o automáticos con objeto de proporcionar soldaduras uniformes y reproducibles. Tratándose de las uniones longitudinales y circunferenciales para la sección cilíndrica y casquetes del recipiente, el método de aplicación de soldadura debe ser automático o semiautomático.
7.3.1.2 Calificación de procedimientos y de soldadores
Son aplicables a la calificación de los procedimientos de soldadura, así como de los soldadores empleados en la fabricación de recipientes Clase II, las disposiciones contenidas en los numerales 6.6.2 y 6.6.3.
7.3.1.3 Uniones
 
No debe haber más de una unión longitudinal y, en su caso, ésta debe ser soldada a tope, quedando prohibida la soldadura de tipo bordoneado. En las soldaduras longitudinales no deben utilizarse bandas de soporte permanentes.
No debe haber más de dos uniones circunferenciales sobre la pared de la sección cilíndrica del recipiente y, en su caso, éstas deben ser soldaduras a tope, o soldaduras a tope con un miembro desplazado para formar una banda de soporte integrada; es decir, soldaduras de tipo bordoneado (ver Figura 14).
Los cordones de soldadura deben ser continuos y sin defectos (solapamientos, socavados, rebordes, salpicaduras o irregularidades abruptas). No debe haber grietas, muescas o porosidades en la superficie soldada o en la superficie adyacente a la soldadura. La superficie soldada debe ser regular y lisa, sin ninguna concavidad. El espesor de soldadura excedente no debe ser mayor que ¼ del ancho de la soldadura.
Las soldaduras a tope y las soldaduras a tope bordoneadas deben ser soldaduras de penetración completa.
7.3.2 Tara y capacidad volumétrica
La capacidad volumétrica y la tara real de los recipientes Clase II, incluyendo su válvula de servicio, no deben diferir del ± 1 % en relación a los valores de capacidad de agua y de tara, que se identifiquen en la memoria técnica y en el marcado establecido en el numeral 9.1.2. Lo anterior se comprueba con los métodos de prueba de los numerales 12.1.1 y 12.1.2.
7.4 Tratamiento térmico a recipiente terminado
Una vez concluida la fabricación del recipiente, este último debe someterse a un tratamiento térmico para eliminar los esfuerzos residuales.
Lo dispuesto en el párrafo anterior puede ser atendido ya sea mediante la aplicación de un relevado de esfuerzos conforme a lo dispuesto en el numeral 6.6.5, o mediante un tratamiento de recocido alternativo, el cual permita al recipiente obtener las propiedades mecánicas del material exigidas por el diseño y por la presente Norma Oficial Mexicana.
Se debe mantener un archivo actualizado de los registros de los tratamientos térmicos aplicados, y conservar el historial por un periodo mínimo de tres años.
7.5 Tolerancias dimensionales
7.5.1 Ovalización
La ovalización de la sección cilíndrica o cuerpo del recipiente debe ser tal, que la diferencia entre los diámetros exteriores máximo y mínimo de la misma sección transversal, no sea superior al 1 % de la media de dichos diámetros, en caso de recipientes de dos piezas, o al 1.5 % en caso de recipientes de tres piezas.
Para efectos de lo dispuesto en el párrafo anterior, no se permiten las mediciones a partir de los cordones de soldadura, sino en todo caso, las mediciones a partir del área adyacente a las soldaduras.
7.5.2 Rectitud
La desviación máxima de la sección cilíndrica o cuerpo del recipiente respecto a una línea recta, no debe ser superior al 0.3 % de la longitud de dicha sección.
7.5.3 Verticalidad
Cuando el recipiente esté sostenido sobre su base de sustentación, la sección cilíndrica y la abertura concéntrica deben ser verticales con una desviación máxima del 1 % de la longitud de dicha sección.
7.6 Acabado
Los recipientes terminados deben presentar una superficie lisa, uniforme y exenta de abolladuras, pliegues, grietas, aristas o rebabas, así como de chisporroteo de soldadura o exceso de sellador.
7.7 Vida útil
El uso de los recipientes Clase II como contenedores de Gas Licuado de Petróleo estará sujeto al cumplimiento, en todo momento, de las especificaciones señaladas en la presente Norma Oficial Mexicana y de las condiciones de seguridad previstas en la Norma Oficial Mexicana referente a las condiciones de seguridad de los recipientes transportables para contener Gas Licuado de Petróleo en uso.
En caso de que la autoridad competente detecte que dicho producto no cumple con los aspectos de seguridad indicados en la normatividad señalada en el párrafo anterior, realizará las acciones necesarias para su retiro del mercado.
8. Recipientes de materiales compuestos (Clase III)
8.1 Materiales
8.1.1 Materiales para el recubrimiento
Los materiales del recubrimiento deben ser de fibra de carbono, fibra de aramida, fibra de vidrio, o cualquier mezcla de las mismas.
Tratándose de recipientes sin forro fabricados a partir de dos mitades unidas entre sí, los materiales compuestos que se utilicen deben ser compatibles con el gas propano, de conformidad con lo dispuesto en el Apéndice Normativo 3.
La matriz que se utilice para el recubrimiento, o en su caso el adhesivo que se utilice para tal efecto en los recipientes señalados en el párrafo anterior, deben ser polímeros adecuados para el uso y entorno al que estarán expuestos los recipientes, tales como resina epoxi, epoxi modificado con amina o anhídrido endurecedor, éster de vinilo, poliéster, polipropileno u otros materiales adecuados.
8.1.2 Materiales del forro
En caso de utilizar forro, éste debe ser fabricado a partir de materiales que sean compatibles con el gas propano, de conformidad con lo dispuesto en los Apéndices Normativos 2 y 3, según corresponda al tipo de material utilizado.
Los forros metálicos pueden fabricarse a partir de los siguientes materiales:
a)    Acero sin soldadura;
b)    Acero inoxidable sin soldadura;
c)    Aleación de aluminio sin soldadura;
d)    Acero soldado;
e)    Acero inoxidable soldado, o
f)     Aluminio soldado.
8.1.3 Los materiales utilizados tanto para el recubrimiento como, en su caso, para el forro, deben ser de calidad uniforme y consistente. El fabricante debe asegurarse que cada lote de materiales presente las propiedades químicas y mecánicas correspondientes, y mantener un registro en el que se puedan identificar los materiales utilizados para cada recipiente.
La comprobación de las propiedades de los materiales utilizados para el recubrimiento y el forro, se hará mediante los certificados de origen correspondientes, en términos de lo dispuesto en el PEC de la presente Norma Oficial Mexicana.
8.2 Diseño
8.2.1 Componentes y aditamentos
Los recipientes de material compuesto deben estar conformados por los siguientes componentes y aditamentos:
a)    Un forro interno, de material metálico o no metálico*;
b)    Un recubrimiento, conformado por capas de fibras continuas en una matriz; cuando no se utilice forro, el recubrimiento puede ser fabricado a partir de dos mitades unidas con un adhesivo de conformidad con lo dispuesto en el numeral 8.1.1;
c)    Un medio cople para la conexión de la válvula de servicio, y
 
d)    Una cubierta exterior para proveer al recipiente y su válvula de servicio de protección externa.
* Componente optativo.
En adición a lo dispuesto en el párrafo anterior, los recipientes de material compuesto también pueden incluir aditamentos tales como anillo para medio cople.
La cubierta externa debe proveer estabilidad al recipiente sobre nivel de piso terminado, y evitar el contacto directo del recubrimiento con el piso. Cuando la cubierta sea parte integral del diseño del recipiente, debe ir integrada al mismo en forma permanente.
Los recipientes que utilicen forro, deben diseñarse tomando en cuenta que el forro no va a soportar carga. Tratándose de forros metálicos, la superficie exterior de los mismos debe ser homogénea, tersa y contar con protector anticorrosivo.
8.2.1.1 Medio cople
El medio cople debe ser metálico y se debe diseñar de tal forma que cuente con las cuerdas suficientes para permitir el roscado total de la válvula de servicio, resistir el torque necesario para el acoplamiento de dicho accesorio en términos de lo dispuesto en el numeral 10.1.2, y minimizar los esfuerzos sobre el cuello.
La parte superior puede ser cónica o cilíndrica. El medio cople debe contar con un orificio concéntrico que presente una rosca hembra cónica para cuerda macho tipo NPT, y estar ubicado en el centro superior del recipiente o del forro, según sea el caso. Adicionalmente, se permite el uso de cuerdas rectas de acuerdo a las especificaciones y recomendaciones del fabricante, siempre que el medio cople sea compatible con la rosca correspondiente de las válvulas a que se refiere la Norma Oficial Mexicana NOM-197-SCFI-2017 conforme al capítulo 10 de la presente Norma Oficial Mexicana.
a) Concentricidad y desviación máxima
El eje de la rosca del medio cople debe ser concéntrico al eje del recipiente, con tolerancia de 2.5 mm (ver Figura 15).
La desviación máxima del eje del recipiente con el eje de la rosca del medio cople será de 0.1745 rad (10°) (ver Figura 15).
 

Figura 15 - Concentricidad y desviación del medio cople con el recipiente
b) Anillo para medio cople
Cuando se utilice un anillo para el medio cople, éste debe ser de un material compatible con el del recipiente y debe estar firmemente asegurado mediante un sistema adhesivo que corresponda al material del forro (o al del recipiente, si éste no lleva forro).
La carga axial de diseño necesaria para retirar el anillo debe ser superior a 10 veces la masa del recipiente vacío y no inferior a 1 000 N. El torque mínimo para hacer girar el anillo debe ser mayor que lo dispuesto en el numeral 10.1.2. El diseño debe establecer el torque máximo.
8.2.2 Esfuerzo de fibras
Los recipientes de material compuesto deben diseñarse de tal forma que evidencien alta confiabilidad ante la aplicación de cargas sostenidas y de cargas cíclicas. Para efectos de lo anterior, el fabricante debe tener el registro de las propiedades mecánicas de cada tipo de fibra utilizada en el recubrimiento, así como de las razones mínimas de esfuerzo de fibra.
La razón de esfuerzo de fibra señalada en el párrafo anterior, es entendida como el esfuerzo de fibra a la presión de ruptura mínima calculada, dividida entre el esfuerzo de fibra a 2/3 la presión de prueba.
De conformidad con el material utilizado, las razones mínimas de esfuerzo de fibra deben ser:
a) Vidrio            3.4
b) Aramida         3.1
c) Carbono        2.4
8.2.3 Tratándose de recipientes sin forro, fabricados a partir de dos mitades unidas entre sí, se deben cumplir los siguientes requerimientos adicionales:
a)    El ángulo de la unión circunferencial respecto a la horizontal, debe ser menor que 0.1745 rad (10°);
b)    El espesor del adhesivo utilizado debe ser menor que 0.25 mm, y
 
c)    La longitud (ancho) de la unión del adhesivo debe ser mayor o igual que 10 veces el espesor de pared mínimo de la sección cilíndrica del recipiente.
8.3 Planos
Por cada nuevo diseño de recipiente, se debe contar con uno o más planos detallados del recipiente terminado y de cada uno de sus componentes y aditamentos incluyendo la válvula de servicio y, en su caso, el forro. Dichos planos deben ir acompañados de la memoria técnica, documentación de diseño y del análisis de esfuerzos correspondiente, de conformidad con las especificaciones descritas en los numerales 8.3.1 al 8.3.4.
8.3.1 La documentación sobre el forro, en caso de utilizarse, debe incluir al menos lo siguiente:
a)    Materiales utilizados, incluyendo composición y límites según análisis químico;
b)    Dimensiones, espesores mínimos, rectitud y ovalización, con tolerancias;
c)    Proceso y especificaciones de fabricación;
d)    Tratamientos térmicos utilizados, así como las temperaturas,
e)    Método para el sellado del medio cople al forro, en su caso, y
f)     Propiedades de los materiales, incluyendo:
i.    En caso de forro metálico:
·  Límite elástico;
·  Resistencia mínima a la tensión;
·  Elongación mínima;
·  Presión mínima de ruptura para la que fue diseñado, y
·  Compatibilidad con gas propano, de acuerdo al Apéndice Normativo 2.
ii.    En caso de forro no metálico:
·  Densidad;
·  Punto de fusión;
·  Composición, y
·  Compatibilidad con gas propano, de acuerdo al Apéndice Normativo 3.
8.3.2 La documentación sobre el recubrimiento debe incluir al menos lo siguiente:
a)    Materiales, tratamientos, especificaciones y propiedades mecánicas de las fibras. Tratándose de recipientes sin forro, las propiedades de los materiales utilizados deben incluir la resistencia a la tensión, elongación, temperatura de distorsión térmica y viscosidad;
b)     Proceso y especificaciones de fabricación del recubrimiento;
c)    Sistema de resinas: componentes principales, materiales, material de curación, catalizador, según sea aplicable;
d)    Sistema de adhesivos: componentes principales, materiales, material de curación, catalizador, según sea aplicable;
e)    Proceso de curado (polimerización): temperaturas, duración y tolerancias;
f)     Tipo de proceso de curado: ciclo térmico, ultrasónico, ultravioleta o radiación, y
g)    Tratándose de recipientes sin forro, fabricados a partir de dos mitades unidas entre sí, además de lo anterior, las dimensiones de la unión adhesiva (longitud, ángulo de la unión, espesor del adhesivo).
8.3.3 La documentación sobre el recipiente de material compuesto debe incluir al menos lo siguiente:
a)    Capacidad de agua, en litros;
b)    Presión de prueba, ph;
 
c)     Presión de servicio;
d)    Presión mínima de ruptura para la que fue diseñado, pb1;
e)    Vida útil en años, y
f)     Tratándose de recipientes sin forro, el método para el sellado del medio cople al recipiente, en caso de ser aplicable.
La presión mínima de ruptura según diseño, pb1, debe ser al menos de dos veces la presión de prueba,
8.3.4 La documentación sobre el análisis de esfuerzos debe incluir al menos lo siguiente:
a)    Esfuerzos de pared a 2/3 de la presión de prueba, ph;
b)    Esfuerzos de pared a la presión de prueba, ph, y
c)     Esfuerzos de pared a la presión mínima de ruptura según diseño, pb1.
8.4 Fabricación
Las razones de esfuerzo de fibra, de acuerdo al diseño, deben exceder los valores establecidos en el numeral 8.2.2.
8.4.1 Forro
En caso de ser utilizado, el forro debe ser fabricado conforme a las especificaciones establecidas en el diseño del fabricante (ver numeral 8.3.1).
8.4.2 Bobinado
Tratándose de recipientes con forro, totalmente recubiertos con capas de fibras continúas impregnadas con resina, debe aplicarse un bobinado longitudinal y circunferencial bajo una tensión controlada hasta obtener el espesor requerido del material compuesto, así como un recubrimiento conforme a las especificaciones establecidas en el diseño del fabricante (ver numeral 8.3.2).
El forro puede ser removido y volver a bobinarse siempre y cuando el recubrimiento no haya sido curado. El forro no debe ser recubierto si ha sido dañado o afectado por el proceso de remoción señalado.
Tratándose de recipientes sin forro, fabricados a partir de dos mitades unidas entre sí, cada mitad debe ser bobinada hasta obtener el espesor requerido del material compuesto, de conformidad con las especificaciones establecidas en el diseño del fabricante, previo a la unión de las mitades mediante adhesivo.
8.4.3 Proceso de curado (polimerización)
Después de completarse el proceso de bobinado referido en el numeral anterior, el recubrimiento debe ser curado mediante la aplicación controlada de temperatura. Dicho proceso debe llevarse a cabo conforme a lo descrito en la documentación referida en el numeral 8.3.2. La temperatura máxima debe ser tal que las propiedades mecánicas del recubrimiento y, en su caso, las del material del forro, no sean afectadas de forma negativa.
8.4 Fabricación
Las razones de esfuerzo de fibra, de acuerdo al diseño, deben exceder los valores establecidos en el numeral 8.2.2.
8.4.1 Forro
En caso de ser utilizado, el forro debe ser fabricado conforme a las especificaciones establecidas en el diseño del fabricante (ver numeral 8.3.1).
8.4.2 Bobinado
Tratándose de recipientes con forro, totalmente recubiertos con capas de fibras continuas impregnadas con resina, debe aplicarse un bobinado longitudinal y circunferencial bajo una tensión controlada hasta obtener el espesor requerido del material compuesto, así como un recubrimiento conforme a las especificaciones establecidas en el diseño del fabricante (ver numeral 8.3.2).
El forro puede ser removido y volver a bobinarse siempre y cuando el recubrimiento no haya sido curado. El forro no debe ser recubierto si ha sido dañado o afectado por el proceso de remoción señalado.
 
Tratándose de recipientes sin forro, fabricados a partir de dos mitades unidas entre sí, cada mitad debe ser bobinada hasta obtener el espesor requerido del material compuesto, de conformidad con las especificaciones establecidas en el diseño del fabricante, previo a la unión de las mitades mediante adhesivo.
8.4.3 Proceso de curado (polimerización)
Después de completarse el proceso de bobinado referido en el numeral anterior, el recubrimiento debe ser curado mediante la aplicación controlada de temperatura. Dicho proceso debe llevarse a cabo conforme a lo descrito en la documentación referida en el numeral 8.3.2. La temperatura máxima debe ser tal que las propiedades mecánicas del recubrimiento y, en su caso, las del material del forro, no sean afectadas de forma negativa.
8.4.4 Tara y capacidad volumétrica
La capacidad volumétrica y la tara real de los recipientes Clase III, incluyendo su válvula de servicio, no deben diferir del ± 1 % en relación a los valores de capacidad de agua y de tara, que se identifiquen en la memoria técnica y en el marcado establecido en el numeral 9.1.2. Lo anterior se comprueba con los métodos de prueba de los numerales 12.1.1 y 12.1.2.
8.5 Acabado
Las superficies interior y exterior del recipiente terminado deben estar uniformes y exentas de defectos que puedan comprometer el uso seguro del recipiente, tales como abolladuras, incisiones o grietas. Además, no debe aparecer ningún cuerpo extraño visible dentro del recipiente (resina, virutas o cualquier otro deshecho).
8.6 Vida útil
El uso de los recipientes Clase III como contenedores de Gas Licuado de Petróleo estará sujeto al cumplimiento, en todo momento, de las especificaciones señaladas en la presente Norma Oficial Mexicana y de las condiciones de seguridad previstas en la Norma Oficial Mexicana referente a las condiciones de seguridad de los recipientes transportables para contener Gas Licuado de Petróleo en uso.
En caso de que la autoridad competente detecte que dicho producto no cumple con los aspectos de seguridad indicados en la normatividad señalada en el párrafo anterior, realizará las acciones necesarias para su retiro del mercado.
9. Marcado
9.1 Especificaciones de marcado permanente
Tratándose de marcado, todos los recipientes transportables deben ser identificados, como mínimo, con la siguiente información:
9.1.1 Información de fabricación
a)    NOM-213-SCFI-2018;
b)    Marca o nombre del fabricante;
c)    País de fabricación;
d)    Mes y año de fabricación del recipiente;
e)    Número de serie, único e irrepetible
9.1.2 Información de tara y capacidades
a)     Capacidad de almacenamiento, en kg;
b)    Tara con aproximación a décimas, en kg, y
c)    Peso bruto con aproximación a décimas, en kg.
9.1.3 Tratándose de recipientes metálicos, la información de marcado descrita en los numerales 9.1.1 y 9.1.2, debe ser identificada en el cuello protector en alto o bajo relieve con caracteres no menores de 6 mm de altura y profundidad mínima de 0.5 mm y máxima de 1.7 mm.
En el caso de la información de tara y peso bruto descritos en el numeral 9.1.2, incisos b) y c), y tratándose de recipientes Clases I y II, éstas podrán ser identificadas mediante una o dos placas rectangulares de acero, con dimensiones mínimas de 70 mm de longitud y 20 mm de altura, adheridas al cuello protector mediante dos puntos de soldadura en los extremos de las mismas, y cuyos caracteres y grabado cumplan con las especificaciones descritas en el párrafo anterior.
Los dos datos descritos en el párrafo anterior deben ubicarse juntos en el mismo lado del cuello protector. El dato correspondiente al inciso c) debe estar en un punto más alto que el inciso b).
Tratándose de recipientes Clase III, la información de marcado descrita en los numerales 9.1.1 y 9.1.2, debe identificarse en la cubierta exterior, mediante estampado permanente en alto o bajo relieve con caracteres no menores de 5 mm de altura.
9.1.4 Espesores de lámina
Tratándose de recipientes Clases I y II, es optativo el marcado de información utilizando embutido en alto o bajo relieve en la sección cilíndrica o casquetes del recipiente, en cuyo caso se debe compensar la profundidad de dicho estampado en el espesor de pared de dicha sección cilíndrica o casquetes, según corresponda, de tal forma que se cumpla con los espesores mínimos señalados para dichos componentes en la presente Norma Oficial Mexicana.
9.2 Marcado optativo de información adicional
En su caso, es permisible la identificación de elementos de información adicionales a los descritos en el numeral 9.1, tales como el nombre, marca comercial o razón social del propietario de los recipientes, o información de carácter comercial. Lo anterior, siempre y cuando dicha identificación cumpla con las especificaciones de marcado permanente señaladas en dicho numeral.
10. Válvula de servicio
Las válvulas de servicio deben cumplir con la Norma Oficial Mexicana NOM-197-SCFI-2017.
En el caso de los recipientes portátiles de cualquier clase, es recomendable que las válvulas de servicio, cuenten con válvula de no retroceso.
La comprobación de las especificaciones de la válvula de servicio se hará mediante certificado en el que se ostente el cumplimiento de la Norma Oficial Mexicana NOM-197-SCFI-2017, en términos de lo dispuesto en el PEC de la presente Norma Oficial Mexicana.
10.1 Instalación
La válvula de servicio debe instalarse en el medio cople del recipiente aplicando sellador para su roscado, y utilizando una herramienta que no maltrate a la válvula durante el torque.
10.1.1 Sellador
El sellador debe aplicarse en la unión de la rosca macho de la válvula con el medio cople del recipiente, de tal forma que se garantice el cierre hermético de la rosca. Lo anterior debe comprobarse mediante la prueba de hermeticidad descrita en el numeral 12.1.4.
Queda prohibido el uso de pasta de litargirio y glicerina o pintura como sellador.
Para recipientes Clase III, tipos B y C, el uso de sellador puede omitirse de acuerdo a las especificaciones del fabricante.
10.1.2 Torque
Para recipientes Clases I y II el torque para la instalación de la válvula de servicio debe ser como mínimo de 113 Nm. El par máximo permisible será de 226 Nm.
Para recipientes Clase III la válvula de servicio debe instalarse según las instrucciones del fabricante y con el torque especificado por éste.
En todos los casos debe inspeccionarse visualmente la orientación de la válvula de servicio para asegurar que permita su operación, así como el que la válvula de seguridad y la conexión de salida no se encuentren golpeadas o deformadas.
11. Muestreo
Para efectos de la realización de las pruebas descritas en el numeral 12, se debe seleccionar en forma aleatoria una muestra de recipientes transportables conforme a lo dispuesto en la Tabla 9, según corresponda a ensayos de certificación de modelo, n1, o a ensayos de producción, n2.
La certificación de modelo referida en el párrafo anterior, debe realizarse en términos de lo dispuesto en el PEC descrito en el capítulo 13. Para la realización de las pruebas, el solicitante debe poner a disposición del organismo de certificación o laboratorio de pruebas, según sea el caso, un lote muestra de al menos 50 recipientes y que sea representativo del modelo a certificar.
Tabla 9 - De muestra para la realización de pruebas
 
Método de prueba
Tipo de recipiente
n1 (ensayos de
certificación de
modelo)
n2 (ensayos de
producción)
12.1.1 Prueba de capacidad volumétrica
Clases I, II y III
2
1 por cada lote < 500
12.1.2 Prueba de tara
Clases I, II y III
2
1 por cada lote < 200
12.1.3 Prueba hidráulica o neumática
Clases I, II y III
3
100 %
12.1.4 Prueba de hermeticidad
Clases I, II y III
1
100 %
12.1.5 Prueba de resistencia a ciclos de presión
Clases I, II y III
2
--
12.1.6 Prueba de resistencia en alta presión
Clases I, II y III
3
1 por cada lote < 500
12.2.1 Prueba de espesor de lámina
Clases I y II
1
1 por cada lote < 200
12.2.2 Prueba de resistencia a la tensión en soldaduras a
Clases I y II
2
1 por cada lote < 200
12.2.3 Prueba de doblez a
Clases I y II
1
1 por cada lote < 200
12.2.4 Prueba de radiografiado
Clases I y II
2
1 por cada lote < 50
12.2.5 Prueba de expansión volumétrica
Clases I y II
2
1 por cada lote < 200
12.3.1 Pruebas de protección anti-corrosiva a
Clase I
2
--
12.4.1 Prueba de exposición a temperatura elevada
Clase III
1
--
12.4.2 Prueba de hendiduras
Clase III
2
--
12.4.3 Prueba de permeabilidad b
Clase III
1
--
12.4.4 Prueba de agua en ebullición c
Clase III
1
--
12.4.5 Prueba de resistencia al fuego
Clase III
2
--
12.4.6 Prueba de caída
Clase III
2
--
12.4.7 Prueba de torque
Clase III
1
--
12.4.8 Prueba de resistencia a la tensión, fluencia y alargamiento en la lámina
Clases I y II
1
1 por cada lote < 200
 
a. Las n1 y n2, de estas pruebas corresponden a probetas tomadas de las muestras.
b. Aplicable únicamente a recipientes sin forro o con forro no metálico.
c. Aplicable únicamente a recipientes sin forro, fabricados a partir de dos mitades unidas entre sí.
Las pruebas a realizar podrán ser efectuadas en uno o varios recipientes de tal forma que se cumpla con el número de ensayos requeridos.
Para efectuar las pruebas descritas en la Tabla 9, podrán utilizarse los mismos especímenes siempre que las pruebas realizadas previamente no alteren las características físicas que se requieran en el espécimen, para la realización de otras pruebas.
En caso de requerirse llevar a cabo una verificación en términos de lo dispuesto en la Ley Federal sobre Metrología y Normalización, las muestras de recipientes podrán obtenerse a partir de lo dispuesto en la Tabla 9, o en su caso, determinarse de acuerdo con las disposiciones previstas en las Normas Mexicanas NMX-Z-012-1-1987, NMX-Z-012-2-1987 y NMX-Z-012-3-1987.
12. Métodos de prueba
Para la realización de las pruebas descritas en este numeral, el solicitante debe poner a disposición del organismo de certificación o laboratorio de pruebas, según sea el caso, la muestra de recipientes seleccionada según se indica en el capítulo 11. Las especificaciones técnicas del recipiente, incluyendo planos de diseño, memorias técnicas, especificaciones y propiedades de los materiales, así como la descripción de los procedimientos de fabricación y tratamiento térmico, se deben proporcionar al organismo de certificación de producto, o la DGN, conforme al PEC descrito en el capítulo 13.
Los instrumentos de medición, equipos y dispositivos que se indican en la presente Norma Oficial Mexicana, representan los requisitos mínimos para la aplicación de las pruebas y pueden sustituirse por otros equivalentes que permitan obtener el resultado de la prueba en las unidades o valores que se especifican.
12.1 Pruebas aplicables a recipientes Clases I, II y III
12.1.1 Prueba de capacidad volumétrica
a) Aparatos y/o equipo
·   Báscula con el alcance necesario para realizar la medición y con división mínima de 0.10 kg;
·   Matraz aforado de 1 dm3 de capacidad, y
·   Balanza con capacidad mínima de 2 kg y con división mínima de 1 g.
b) Procedimiento
i.     Se toma un recipiente de la muestra, debiéndose identificar la tara marcada en el mismo.
ii.     Posteriormente, se llena el recipiente con agua y se determina el peso específico del agua mediante el matraz aforado y la balanza.
iii.    Finalmente, se calcula el volumen de agua por diferencia de peso.
c) Criterios de aceptación
La capacidad volumétrica del debe cumplir con lo indicado en el numeral 5.2.
12.1.2 Prueba de tara
a) Aparatos y/o equipo
·   Báscula con el alcance necesario para realizar la medición y con división mínima de 0.10 kg.
b) Procedimiento
i.     Se toma un recipiente de la muestra, debiéndose identificar el peso marcado en el mismo.
ii.     Posteriormente, se obtiene la tara del recipiente mediante la báscula.
c) Criterios de aceptación
La tara real del recipiente no debe diferir por más de un 1 % de la especificación de tara establecida en el plano de diseño correspondiente, e identificada en el recipiente conforme a lo dispuesto en el numeral 9.1.2.
12.1.3 Prueba hidráulica o neumática
Esta prueba debe realizarse, ya sea con presión hidrostática o con presión neumática, después de haberse aplicado el tratamiento térmico al recipiente metálico, o el proceso de curado al recipiente de material compuesto, según corresponda.
a) Aparatos y/o equipo
 
·   Dispositivo hidráulico o neumático que proporcione una presión de 3.33 MPa (34.0 kgf/cm2);
·   Manómetro con el alcance necesario para realizar la medición y con resolución mínima de 0.098 MPa (1 kgf/cm2);
·   Cámara de prueba blindada, en el caso de que la prueba a realizar sea neumática,
·   Cronómetro con resolución de al menos 1 s.
b) Procedimiento
i.     En caso de utilizar presión hidrostática, el recipiente se debe presurizar internamente hasta llegar a 3.33 MPa (34.0 kgf/cm2), manteniéndose esta presión durante 30 s como mínimo.
ii.     En caso de utilizar presión neumática, el recipiente se coloca dentro de una cámara de prueba blindada.
iii.    Posteriormente, se eleva la presión interna del recipiente a 3.33 MPa (34.0 kgf/cm2) y se mantiene la misma por un tiempo mínimo de 10 s.
iv.    Finalmente, se reduce la presión a 1.66 MPa (17.0 kgf/cm2), retirándose el recipiente de la cámara blindada y se sumerge en agua para detectar cualquier posible fuga.
c) Criterios de aceptación
El recipiente no debe presentar fugas o deformación permanente visible. Tratándose de recipientes Clase III y para efectos de la prueba, la ruptura de resina no debe ser considerada como deformación permanente.
12.1.4 Prueba de hermeticidad
Esta prueba debe realizarse a recipientes con válvula de servicio instalada conforme a lo dispuesto en el capítulo 10.
a) Aparatos y/o equipo
·   Dispositivo neumático que proporcione una presión de 0.69 MPa (7.0 kgf/cm2);
·   Manómetro con el alcance necesario para realizar la medición y con resolución mínima de 0.098 MPa (1 kgf/cm2);
·   Depósito con agua con capacidad de al menos 50 L;
·   Conexión flexible (manguera de alta presión) capaz de soportar una presión de 0.69 MPa (7.0 kgf/cm2), y
·   Cronómetro con resolución de al menos 1 s.
b) Procedimiento
i.     Se toma el recipiente y se conecta al dispositivo neumático a través de la válvula de servicio, utilizando la conexión flexible para presurizarlo hasta alcanzar una presión mínima de 0.69 MPa (7.0 kgf/cm2), una vez alcanzada esta presión (verificada a través de la lectura de un manómetro) se procede a cerrar la válvula de servicio para después desconectar el dispositivo neumático del recipiente.
ii.     Una vez presurizado el recipiente se le sumerge en un depósito con agua y se procede a revisar las uniones soldadas y el acoplamiento de medio cople-válvula de servicio, verificando que no se presenten fugas de aire.
c) Criterios de aceptación
El recipiente no debe presentar fuga alguna, particularmente en el área del medio cople.
12.1.5 Prueba de resistencia a ciclos de presión
En el caso de los recipientes Clase I, esta prueba es obligatoria únicamente para aquellos construidos con casquetes de forma diferente a los semiesféricos o semielípticos.
En el caso de los recipientes Clase II, esta prueba es obligatoria conforme a lo establecido en el numeral 7.2.4.
a) Aparatos y/o equipo
·   Dispositivo hidráulico que proporcione una presión de 3.33 MPa (34.0 kgf/cm2);
·   Manómetro con el alcance necesario para realizar la medición y con resolución mínima de 0.098 MPa (1 kgf/cm2);
·   Cronómetro con resolución de al menos 1 s;
·   Contador de ciclos, y
·   Termopar para superficie con registrador de lectura, con alcance de medición superior a 323 K (50 °C) y resolución de al menos 1 K (1 ºC).
b) Procedimiento
i.     Se conecta el recipiente a un dispositivo que permita incrementos y reducciones de presión a velocidad controlada, así como la suspensión automática de la prueba en caso de que el recipiente falle, ya sea por fuga o por ruptura.
ii.     Utilizando un líquido no corrosivo, se somete el recipiente a alternancias sucesivas de presión, cuya frecuencia no exceda los 0.25 Hz (15 ciclos/min). La presión cíclica máxima debe ser igual a 3.33 MPa (34.0 kgf/cm2), mientras que la presión cíclica mínima no debe exceder de 0.29 MPa (3 kgf/cm2).
iii.    La prueba debe realizarse a temperatura ambiente. La temperatura sobre la superficie exterior del recipiente no debe exceder de 323 K (50 °C) y debe permanecer controlada, midiéndose al menos dos veces al día.
iv.    Una vez finalizada la prueba, el recipiente debe ser destruido.
c) Criterios de aceptación
El recipiente debe ser capaz de soportar al menos 12 000 ciclos, sin presentar fallas por ruptura o fuga.
12.1.6 Prueba de resistencia en alta presión
a) Aparatos y/o equipo
·   Dispositivo hidráulico que proporcione una presión de 6.67 MPa (68.0 kgf/cm2);
·   Manómetro con el alcance necesario para realizar la medición y con resolución mínima de 0.098 MPa (1 kgf/cm2), y
·   Cronómetro con resolución de al menos 1 s.
b) Procedimiento
i.     El dispositivo hidráulico, junto con el manómetro, se acoplan al recipiente y se procede a aumentar gradualmente la presión interna hasta alcanzar los 6.67 MPa (68.0 kgf/cm2), debiendo mantenerse esta última durante 30 s como mínimo.
ii.     Una vez concluida la prueba, el recipiente debe ser destruido.
c) Criterios de aceptación
El recipiente no debe presentar ruptura o separación de unión alguna.
12.2 Pruebas aplicables a recipientes Clases I y II
12.2.1 Prueba de espesor de lámina
a) Aparatos y/o equipo
Equipo de ultrasonido para medición de espesores por contacto con pulso-eco de haz recto, con resolución no menor a 0.02 mm.
 
b) Procedimiento
Mediante el equipo de ultrasonido se efectúan cinco mediciones en cada sección del recipiente en forma equidistante, incluyendo, en su caso, el cuello protector y la base de sustentación.
c) Criterios de aceptación
El espesor de la lámina no debe ser menor a lo especificado en los numerales 6.5.2 y 7.2.5, según corresponda a la clase de recipiente (de acero al carbono, o de acero microaleado y acero inoxidable, respectivamente).
12.2.2 Prueba de resistencia a la tensión en soldaduras
a) Aparatos y/o equipo
·   Máquina de ensayos universales para pruebas de tensión.
b) Procedimiento
i.     Se corta una muestra del recipiente, debiendo tomarse sobre el cordón de soldadura longitudinal, en caso de recipientes con sección cilíndrica y casquetes, o sobre el cordón de soldadura circunferencial, en caso de recipientes fabricados a partir de dos semicápsulas.
ii.     Posteriormente, se preparan y prueban las muestras obtenidas de acuerdo a lo indicado en la Norma Mexicana NMX-B-80-1978.
iii.    Para la preparación de probetas se debe considerar el tipo de soldaduras utilizadas en la fabricación del recipiente (ver Figura 9).
c) Criterios de aceptación
La muestra es aceptada si la resistencia a la tensión de la soldadura es, cuando menos, la misma del material base utilizado para la fabricación del recipiente. En caso de que por alguna causa falla la prueba o si existe evidencia de que la falla se debió a discontinuidades en la soldadura, deberán tomarse dos recipientes adicionales. Si de esta segunda muestra falla alguna, el lote deberá de ser rechazado.
12.2.3 Prueba de doblez
a) Aparatos y/o equipo
·   Prensa con dispositivo para doblez o máquina universal para ensayos.
b) Procedimiento
i.    Se corta una muestra del mismo recipiente utilizado para la prueba descrita en el numeral 12.2.2, debiendo tomarse sobre el cordón de soldadura longitudinal, en caso de recipientes con sección cilíndrica y casquetes, o sobre el cordón de soldadura circunferencial, en caso de recipientes fabricados a partir de dos semicápsulas.
ii.   Posteriormente, se preparan y prueban las probetas obtenidas de acuerdo con lo indicado en el numeral 12.2.6.
iii.   Para la preparación de probetas deben considerarse el tipo de soldaduras utilizadas en la fabricación del recipiente (ver Figura 9).
c) Criterios de aceptación
Los descritos en la correspondiente prueba de doblado señalada en el numeral 12.2.6.3.
12.2.4 Prueba de radiografiado
a) Aparatos y/o equipo
Equipo para radiografiado que puede constar de tubo de rayos X, fuente radioactiva, radiografía digital, radioscopia o fluoroscopia.
El personal que se utilice para realizar el proceso de radiografiado o fluoroscopia, debe estar calificado conforme a procedimientos internos de control de calidad del fabricante o prestador de servicio, según sea el caso.
b) Procedimiento
i.     La radiografía debe ser tomada a una soldadura terminada y debe incluir 5.8 cm en ambas direcciones del cordón circunferencial y, en su caso, con la intersección de la soldadura longitudinal, incluyendo cuando menos 15.3 cm de ésta (ver Figura 16).
ii.     Las irregularidades que existan en la soldadura de las uniones a radiografiar, tanto internas como externas, deben ser removidas por el medio mecánico más conveniente, con el fin de evitar sombras en la radiografía que conduzcan a considerarla como rechazable.

Figura 16- Zonas a radiografiar
iii.    En caso de que la prueba requiera el uso de película radiográfica, debe realizarse conforme a lo indicado en la Norma Mexicana NMX-B-086-1991.
c) Criterios de aceptación
Las soldaduras mostradas en radiografías no serán aceptables si presentan cualquiera de las siguientes imperfecciones:
i. Zonas con falta de fusión o penetración;
ii. Cualquier tipo de fractura o rotura;
iii. Cualquier inclusión de escoria alargada en la soldadura, no incluyendo los refuerzos, si la longitud de la discontinuidad es mayor que 1/3 T, donde T es el espesor de la soldadura (el espesor de la soldadura incluye el refuerzo máximo permisible de la soldadura de acuerdo con esta NOM; ver punto 6.6.4, inciso b.);
iv. Cualquier grupo de inclusiones de escoria o cavidades en línea que tengan una longitud agregada mayor que T dentro de una longitud de 12 veces T. Las agrupaciones de las imperfecciones se definen como aquellos en los que la distancia entre las imperfecciones sucesivas no excede seis veces la longitud de la imperfección más larga;
NOTA: Una indicación alargada se define como aquella indicación que tiene una longitud mayor a tres veces su ancho.
Para indicaciones redondeadas se aplican los siguientes criterios de evaluación:
a)   El tamaño máximo permisible de una indicación redondeada es de 1/3 T donde T es el espesor de la soldadura. El espesor de la soldadura incluye el refuerzo de la soldadura, que se limita a 1.6 mm (1/16 in.) o la mitad del espesor de la placa que se está soldando, lo que sea menor.
 
b)   Los diámetros acumulados permisibles de indicaciones redondeadas en línea, son aquellos que no tienen más de una longitud agregada de T, dentro de cualquier longitud de 12 veces T. Las indicaciones redondeadas relevantes deben estar separadas por al menos una distancia de T.
c)   Indicaciones no relevantes son aquellas de tamaño tal, que no necesitan ser consideradas en la evaluación de aceptación o rechazo. Indicaciones menores a 0.8 mm (1/32 in.) de tamaño son consideradas no relevantes, excepto en la evaluación de grupos de porosidad.
d)   Los grupos de porosidad que se componen de una combinación de indicaciones relevantes y no relevantes, o en su totalidad de indicaciones no relevantes son aceptables, siempre que haya menos de diez indicaciones aisladas en una longitud de 2 T y la longitud total de las agrupaciones no excede 4 T en una longitud de 152 mm (6 in.).
v.     Cualquier inclusión de escoria o cavidades que existan en el refuerzo de la soldadura abiertos hacia la superficie.
NOTA: Las indicaciones redondeadas son definidas como aquellas con una longitud menor que tres veces su ancho, y éstas pueden ser circulares, elípticas o de forma cónica y pueden ser originadas por porosidad o inclusiones de escoria o tungsteno en la soldadura.
12.2.5 Prueba de expansión volumétrica
a) Aparatos y/o equipo
Los que se indican en la Norma Mexicana NMX-X-15-1981.
b) Procedimiento
i.     Se toma el recipiente y se realiza la prueba conforme a lo indicado en la Norma Mexicana NMX-X-15-1981, debiendo aplicarse una presión hidrostática de 3.33 MPa (34.0 kgf/cm2) durante 30 s.
ii.     Para la determinación del resultado de esta prueba es válido utilizar cualquier otro método siendo necesario señalar su procedimiento, debiendo aplicarse la presión hidrostática y el tiempo señalados en el párrafo anterior.
c) Criterios de aceptación
El recipiente no debe presentar, al terminar la prueba, una deformación permanente mayor al 10 % del volumen de agua que provoca dicha deformación, ni presentar fugas durante el transcurso de la prueba.
12.2.6 Prueba de Doblez Guiado
12.2.6.1 Método de preparación
a) Juntas a Tope (doblez de raíz y doblez de cara)
La probeta debe ser preparada de acuerdo con la Figura 17.
La probeta debe de ser enderezada.

Figura 17 - Probeta de doblez guiado
 
NOTA 1: Se debe asegurar que cuando la probeta sea cortada por medios que generen calor, el calor del corte no altere ni afecte la zona soldada.
NOTA 2: El refuerzo de la soldadura y las soleras de respaldo (T), si fuera el caso, deben ser removidos al ras de la superficie de la probeta de prueba antes o después de la prueba de doblez.
NOTA 3: Para dimensiones y tolerancias aplique la Tabla 10.
NOTA 4: Los valores de la Figura 17, corresponden a la siguiente Tabla:
 
Espesor de la probeta
Longitud (L)
mm
Ancho (W)
mm
Radio
mm
Hasta 1.52 mm
100 t
25 t
1.6
1.52 mm y mayores
152 mínimo
38.1
 
b) Juntas de traslape o de engargolado (doblez de raíz)
Una probeta de soldadura transversal debe prepararse con el refuerzo de soldadura removido. Para las juntas a tope de engargolado que van a ser probadas sobre el dispositivo estandarizado para la prueba de doblez guiado, el material base del engargolado debe ser retirado al ras de la raíz de la soldadura para obtener la configuración mostrada en la figura para probeta de doblez guiado. La probeta debe de ser enderezada.
12.2.6.2 Método de prueba
a) Juntas a tope
La probeta debe ser probada en un dispositivo de prueba estandarizado como se muestra en la Figura 18 o en un dispositivo de prueba para doblez guiado alternante como se muestra en la Figura 19. Los métodos de prueba representativos para la prueba de doblez alternante se muestran en los croquis A, B, C y D de la Figura 20.

Figura 18 - Dispositivo estandarizado para doblez guiado
NOTA: Para dimensiones y tolerancias aplique la Tabla 10.
Cuando se realice la prueba en el dispositivo estandarizado de doblez guiado, la probeta debe ser colocada en el dispositivo con la soldadura centrada entre los rodillos de los hombros del dispositivo. Las probetas de doblez de cara deben ser colocadas con la cara de soldadura hacia la abertura entre los hombros del dispositivo, de tal manera que posterior a la prueba, la cara de la soldadura se encuentre en la zona convexa de la probeta, las probetas de raíz deben seguir el mismo procedimiento asegurándose que la raíz de la soldadura quede en la zona convexa de la probeta después de la prueba. La probeta debe ser forzada hacia adentro del dispositivo aplicando carga sobre el émbolo de prueba hasta que la curvatura de la probeta
sea tal que no se pueda insertar un alambre de 0.794 mm entre el dispositivo y la probeta.
Cuando se realice la prueba con el dispositivo de doblez alternante, la probeta debe doblarse transversal a la soldadura tal como se muestra en los croquis C y D de la Figura 20. La probeta de prueba de doblez de cara debe colocarse con la cara de la soldadura dirigida hacia la parte exterior del dispositivo y la probeta de doblez de raíz debe colocarse con la raíz de la soldadura dirigida hacia la parte exterior del dispositivo. En cualquier caso, la zona a evaluar debe quedar en la zona convexa de la probeta después de la prueba. La probeta debe doblarse completamente alrededor del rodillo del dispositivo.

Figura 19 - Dispositivo estandarizado para doblez alternante
b) Juntas de traslape
La probeta debe ser probada en un dispositivo de doblez alternante (ver Figura 19). La probeta debe ser doblada transversal a la soldadura tal como se muestra en los croquis A y B de la Figura 20 y debe cumplir con los requerimientos de elongación de la especificación aplicable.
c) Junta de engargolado
La probeta puede ser probada en el dispositivo estandarizado para doblez guiado (ver Figura 18) o en el dispositivo estandarizado de doblez alternante (ver Figura 19). Cuando sea probado en el dispositivo estandarizado para doblez guiado, la probeta debe colocarse con la raíz de la soldadura dirigida hacia la abertura entre los hombros del dispositivo. La probeta debe ser forzada hacia adentro del dispositivo aplicando carga sobre el émbolo de prueba hasta que la curvatura de la probeta sea tal que no se pueda insertar un alambre de 0.794 mm entre el dispositivo y la probeta. Cuando se pruebe en un dispositivo de doblez alternante debe ser transversal a la soldadura tal como se muestra en los croquis C o D de la Figura 20.
 

Figura 20 - Métodos de prueba representativos para la prueba de doblez alternante
12.2.6.3. Criterios de aceptación
a) Juntas a tope
La superficie convexa de la probeta debe ser examinada para detectar la aparición de fracturas u otros defectos abiertos. Cualquier probeta que muestre fracturas u otros defectos que excedan de 3.18 mm medido en cualquier dirección después del doblez, debe ser considerado como rechazado. Fracturas que ocurran en las esquinas de las probetas durante la prueba no deben ser consideradas en este criterio, a menos que se muestre evidencia definitiva de que son resultado de inclusiones de escoria u otros defectos internos. La evidencia de defectos ocurridos derivados de discontinuidades de la soldadura requerirá la prueba de dos cilindros adicionales del mismo lote. Si cualquiera de los dos cilindros adicionales falla se considera el lote rechazado.
b) Juntas de traslape o de engargolado
La soldadura debe examinarse para detectar la aparición de fracturas u otros defectos abiertos. Cualquier probeta que muestre fracturas u otros defectos que excedan de 3.18 mm medido en cualquier dirección después del doblez, debe ser considerado como rechazado. Fracturas que ocurran en las esquinas de las probetas durante la prueba no deben ser consideradas en este criterio, a menos que se muestre evidencia definitiva de que son resultado de inclusiones de escoria u otros defectos internos. La evidencia de defectos ocurridos derivados de discontinuidades de la soldadura requerirá la prueba de dos cilindros adicionales del mismo lote. Si cualquiera de los dos cilindros adicionales falla se considera el lote rechazado.
12.2.7 Prueba de fractura a la raíz
a) Método de preparación
La probeta debe ser preparada de tal manera que contenga al menos 25.4 mm de soldadura y cuando sea posible debe incluir 76.2 mm de metal base a cada lado.
b) Método de prueba
La probeta debe fracturarse en la raíz de la junta soldada por medios adecuados. Si la probeta no se fractura en la raíz de la junta soldada, se puede sustituir por la prueba de macro-ataque.
 
c) Criterios de aceptación
La examinación de la superficie de la soldadura fracturada no debe mostrar fracturas ni faltas de fusión. La porosidad e inclusiones de escoria se consideran aceptables cuando:
i.     El ancho de cualquier inclusión de escoria paralela a la superficie de la placa de la probeta no es mayor a un medio del ancho de la soldadura donde se encuentre ubicada la inclusión de escoria;
ii.     El espesor total de todas las inclusiones de escoria no es mayor al 10 % del espesor de la placa, en cualquier plano en un ángulo aproximadamente recto a la superficie de la placa; o,
iii.    Existan porosidades que no excedan en su dimensión mayor al 10 % del espesor de la placa y cuando no existan más de seis poros de esa dimensión máxima en un área de 6.5 cm2, de soldadura.
12.2.8 Prueba de macro-ataque
12.2.8.1 Método de preparación
a) Juntas
La probeta debe ser preparada para contener al menos 38.1 mm de metal base a cada lado del centro de la junta soldada. La probeta debe ser cortada en la dirección de la longitud de la soldadura.
b) Coples y Parches
La probeta debe ser preparada por corte del cople o parche a través de su centro. La probeta debe extenderse hacia el metal base 12.7 mm mínimo de cada lado de la soldadura. La probeta puede ser cortada en dos partes iguales para facilitar su manipulación.
c) Accesorios
La probeta debe prepararse mediante un corte en ángulo recto en una sección de la junta soldada. Esta debe incluir al menos 12.7 mm del material base a cada lado de la junta soldada y 25.4 mm del material del accesorio. La sección a través de la junta debe ser preparada y macro-atacada con un reactivo adecuado para mostrar debidamente el contorno de la soldadura.
d) Criterios de aceptación
La soldadura de la probeta macro-atacada debe ser examinada visualmente para verificar la penetración en la raíz y la fusión en ambos miembros de la soldadura.
El contorno de la soldadura debe ser evaluado. Para juntas, coples y accesorio, el contorno de la soldadura debe ser convexo o plano.
El tamaño de la junta debe ser dimensionado para determinar el cumplimiento con los requerimientos de diseño.
Tabla 10 - Tolerancias para los ensayos de doblez
 
Tabla de Tolerancias
Fracción
±1.6 mm
Decimal
±0.30 mm
Grados (angular)
± 1 Grado
 
12.3 Pruebas aplicables a recipientes Clase I
12.3.1 Pruebas de protección anti-corrosiva
El sistema de aplicación de pintura utilizado en recipientes de acero al carbón o de acero microaleado debe ser calificado mediante la aplicación de pruebas de corrosión por niebla salina. Ambas pruebas deben aplicarse a probetas rectangulares obtenidas a partir de la lámina con que sean fabricados los recipientes.
a) Procedimiento
i.     Para la prueba de corrosión por niebla salina, se estará a lo establecido en la Norma Mexicana NMX-X-045-SCFI-2008, debiendo aplicarse un periodo de prueba mínimo de 350 h.
ii.     Para la prueba de resistencia al intemperismo acelerado, se estará a lo establecido en la ASTM D-1014-18.
b) Criterios de aceptación
La comprobación del cumplimiento con este numeral, se hará mediante el certificado en el que se ostente el cumplimiento de las Normas Mexicanas señaladas en i. y ii. del inciso a) en términos de lo dispuesto en el Procedimiento para la evaluación de la conformidad de la presente Norma Oficial Mexicana.
12.4 Pruebas aplicables a recipientes Clase III
12.4.1 Prueba de exposición a temperatura elevada
a)    Aparatos y/o equipos
·  Dispositivo hidráulico que proporcione una presión de 3.33 MPa (34.0 kgf/cm2);
·  Manómetro con el alcance necesario para realizar la medición y con resolución mínima de 0.098 MPa (1 kgf/cm2);
·  Termómetro con alcance mínimo de medición de 323 K (50 °C) y resolución de al menos 2 K (2 °C);
·  Horno de fuego indirecto con control de humedad que alcance una temperatura de 353 K (80 °C), y
·  Indicador de tiempo.
b)    Procedimiento
i.    Tratándose de recipientes diseñados para una vida de servicio de hasta 20 años, se somete una muestra a una presión hidráulica de 3.33 MPa (34.0 kgf/cm2) y se mantiene la misma durante 1 000 h. Dicho proceso debe llevarse a cabo a una temperatura de 343 ± 5 K (70 ± 5 °C) con una humedad relativa no mayor de 50 %.
ii.   En caso de recipientes diseñados para una vida de servicio mayor de 20 años, el periodo de prueba descrito en el párrafo anterior debe ser de 2 000 h.
iii.   Finalmente, el recipiente debe someterse a la prueba de resistencia en alta presión, descrita en el numeral 12.1.6.
c) Criterios de aceptación
El recipiente no debe presentar ruptura o separación de fibras o de unión alguna, durante o después de haber sido sometido a la prueba de resistencia en alta presión.
12.4.2 Prueba de hendiduras
a) Aparatos y/o equipo
·  Cuchilla de acero de alto carbono templado, de 1 mm de espesor;
·  Vernier con reglilla de profundidad, o micrómetro de profundidad;
·  Transportador para medición de ángulos con división mínima de 0.0873 rad (5º) y alcance de al menos 3.1416 rad (180°), y
·  Cinta métrica con división mínima de 1 mm y alcance de al menos 1.50 m.
b)    Procedimiento
i.    Se toman dos recipientes y, utilizando la cuchilla, se le hacen dos hendiduras a cada uno en la parte central de los mismos, una longitudinal y otra transversal, a lo largo de dos planos que
formen un ángulo aproximado de pendiente 2.094 rad (120°). En el caso de recipientes sin forro, fabricados a partir de dos mitades unidas entre sí, las hendiduras deben hacerse sobre la superficie del recipiente que no comprenda el área de la unión de las piezas.
ii.   Tratándose de recipientes con forro metálico, las hendiduras deben tener una profundidad de al menos el 50 % del espesor de la pared de material compuesto del recipiente, y una longitud igual a 5 veces dicho espesor.
iii.   Tratándose de recipientes con forro no metálico, o sin forro, las hendiduras deben tener una profundidad de al menos el 40 % del espesor de la pared de material compuesto del recipiente, y una longitud igual a 5 veces dicho espesor.
iv.   Finalmente, uno de los recipientes debe someterse a la prueba de resistencia en alta presión descrita en el numeral 12.1.6, utilizando una presión de 4.0 MPa (40.78 kgf/cm2); y el segundo debe someterse a la prueba de resistencia a ciclos de presión descrita en el numeral 12.1.5, aplicando en este último caso una presión cíclica máxima de 2.0 MPa (20.39 kgf/cm2) y 5 000 ciclos.
c)    Criterios de aceptación
i.    El recipiente sometido a la prueba de resistencia en alta presión no debe presentar ruptura o separación de fibras o de unión alguna, durante o después de la prueba.
ii.    El recipiente sometido a la prueba de resistencia a ciclos de presión debe soportar al menos 1 000 ciclos de presión, sin presencia de fuga, y 5 000 ciclos sin falla por ruptura. La aparición de fuga después de los 1 000 primeros ciclos es aceptable.
12.4.3 Prueba de permeabilidad
Esta prueba aplica únicamente a recipientes sin forro, o con forro no metálico.
a)    Aparatos y/o equipo
·  Dispositivo neumático que proporcione una presión de 2 MPa (20.39 kgf/cm2);
·  Dispositivo hidráulico que proporcione una presión de 2 MPa (20.39 kgf/cm2);
·  Manómetro con el alcance necesario para realizar la medición y con resolución mínima de 0.098 MPa (1 kgf/cm2);
·  Báscula con el alcance necesario para realizar la medición y con división mínima de 0.10 kg;
·  Termómetro con alcance de medición de 293 K (20 °C) y resolución de al menos 1 K (1 °C), y
·  Contador de ciclos.
b) Procedimiento
i.     Previo al inicio de la prueba se somete el recipiente a una presión neumática de 2 MPa (20.39 kgf/cm2).
ii.     Enseguida, se debe comprobar visualmente la inexistencia de fugas (por ejemplo, mediante agua jabonosa o inmersión del recipiente en agua), particularmente en la válvula, el área del medio cople y las uniones del forro. Cualquier fuga debe ser eliminada antes de proceder con la prueba.
iii.    Se procede a despresurizar el recipiente.
iv.    A continuación, se somete el recipiente a 1 000 ciclos hidráulicos desde cero hasta 2 MPa (20.39 kgf/cm2), y posteriormente se procede a pesar el recipiente vacío (registro inicial).
v.     Enseguida, se presuriza el recipiente a 2 MPa (20.39 kgf/cm2) con Gas Licuado de Petróleo, gas propano o con un gas de ensayo que debe tener una permeabilidad equivalente o mayor al Gas Licuado de Petróleo, a una temperatura de 288 K (15 °C). En caso de existir fugas, éstas deben eliminarse. De ser necesario, se pesa el recipiente para determinar el peso del gas contenido.
vi.    Posteriormente, se debe llenar el recipiente hasta 80 % de su capacidad (llenado máximo) y se almacena durante 28 días en un entorno con temperatura y humedad estables, debiendo pesarse el
recipiente al transcurrir los días 1o., 7o., 14o., 21o. y 28o., y graficar la variación en el peso en función del número de días.
vii.   Una vez finalizada la prueba, se vuelve a pesar el recipiente vacío (registro final). La diferencia de peso entre los registros inicial y final se utiliza para determinar el efecto producido por la absorción de humedad.
c) Criterios de aceptación
El índice máximo de pérdida de peso debe ser inferior a 0.25 ml/h por cada litro de capacidad de agua del recipiente.
12.4.4 Prueba de agua en ebullición
Esta prueba aplica únicamente a recipientes sin forro, fabricados a partir de dos mitades unidas entre sí.
a) Aparatos y/o equipo
·   Equipo con sistema de calentamiento de agua que proporcione una temperatura de 373 K (100 °C);
·   Termopar para superficie con registrador de lectura, con alcance de medición superior a 373 K (100 °C) y resolución de al menos 1 K (1 °C), y
·   Indicador de tiempo.
b) Procedimiento
i.     Se toma un recipiente cerrado sin presurizar y se sumerge la totalidad del mismo en agua en ebullición por un periodo de 100 h.
ii.     Finalmente, el recipiente debe someterse a la prueba de resistencia en alta presión descrita en el numeral 12.1.6.
c) Criterios de aceptación
El recipiente no debe presentar ruptura o separación de fibras o de unión alguna, durante o después de la prueba de resistencia en alta presión.
12.4.5 Prueba de resistencia al fuego
a) Aparatos y/o equipo
·   Dispositivo neumático que proporcione una presión de 3.33 MPa (34.0 kgf/cm2);
·   Manómetro con el alcance necesario para realizar la medición y con resolución mínima de 0.098 MPa (1 kgf/cm2);
·   Equipo que proporcione flama directa conforme en el inciso b);
·   Cinta métrica con división mínima de 1 mm y un alcance de 1.50 m;
·   Equipo de sujeción de recipientes o contenedores que permita fijar la muestra de acuerdo al inciso b), y
·   Cronómetro con resolución de al menos 1 s.
b) Procedimiento
i.     Se toman dos recipientes equipados con válvula de servicio cuya válvula de seguridad esté preparada para aperturar entre la presión de prueba y 1.15 veces de dicha presión.
ii.     Se presurizan ambos recipientes con aire o nitrógeno a 2/3 la presión de prueba.
iii.    Posteriormente, se debe producir un fuego con madera o keroseno suficiente para poder envolver completamente cualquiera de los recipientes.
 
iv.    Se coloca uno de los recipientes en posición horizontal, de tal forma que su parte inferior se ubique a aproximadamente 0.10 m de la parte más alta de la hoguera o de la superficie del líquido, según corresponda. El fuego debe envolver toda la longitud del recipiente, pero en ningún caso las llamas deben incidir directamente sobre la válvula o dispositivo de seguridad.
v.     Se coloca el otro recipiente en posición vertical (con la válvula en la parte más alta), de tal forma que su parte inferior se ubique a aproximadamente 0.10 m de la parte más alta de la hoguera o de la superficie del líquido, según corresponda. El recipiente debe estar totalmente expuesto al fuego, pero en ningún caso las llamas deben incidir directamente sobre la válvula o dispositivo de seguridad.
vi.    En caso de que el recipiente sea demasiado largo para que el fuego lo envuelva totalmente cuando se encuentre en la posición vertical, y de que el recipiente no esté equipado con dispositivos de seguridad en los dos extremos, la prueba de resistencia al fuego aplicada al recipiente vertical puede reemplazarse por una segunda prueba en posición horizontal.
vii.   Concluida la prueba, ambos recipientes deben destruirse.
c) Criterios de aceptación
Los recipientes no deben romperse durante un periodo de 2 min contados a partir de la exposición al fuego. Los recipientes podrán vaciarse a través del dispositivo de seguridad, o presentar fugas a través de las paredes del recipiente o de otras superficies.
12.4.6 Prueba de caída
a) Aparatos y/o equipo
·   Cinta métrica con división mínima de 1 mm y un alcance de 1.50 m;
·   Transportador para medición de ángulos con división mínima de 0.0873 rad (5°) y un alcance de 1.571 rad (90°);
·   Placa de acero de al menos 1 m2, de acuerdo con el inciso b);
·   Superficie de concreto armada de al menos 1 m2, de acuerdo con el inciso b);
·   Equipo de medición de líquido, por peso o volumen, tales como báscula con resolución de 10 g y capacidad de al menos 35 kg, o recipiente graduado con divisiones de al menos 10 ml con capacidad de acuerdo al volumen del contenido de la muestra, y
·   Vernier con resolución de al menos 1 milésima de cm.
b) Procedimiento
i.     Se llenan dos recipientes con agua, al 50 % de su capacidad de diseño y se sellan con un tapón hermético que no sobresalga del extremo del recipiente.
ii.     Cada recipiente se debe dejar caer dos veces en cada una de las cinco posiciones que se señalan a continuación e ilustradas en la Figura 17, desde una altura mínima de 1.20 m sobre una lámina de acero plana de un espesor de 10 mm, colocada sobre una superficie plana de cemento con un espesor mínimo de 100 mm. La lámina de acero debe estar en contacto total con el cemento, de tal forma que éste la sujete completamente y no se produzcan diferencias de nivel entre dos puntos cualesquiera de su superficie mayores a 2 mm, en cuyo caso debe ser reemplazada la lámina.
1.     Vertical con el tapón hacia arriba;
2.     En ángulo de 0.7854 rad (45°) con el tapón hacia arriba;
3.     En ángulo de 0.7854 rad (45°) con el tapón hacia abajo;
4.     Vertical con el tapón hacia abajo, y
 
5.     En horizontal
Figura 17 Cinco posiciones
iii.    Después de haberse realizado todas las caídas, se debe observar la apariencia física de los dos recipientes, registrando la ubicación y el tamaño del daño ocasionado por los impactos.
iv.    Finalmente, uno de los recipientes debe someterse a la prueba de resistencia en alta presión descrita en el numeral 12.1.6, y el segundo a la prueba de resistencia a ciclos de presión descrita en el numeral 12.1.5.
v.     Para el caso del primer recipiente, se debe registrar la presión de ruptura, así como la descripción y ubicación de la falla resultante. Para el segundo recipiente, se deben registrar el número de ciclos, la presión cíclica máxima y mínima, la frecuencia de los ciclos, así como la descripción y ubicación de la falla resultante.
vi.    Concluida la prueba, ambos recipientes deben destruirse.
c) Criterios de aceptación
i.     Para el primer recipiente, la presión de ruptura debe ser mayor o igual a la presión de ruptura del recipiente especificada por el fabricante. En caso de recipientes sin forro fabricados en dos piezas unidas entre sí, la ruptura no debe producir la separación en la unión.
ii.      El segundo recipiente debe ser capaz de soportar al menos 12 000 ciclos a la presión de prueba, sin fallas por ruptura o fugas.
12.4.7 Prueba de torque
a)    Aparatos y/o equipo
·  Equipo de sujeción de recipientes o contenedores;
·  Torquímetro con el alcance necesario para realizar la medición y con resolución mínima de 10 Nm, con accesorios;
·  Dispositivo acoplador para sujetar el torquímetro a la válvula;
·  Verificador tipo macho, de acuerdo al tipo de rosca y las especificaciones proporcionadas por el fabricante;
·  Dispositivo neumático que proporcione una presión de 2 MPa (20.39 kgf/cm2), y
·  Depósito con agua con capacidad de al menos 50 L.
 
b)    Procedimiento
i.    Se sujeta el recipiente por el cuerpo para evitar la rotación del mismo.
ii.   Se procede a acoplar la válvula de servicio correspondiente en el medio cople del recipiente, aplicando el torque máximo especificado por el fabricante para su modelo conforme a lo dispuesto en el numeral 10.1.2 más un 30 % de dicho torque máximo. Se retira la válvula y se inspecciona la rosca interior del medio cople utilizando el verificador tipo macho aplicable a dicha rosca.
iii.   Finalmente, se acopla nuevamente la válvula conforme a lo dispuesto en el párrafo anterior y se realiza una prueba de fugas conforme a lo siguiente:
·  Se presuriza el recipiente a 2 MPa (20.39 kgf/cm2);
·  Se mantiene la presión en el recipiente por al menos 2 h, y
·  Se sumerge el recipiente en el depósito con agua y se inspecciona, particularmente el área del medio cople, para asegurar la inexistencia de fugas.
c) Criterios de aceptación
En la inspección realizada mediante el verificador tipo macho, los hilos o cuerdas de la rosca interior del medio cople no deben presentar una deformación o expansión permanente.
De igual forma, el recipiente no debe presentar fugas mayores a 1 burbuja por cada 2 min, durante la prueba de fugas.
12.4.8 Prueba de resistencia a la tensión, fluencia y alargamiento en la lámina
a) Aparatos y/o equipo
Máquina de ensayos universales para pruebas de tensión.
b) Procedimiento
Seleccionar el recipiente después de ser relevado de esfuerzos, de acuerdo a la Tabla 8 de la presente Norma Oficial Mexicana. Las muestras deben tomarse del recipiente seleccionado, como se describe a continuación:
i. En la sección cilíndrica, se toma una muestra longitudinal de esta sección, al menos a 90° del cordón de la soldadura longitudinal (Ver Figura 9).
ii. En el casquete, se toma una muestra de uno de ellos, si ambos son de la misma colada; en caso de ser de diferente colada, se toma una muestra de cada casquete.
iii. Las muestras y la prueba deben prepararse y efectuarse conforme a lo indicado en la Norma Mexicana NMX-B-172-CANACERO-2018 (ver Figura 9).
c) Expresión de resultados
El resultado de las pruebas debe cumplir con lo especificado en la Tabla 4, conforme a lo especificado para cada tipo de material.
12.5 Incumplimiento de criterios de aceptación
Si en la realización de las pruebas descritas en los numerales 12.1 al 12.4, ya sea como ensayos de producción o como ensayos de certificación de modelo, alguno de los recipientes no cumple con los criterios de aceptación correspondientes, se debe identificar la causa del fallo.
Si la causa del fallo es atribuible a la preparación o ejecución de la prueba, o a un error de medición, se debe realizar una segunda prueba al recipiente correspondiente. Si esto no es posible, la prueba se realiza a otro recipiente del mismo lote muestra. En caso de obtenerse resultados satisfactorios, se ignora la primera prueba; en caso contrario, se estará a lo dispuesto en el siguiente párrafo.
Si la causa del fallo es atribuible al recipiente, se deben tomar otras dos unidades del mismo lote muestra en sustitución de dicho recipiente, a efecto de que sean sometidas a la misma prueba en la que ocurrió el fallo. Si alguno de los dos recipientes adicionales incumple los criterios de aceptación, aplicará lo siguiente:
a)   Tratándose de ensayos de producción, se debe verificar la totalidad del lote, aceptándose únicamente aquellos recipientes en los que se cumpla con los criterios de aceptación correspondientes.
b)   Tratándose de ensayos de certificación de modelo, se rechaza la certificación, por lo que se deben identificar y corregir desde el diseño del recipiente las anomalías identificadas, a efecto de someter un nuevo modelo a la totalidad de las pruebas aplicables en términos de la presente Norma Oficial Mexicana.
Los recipientes que sean rechazados en cualquiera de las pruebas descritas en los numerales 12.1 al 12.4, y cuyas anomalías no puedan ser reparadas y reevaluadas satisfactoriamente mediante los métodos de prueba aplicables en términos de lo dispuesto en la presente Norma Oficial Mexicana, deben ser destruidos.
13. Procedimiento para la evaluación de la conformidad (PEC)
13.1 Procedimiento
El presente procedimiento es aplicable a los recipientes portátiles y transportables sujetos a presión para contener gas licuado de petróleo, reabastecibles, con capacidad de almacenamiento nominal de hasta 45 kg, de fabricación nacional o extranjera, que se comercialicen o utilicen en los Estados Unidos Mexicanos para la distribución o expendio al público de dicho petrolífero.
Los recipientes portátiles y transportables sujetos a presión que hayan sido fabricados en el extranjero, deben internarse a los Estados Unidos Mexicanos teniendo ya instalada la válvula de servicio correspondiente.
13.1.1 Fase preparatoria
El cumplimiento de las especificaciones descritas en la presente Norma debe hacerse constar mediante certificado de la conformidad, emitido a partir de la evaluación de la conformidad que se realice a los recipientes tipo portátiles y transportables para contener Gas Licuado de Petróleo. Dicho certificado podrá obtenerse a través de la DGN, en términos de lo dispuesto en el numeral 13.1.2, según corresponda.
Los procedimientos de certificación de la conformidad que instrumenten los organismos de certificación con motivo de la presente Norma, estarán sujetos a la aprobación de la DGN.
El certificado de la conformidad debe emitirse por cada modelo de recipiente, de acuerdo a la clasificación señalada en el capítulo 4 de esta Norma, y podrá incluir una familia de modelos, siempre y cuando ningún modelo de la familia se encuentre en alguno de los supuestos descritos en el siguiente párrafo.
Los modelos de recipientes que constituyan un nuevo modelo, deben ser certificados en términos del presente PEC. Para efectos de lo dispuesto en esta Norma, se considerará que un recipiente corresponde a un nuevo modelo, comparado con un modelo certificado, cuando ocurra cualquiera de los siguientes supuestos, en cualquiera de las clases y tipos señalados en el capítulo 4:
a) El recipiente sea elaborado en una fábrica distinta;
b) El recipiente sea elaborado mediante procedimientos de fabricación distintos, o exista un cambio sustancial en los procedimientos existentes, tales como modificaciones en el tratamiento térmico (relevado de esfuerzos, proceso de curado, etc.), modificaciones en la matriz utilizada en caso de recipientes de materiales compuestos, entre otros;
c) El recipiente sea elaborado mediante procedimientos de soldadura distintos, en caso de recipientes metálicos;
d) El recipiente, o en su caso el forro del mismo, sea elaborado a partir de materiales o fibras distintas, de acuerdo a los rangos de composición química de los mismos, con excepción de la cubierta exterior;
e) La longitud del recipiente incremente más de un 50 %;
f) Se tenga un cambio en el diámetro exterior de más del 2 %;
 
g) Exista un cambio en la forma de los casquetes (tales como cóncava, convexa o hemisférica), en caso de recipientes metálicos;
h) Se modifique más de un 5 % el valor mínimo de resistencia a la tensión garantizado por el fabricante;
i) Se modifique el valor de elongación o límite elástico garantizado por el fabricante, en caso de recipientes metálicos, o
j) Disminuyan los espesores de pared del recipiente, o en su caso del forro.
13.1.2 Fase de Certificación
Para obtener el certificado de la conformidad de los recipientes tipo transportable para contener Gas Licuado de Petróleo, se debe estar a lo siguiente:
a)    Para obtener el certificado de la conformidad por parte de la DGN, el interesado debe cumplir con los requisitos que establece el Registro Federal de Trámites y Servicios. De igual manera, los organismos de certificación pueden requerir la documentación listada en dicho Registro.
b)    Para efectos del inciso anterior, el interesado debe cumplir con las especificaciones señaladas en la presente Norma, incluyendo los planos y especificaciones técnicas del modelo de recipiente o de la familia de modelos, según corresponda, en las que se incluya la descripción y comprobación de la totalidad de los requisitos técnicos requeridos en esta Norma de acuerdo a su clasificación, incluyendo certificados, memorias técnicas, fotografías, descripción de materiales, especificaciones del proceso de fabricación, tratamiento térmico o de curado, según corresponda, e información de marcado. Los planos deben estar acotados y contener las dimensiones y tolerancias del recipiente terminado y de cada uno de los componentes y aditamentos.
c)    Original o copia simple de los certificados de origen del acero, o de las resinas, según sea el caso, y del material de fabricación del medio cople, los cuales deben contener como mínimo: nombre y dirección del fabricante, propiedades físico-químicas, fecha y lote de fabricación, además de la referencia a la normatividad aplicable.
d)    Original o copia simple de los certificados de calidad de los siguientes materiales:
·  Soldadura
·  Fundente
·  Pintura
e)    Original o copia simple del certificado de producto de la válvula de servicio, de conformidad con la NOM-197-SCFI-2017.
f)     El informe de resultados de las pruebas aplicables al recipiente a certificar descritas en el capítulo 12, de acuerdo a su clasificación. El informe de resultados tiene una vigencia de 90 días naturales a partir de la fecha de emisión para efectos de la solicitud de certificación. El interesado debe obtener el listado completo de los laboratorios de prueba aprobados en el campo de aplicación de esta NOM, mismo que podrán consultar en los sitios de internet http://www.gob.mx/se/acciones-y-programas/competitividad-y-normatividad-normalizacion?state=published y/o a través de la página https://www.sinec.gob.mx Los recipientes podrán ser seleccionados por la DGN o por el organismo de certificación, según corresponda, durante la visita previa a planta y antes de la realización de dichas pruebas.
g)    Para obtener el certificado del sistema de gestión de la calidad, el interesado deberá contactar directamente a los organismos de certificación de sistemas de gestión de la calidad y cumplir con los requisitos aplicables a dicha certificación.
h)    Los certificados de la conformidad serán otorgados al solicitante, previo cumplimiento de los requisitos a que se refiere en los numerales 13.1.1 y 13.1.2.
13.1.3 Procedimiento y tipos de certificación
Los procedimientos para la certificación y verificación de la presente Norma Oficial Mexicana serán realizados conforme a las siguientes modalidades:
M 1 - Certificación con verificación y seguimiento, mediante pruebas periódicas;
M 2 - Certificación con verificación y seguimiento, mediante el sistema de gestión de la calidad de la línea de producción;
M 3 - Certificación por lote.
La certificación por lote será posible, siempre y cuando haya una identificación única por cada modelo de producto que conforme dicho lote. Para la certificación por lote, es necesario realizar un muestreo previo para seleccionar la muestra de producto que será enviada a pruebas de laboratorio. La certificación bajo esta modalidad será para lotes máximos de 500 recipientes. A los certificados emitidos bajo esta modalidad, no les aplican los ensayos de producción (n2), indicados en la Tabla 9 de la presente Norma.
13.1.4 Visita previa a planta
Para obtener el certificado debe efectuarse la visita previa a planta, en la cual se revisarán las especificaciones establecidas en la presente Norma, así como la estructura e infraestructura técnica para la fabricación de recipientes de acuerdo a la clasificación en 4. Durante la visita previa a planta, se realizará el muestreo de productos conforme a lo dispuesto en el capítulo 11.
13.1.5. Pruebas de laboratorio
Las pruebas referidas en el capítulo 12 deben ser realizadas en laboratorios de pruebas a los productos seleccionados durante la visita previa a planta, en caso de efectuarse ésta, a partir de los tamaños de muestra n1 señalados en el capítulo 11 para los ensayos de certificación de modelo. En caso de incumplimiento de los criterios de aceptación de las pruebas, se estará a lo dispuesto en el numeral 12.5.
13.1.6 Vigencia del Certificado
La vigencia del certificado de la conformidad será la que a continuación se describe y estará sujeta al cumplimiento en todo momento de las especificaciones y disposiciones señaladas en la presente NOM:
a)    Para los certificados que se emitan de acuerdo con M1, será de un año a partir de la fecha de su emisión.
b)    Para los certificados que se emitan de acuerdo con M2, será de tres años a partir de la fecha de emisión.
c)    Para los certificados que se emitan de acuerdo con M3, éstos sólo amparan la cantidad de recipientes que se fabriquen, comercialicen y/o distribuyan, con base en dichos certificados, por lo que no tienen vigencia alguna. Los certificados deben indicar la cantidad de piezas del lote y sus fechas de fabricación.
Las vigencias a que se refieren los incisos a) y b) de este numeral, están sujetas al resultado de la verificación y, en su caso, del seguimiento correspondiente, en los términos establecidos en el numeral 13.1.9.
13.1.7 Ampliación, modificación o reducción del alcance de los certificados
Las ampliaciones, modificaciones o reducciones de los certificados expedidos dentro de las modalidades M 1 y M 2, tendrán como fecha de vencimiento la misma que la indicada en los certificados que dieron origen a éstos.
13.1.8 Producción
Las personas físicas o morales que cuenten con certificado de la conformidad de recipientes tipo transportable deben realizar las pruebas descritas en el capítulo 12, aplicables a los modelos certificados a partir de los tamaños de muestra, n2, señalados en el capítulo 11 para los ensayos de producción. En caso de incumplimiento de los criterios de aceptación de las pruebas, se estará a lo dispuesto en el numeral 12.5. Dichos resultados se revisarán durante las visitas de seguimiento y/o verificación que se realicen a los productos certificados.
El solicitante y/o titular del certificado debe conservar los registros e informes de resultados de las pruebas referidas en el párrafo anterior por el término de 5 años a partir de la fecha de emisión.
13.1.9 Verificación y seguimiento
Los actos de verificación y seguimiento que se requieran llevar a cabo para evaluar la conformidad de los recipientes tipo transportables, estarán a cargo de la DGN o de los organismos de certificación correspondientes y serán realizados en términos de la Ley y su Reglamento. Dichos actos deben ser mediante inspección visual y documental, mediante muestreo y realización de pruebas en términos de lo dispuesto en los capítulos 11 y 12, así como a través de la revisión documental de registros concernientes a ensayos de producción.
Los actos referidos en el párrafo anterior deben realizarse en los lugares de fabricación de recipientes tipo transportable.
De conformidad con lo dispuesto en el artículo 91, tercer párrafo, de la Ley, los gastos que se originen por las verificaciones requeridas para llevar a cabo la evaluación de la conformidad con la presente NOM, deben ser cubiertas por la persona a quien se efectúen éstas.
Las visitas de verificación y/o seguimiento serán realizadas por la DGN o el organismo de certificación y se programarán de común acuerdo con el titular de dicho certificado. La periodicidad de estas visitas será de dos veces al año para la certificación emitida por la modalidad M 1, y una vez al año para la certificación emitida en la modalidad M 2.
Para los certificados emitidos conforme a la modalidad M3, certificación por lote, no aplica verificación de seguimiento, a menos que haya una queja que evidencie incumplimiento, o que la autoridad solicite que se lleve a cabo una verificación al producto.
En el caso de certificados de la conformidad emitidos por la DGN, las verificaciones de vigilancia serán realizadas por la DGN, además la DGN podrá realizar visitas de verificación con base en denuncias recibidas o como medida preventiva a posibles violaciones a la Ley, y a la presente NOM y demás normativa aplicable, pudiendo auxiliarse de los laboratorios de pruebas y organismos de certificación.
Durante las vistas de seguimiento y/o verificación, se puede requerir muestreo y/o pruebas al producto, para la selección de la muestra, se aplicará el siguiente método:
a)    Para cualquiera de las familias de modelos de los productos materia de esta NOM, la muestra estará constituida conforme al numeral 6.1;
b)    El muestreo se realizará en la fábrica o bodega del titular del certificado o directamente en punto de venta. Para el caso de muestreo en punto de venta no se requiere un lote mínimo de especímenes;
c)    La muestra seleccionada en la fábrica se podrá tomar de la línea de producción o del área de producto terminado.
13.1.10 Suspensión y cancelación de certificados de la conformidad
Sin perjuicio de las condiciones contractuales de la prestación del servicio de certificación, se deben aplicar los supuestos siguientes para suspender o cancelar un certificado de la conformidad de producto.
13.1.10.1 Se procederá a la suspensión del certificado:
a)    Por incumplimiento con lo dispuesto en la presente Norma Oficial Mexicana.
b)    Cuando el seguimiento no pueda llevarse a cabo por causas imputables al titular del certificado.
c)    Cuando el titular del certificado no presente al OCP el informe de resultados derivado de los seguimientos, 30 días naturales a partir de la fecha de emisión del informe de resultados y dentro la vigencia del certificado de la conformidad del producto.
d)    Por cambios o modificaciones a las especificaciones establecidas en la presente Norma Oficial Mexicana de los productos certificados que no hayan sido evaluados por causas imputables al titular del certificado.
e)    Cuando la dependencia lo determine con base en el artículo 112, fracción V, de la Ley Federal sobre Metrología y Normalización, y 102 de su Reglamento.
 
La suspensión debe ser notificada al titular del certificado, otorgando un plazo de 30 días naturales para hacer las aclaraciones pertinentes o subsanar las deficiencias del producto o del proceso de certificación. Pasado el plazo otorgado y en caso de que no se hayan subsanado los incumplimientos, la DGN o el Organismo de Certificación procederá a la cancelación inmediata del certificado de la conformidad del producto.
13.1.10.2 Se procederá a la cancelación inmediata del certificado:
a)    En su caso, por cancelación del certificado del sistema de gestión de la calidad de la línea de producción.
b)    Cuando se detecte falsificación o alteración de documentos relativos a la certificación.
c)    A petición del titular del certificado, siempre y cuando se hayan cumplido las obligaciones contractuales en la certificación, al momento en que se solicita la cancelación. Cuando sea cancelado un certificado, las ampliaciones de los certificados, serán igualmente canceladas.
d)    Cuando se incurra en falsas declaraciones en el uso del certificado de la conformidad del producto.
e)    Una vez notificada la suspensión, no se corrija el motivo de ésta, en el plazo establecido.
f)     Cuando la dependencia lo determine con base en el artículo 112, fracción V, de la Ley Federal sobre Metrología y Normalización, y 102 de su Reglamento.
En todos los casos de cancelación se procede a dar aviso a las autoridades correspondientes, informando los motivos de ésta. El Organismo de Certificación mantendrá el expediente de los productos con certificados de la conformidad de producto cancelados por incumplimiento con la presente Norma Oficial Mexicana.
14. Sanciones
El incumplimiento de lo dispuesto en la presente NOM será sancionado por la Secretaría de Economía de conformidad con la Ley Federal sobre Metrología y Normalización, así como demás disposiciones aplicables y/o la Procuraduría Federal del Consumidor, sin perjuicio de sus respectivas atribuciones.
15. Vigilancia
La vigilancia de la presente Norma Oficial Mexicana está a cargo de la Secretaría de Economía y de la Procuraduría Federal de Consumidor, conforme a sus respectivas atribuciones.
16. Concordancia con normas internacionales y normas mexicanas
Esta Norma Oficial Mexicana no es equivalente (NEQ) con ninguna Norma Internacional, por no existir esta última al momento de elaborar esta NOM.
APÉNDICE NORMATIVO 1(1)
COMPOSICIÓN QUÍMICA Y PROPIEDADES MECÁNICAS DE LOS ACEROS INOXIDABLES
Requerimientos
- Condiciones de entrega
El producto debe ser entregado con base en lo establecido en las tablas 5, 6 y 7 de este Apéndice normativo. El proveedor debe presentar, al momento de la entrega, la documentación que acredite que el producto cumple con los requerimientos citados en las tablas señaladas.
 
- Composición y propiedades de corrosión química
Los requerimientos de la composición química dados en las tablas 1, 2 y 3 de este Apéndice normativo, aplican para la composición química de acuerdo al análisis de colada.
El análisis de producto puede desviarse de los límites establecidos en las tablas 1, 2 y 3 de este Apéndice normativo para el análisis de colada, de acuerdo a los valores establecidos en la Tabla 4 de este Apéndice normativo.
Respecto a la resistencia intergranular a agentes químicos y mecánicos, para aceros ferríticos, austeníticos y ferríticos austeníticos, aplican las especificaciones de las tablas 5, 6 y 7 de este Apéndice normativo.
Nota: La resistencia a la corrosión de los aceros inoxidables depende de las condiciones ambientales, y por lo tanto no siempre son claramente establecidas por medio de pruebas de laboratorio, por lo que es aconsejable recurrir a la experiencia disponible en materia de uso y manejo de aceros.
- Propiedades mecánicas
Las propiedades de tensión en temperaturas ambiente y baja se especifican en las tablas 5, 6 y 7 de este Apéndice normativo, aplicables para las condiciones de tratamientos de calor.
Nota: Los aceros austeníticos son insensibles a las fracturas frágiles en condiciones de recocido, ya que no sufren un cambio pronunciado de temperatura característico de otros aceros, además son utilizados para aplicaciones en temperaturas criogénicas.
 
Tabla 1 - composición química (análisis de colada)a para aceros ferríticos
 
Grado de acero
% (fracción masa)
C
máx.
Si
máx.
Mn
máx.
P
máx.
S
máx.
N
máx.
Cr
Mo
Nb
Ni
Ti
                                                                                                     Grados         Estándar
X3CrTi17
0.05
1.00
1.00
0.040
0.015
--------
16.0 a 19.0
--------
--------------
--------
[4 x (C+N)+0.15] a 0.75b
X2CrMoTi18-2
0.025
1.00
1.00
0.040
0.015
0.030
17.0 a 20.0
1.80 a 2.50
--------------
--------
[4 x (C+N)+0.15] a 0.80b
                                                                                                     Grados         Especiales
X2CrTi17
0.025
0.50
0.50
0.040
0.015
0.015
16.0 a 18.0
--------
--------------
--------
0.30 a 0.60
X2CrTiNb18
0.030
1.00
1.00
0.040
0.015
--------
17.5 a 18.5
--------
[(3 x C) +0.30] a 1.00
--------
0.10 a 0.60
a.    Los elementos no enlistados en esta tabla, no deben ser intencionalmente agregados al acero sin la aprobación del cliente, excepto en el acabado de colada. Para llevar a cabo la adición de dichos elementos, se deben tomar todas las precauciones, ya que se podría perjudicar las propiedades mecánicas del acero.
b.     La estabilización debe ser hecha con el uso de titanio, niobio o zirconio, de acuerdo con el número atómico de esos elementos y el contenido de carbón y nitrógeno; en caso de estabilización adicional con niobio o zirconio, debe utilizarse:

Tabla 2 - Composición química (análisis de colada)ª de aceros austenítico
 
Grado de acero
% (fracción masa)
C
Si
Mn
máx.
P
máx.
S
máx.
N
Cr
Cu
Mo
Nb
Ni
Ti
Otros
Grados Estándar
X2CrNiN18-7
< 0.030
< 1.00
2.00
0.045
0.015
0.10 a 0.20
16.5 a 18.5
-------
-------
-------
6.0 a 8.0
-------
 
X2CrNi18-9
< 0.030
< 1.00
2.00
0.045
0.015
< 0.11
17.5 a 19.5
-------
-------
-------
8.0 a 10.0b
-------
 
X2CrNi19-11
< 0.030
< 1.00
2.00
0.045
0.015
< 0.11
18.0 a 20.0
-------
-------
-------
10.0 a 12.0
-------
 
X2CrNiN18-10
< 0.030
< 1.00
2.00
0.045
0.015
0.12 a 0.22
17.5 a 19.5
-------
-------
-------
8.0 a 11.5
-------
 
X5CrNi18-9
< 0.07
< 1.00
2.00
0.045
0.015
< 0.11
17.5 a 19.5
-------
-------
-------
8.0 a 10.5
-------
 
X5CrNiN18-8
< 0.07
< 1.00
2.50
0.045
0.015
0.10 a 0.16
18.0 a 20.0
-------
-------
-------
8.0 a 11.0
-------
 
X6CrNiTi18-10
< 0.08
< 1.00
2.00
0.045
0.015
-------
17.0 a 19.0
-------
-------
-------
9.0 a 12.0
5 x C a 0.70
 
X6CrNiTiB18-10
0.04 a 0.08
< 1.00
2.00
0.035
0.015
-------
17.0 a 19.0
-------
-------
-------
9.0 a 12.0
5 x C a 0.70
0.001 5 a 0.005 0 B
X2CrNiMo17-12-2
< 0.030
< 1.00
2.00
0.045
0.015
< 0.11
16.5 a 18.5
-------
2.00 a 3.00
-------
10.0 a 13.0
-------
 
X2CrNiMoN17-11-2
< 0.030
< 1.00
2.00
0.045
0.015
0.12 A 0.22
16.5 a 18.5
-------
2.00 a 3.00
-------
10.0 a 12.5
-------
 
X5CrNiMo17-12-2
< 0.07
< 1.00
2.00
0.045
0.015
< 0.11
16.5 a 18.5
-------
2.00 a 3.00
-------
10.0 a 13.0
-------
 
X6CrNiMoTi17-12-2
< 0.08
< 1.00
2.00
0.045
0.015
-------
16.5 a 18.5
-------
2.00 a 2.50
-------
10.5 a 13.5
5 x C a 0.70
 
X2CrNiMo17-12-3
< 0.030
< 1.00
2.00
0.045
0.015
< 0.11
16.5 a 18.5
-------
2.50 a 3.00
-------
10.0 a 13.0
-------
 
X2CrNiMo18-14-3
< 0.030
< 1.00
2.00
0.045
0.015
< 0.11
16.5 a 18.5
-------
2.50 a 3.00
-------
12.5 a 15.0
-------
 
X2CrNiMoN17-13-5
< 0.030
< 1.00
2.00
0.045
0.015
0.12 A 0.22
16.5 a 18.5
-------
4.00 a 5.00
-------
12.5 a 14.5
-------
 
X1NiCrMoCu25-20-5
< 0.020
< 0.70
2.00
0.030
0.010
< 0.15
19.0 a 21.0
1.20 a 2.00
4.00 a 5.00
-------
24.0 a 26.0
-------
 
X5NiCrAlTi31-20 (+RA)
0.03 a 0.08
< 0.70
1.50
0.015
0.010
< 0.11
19.0 a 22.0
< 0.50
-------
< 0.10
30.0 a 32.5
0.20 a 0.50
0.20 a 0.50 Al
Al +Ti:<0.70
< 1.00 Co
Ni +Co: 30.0 a 32.5
X8NiCrAlTi32-21
0.05 a 0.10
< 0.70
1.50
0.015
0.010
< 0.11
19.0 a 22.0
< 0.50
-------
-------
30.0 a 34.0
0.25 a 0.60
0.25 a 0.65 Al
< 1.00 Co
Ni +Co: 30.0 a 34.0
X3CrNiMoBN17-13-3
< 0.04
< 0.75
2.00
0.035
0.015
0.10 a 0.18
16.0 a 18.0
-------
2.00 a 3.00
-------
12.0 a 14.0
------
0.1 5 a 0.005 0 B
X1CrNi25-21
< 0.020
< 0.25
2.00
0.025
0.010
< 0.11
24.0 a 26.0
-------
< 0.20
------
20.0 a 22.0
------
 
X6CrNiNb18-10
< 0.08
< 1.00
2.00
0.045
0.015
------
17.0 a 19.0
-------
------
10 x C a 1.00
9.0 a 12.0
------
 
X8CrNiNb16-13
0.04 a 0.10
0.30 a
0.60
1.50
0.035
0.015
------
15.0 a 17.0
-------
------
10 x C a 1.20
12.0 a 14.0
------
 
X1CrNiMoN25-22-2
< 0.020
< 0.70
2.00
0.025
0.010
0.10 a 0.16
24.0 a 26.0
-------
2.00 a 2.50
------
21.0 a 23.0
------
 
X6CrNiMoNb17-12-2
< 0.08
< 1.00
2.00
0.045
0.015
-------
16.5 a 18.5
-------
2.00 a 2.50
10 x C a 1.00
10.5 a 13.5
------
 
X2CrNiMoN17-13-3
< 0.030
< 1.00
2.00
0.045
0.015
0.12 a 0.22
16.5 a 18.5
-------
2.50 a 3.00
-------
11.0 a 13.0b
------
 
X3CrNiMo17-12-3
< 0.05
< 1.00
2.00
0.045
0.015
< 0.11
16.5 a 18.5
-------
2.50 a 3.00
-------
10.5 a 13.0
------
 
X2CrNiMoN18-12-4
< 0.030
< 1.00
2.00
0.045
0.015
0.10 a 0.20
16.5 a 19.5
-------
3.00 a 4.0
-------
10.5 a 14.0
------
 
X2CrNiMo18-15-4
< 0.030
< 1.00
2.00
0.045
0.015
< 0.11
17.5 a 19.5
-------
3.00 a 4.0
-------
13.0 a 16.0
------
 
X1NiCrMoCu31-27-4
< 0.020
< 0.70
2.00
0.030
0.010
< 0.11
26.0 a 28.0
0.70 a 1.50
3.00 a 4.0
-------
30.0 a 32.0
------
 
X1CrNiMoCuN25-25-5
< 0.020
< 0.70
2.00
0.030
0.010
0.17 a 0.25
24.0 a 26.0
1.00 a 2.00
4.7 a 5.7
-------
24.0 a 27.0
------
 
X1CrNiMoCuN20-18-7c
< 0.020
< 0.70
1.00
0.030
0.010
0.18 a 0.25
19.5 a 20.5
0.50 a 1.00
6.0 a 7.0
-------
17.5 a 18.5
------
 
X1NiCrMoCuN25-20-7
< 0.020
< 0.75
2.00
0.030
0.010
0.15 a 0.25
19.0 a 21.0
0.50 a 1.50
6.0 a 7.0
-------
24.0 a 26.0
------
 
a. Los elementos no enlistados en esta tabla, no deben ser intencionalmente agregados al acero sin la aprobación del cliente, excepto en el acabado de colada. Para llevar a cabo la adición de dichos elementos, se deben tomar todas las precauciones, ya que se podría perjudicar las propiedades mecánicas del acero.
b. Cuando por razones especiales es necesario minimizar el contenido ferrítico, el contenido máximo de níquel debe incrementarse en 0.50 % para el grado X2CrNi18-9 y 1.00 % en el caso del grado X2CrNiMoN17-13-3.
c. Grado de acero patentado.
 
Tabla 3 - Composición química (análisis de colada) ª de aceros austeníticos-ferríticos
 
Grado de acero
% (fracción masa)
C máx.
Si máx.
Mn máx.
P máx.
Sx
N
Cr
Cu
Mo
Ni
W
Grados Estándar
X2CrNiN23-4
0.030
1.00
2.00
0.035
0.015
0.05 a 0.20
22.0 a 24.0
0.10 a 0.60
0.10 a 0.60
3.5 a 5.5
----------
X2CrNiMoN22-5-3
0.030
1.00
2.00
0.035
0.015
0.10 a 0.22
21.0 a 23.0
----------
2.5 a 3.5
4.5 a 6.5
----------
Grados Especiales
X2CrNiMoCuN25-6-3
0.030
0.70
2.00
0.035
0.015
0.15 a 0.30
24.0 a 26.0
1.00 a 2.50
2.5 a 4.0
5.0 a 7.5
----------
X2CrNiMoN25-7-4
0.030
1.00
2.00
0.035
0.015
0.24 a 0.35
24.0 a 26.0
----------
3.0 a 4.5
6.0 a 8.0
----------
X2CrNiMoCuWN25-7-4
0.030
1.00
1.00
0.035
0.015
0.20 a 0.30
24.0 a 26.0
0.50 a 1.00
3.0 a 4.0
6.0 a 8.0
0.50 a 1.00
 
a. Los elementos no enlistados en esta tabla, no deben ser intencionalmente agregados al acero sin la aprobación del cliente, excepto en el acabado de colada. Para llevar a cabo la adición de dichos elementos, se deben tomar todas las precauciones, ya que se podría perjudicar las propiedades mecánicas del acero.
 
 
Tabla 4 - Tolerancias permitidas en el análisis de producto de las tablas 1 a 3 del análisis de colada
 
Elemento
Valor específico del análisis de colada en
tablas 1 a 4 % (fracción masa)
Desviación permitidaa en el análisis
de producto % (fracción masa)
Carbono
< 0.030
+ 0.005
> 0.030             < 0.10
± 0.01
Silicio
< 1.00
+ 0.05
Manganeso
< 1.00
+ 0.03
> 1.00               < 2.50
+ 0.04
Fósforo
< 0.030
+ 0.003
> 0.030             < 0.045
+ 0.005
Azufre
< 0.010
+ 0.003
> 0.010             < 0.030
+ 0.005
Nitrógeno
< 0.35
± 0.01
Aluminio
< 0.65
± 0.10
Cromo
> 10.5               < 15.0
± 0.15
> 15.0               < 20.0
± 0.20
> 20.0               < 28.0
± 0.25
 
Cobre
< 1.00
± 0.07
> 1.00               < 2.50
± 0.10
Molibdeno
< 0.60
± 0.03
> 0.60               < 1.75
± 0.05
> 1.75               < 7.0
± 0.01
Niobio
< 1.00
± 0.05
Níquel
< 1.00
± 0.03
> 1.00               < 5.0
± 0.07
> 5.0                < 10.0
± 0.10
> 10.00             < 20.0
± 0.15
> 20.00             < 34.0
± 0.20
Cobalto
< 0.50
± 0.05
Titanio
< 0.08
± 0.05
Tungsteno
< 1.00
± 0.05
 
a.    Si diversos análisis de producto se llevan a cabo en la colada y si el contenido de los elementos individuales es determinado fuera de los rangos establecidos por la composición química especificada para el mismo, entonces sólo es permitido exceder ya sea el máximo o el mínimo autorizado, mas no ambos por cada colada.
 
Tabla 5 - Propiedades mecánicas a temperatura ambiente para aceros ferríticos en condiciones
normalizadas de recocido
Grado de Acero
Forma de
productoa
Grosor mm máx.
0.2%-prueba de resistencia
Rp0.2
Resistencia a la
tensión
Rm
N/mm2
Elongación tras fractura
N/mm2 min.
(long.)
N/mm2 min. (tr.)
b < 3 mm
A80 de grosor
% min. (long. + tr.)
Ac > 3 mm de grosor
% min. (long. + tr.)
Grados estándar
X3CrTi17
C
3
230
240
420 a 600
23
X2CrMoTi18-2
C
2.5
300
320
420 a 640
20
 
Grados especiales
X2CrTi17
C
2.5
180
200
380 a 530
24
 
X2CrTiNb18
C
2.5
230
250
430 a 630
18
 
NOTA: (long.) = sección longitudinal; (tr.) = sección transversal
a.     C= Fleje laminado en frío.; H= Fleje laminado en caliente.; P= Chapa laminada en caliente.
b.     Los valores de la prueba están relacionados con piezas 80 mm de largo y 20 mm de ancho. También puede realizarse la prueba para piezas de 50 mm de largo y 12.5 mm de ancho.
c.     Los valores están relacionados para piezas de 5.65vS0 de largo.
 
Tabla 6- Propiedades mecánicas a temperatura ambiente de aceros austeníticos en condiciones
normalizadas de precocido
Grado de acero
Forma
productoa
Grosor mm máx.
0.2%-prueba de
resistencia
Rp0.2
1.0%-prueba de
resistencia
Rp1.0
Resistencia a la tensión
Rm
N/mm2
Elongación tras fractura
N/mm2 min.
(tr.) b,c
d
A80 < 3 mm de
grosor % min. (tr.)b
Ae > 3 mm de grosor
% min. (tr.)b
X2CrNiMoN17-11-2
C
6
300
330
580 a 780
40
40
H
12
280
320
P
75
280
320
X5CrNiMo17-12-2
C
6
240
270
530 a 680
40
40
H
12
220
260
P
75
220
260
520 a 670
45
45
X6CrNiMoTi17-12-2
C
6
240
270
540 a 690
40
40
H
12
220
260
P
75
220
260
520 a 670
X2CrNiMo17-12-3
C
6
240
270
550 a 700
40
40
H
12
220
260
P
75
220
260
520 a 670
45
45
X2CrNiMo18-14-3
C
6
240
270
550 a 700
40
40
X2CrNiMoN17-13-5
C
6
290
320
580 a 780
35
35
H
12
270
310
P
75
270
310
40
40
X1NiCrMoCu25-20-5
C
6
240
270
530 a 730
520 a 720
35
35
H
12
220
260
P
75
220
260
X5NiCrAlTi31-20
P
75
170
200
500 a 750
30
30
X5NiCrAlTi31-20+RAg
P
75
210
240
500 a 750
30
30
X8NiCrAlTi32-21
P
75
170
200
500 a 750
30
30
X3CrNiMoBN17-13-3
C
6
300
330
580 a 780
35
40
H
12
260
300
550 a 750
P
75
260
300
 
Grados especiales
X1CrNi25-21
P
75
200
240
470 a 670
40
40
X6CrNiNb18-10
P
75
200
240
500 a 700
40
40
X8CrNiNb16-13
P
75
200
240
510 a 690
35
35
X1CrNiMoN25-22-2
P
75
250
290
540 a 740
40
40
X6CrNiMoNb17-12-2
P
75
220
260
520 a 720
40
40
X3CrNiMoN17-13-3
C
6
300
330
580 a 780
35
35
H
12
280
320
P
75
280
320
40
40
X2CrNiMo17-12-3
C
6
240
270
550 a 700
40
40
H
12
220
260
P
75
220
260
530 a 730
40
40
X2CrNiMoN18-12-4
C
6
290
320
570 a 770
35
35
H
12
270
310
P
75
270
310
540 a 740
40
40
X2CrNiMo18-15-4
C
6
240
270
550 a 700
35
35
H
12
220
260
P
75
220
260
520 a 720
40
40
X1NiCrMoCu31-27-4
P
75
220
260
500 a 700
40
40
X1CrNiMoCuN25-25-5
P
75
290
330
600 a 800
40
40
X1CrNiMoCuN20-18-7
C
6
320
350
650 a 850
35
35
H
12
300
340
 
P
75
300
340
40
40
X1NiCrMoCuN25-20-7
P
75
300
340
650 a 850
40
40
NOTA: (long.) = dirección longitudinal; (tr.) = dirección transversal
a.  C= Fleje laminado en frío.; H= Fleje laminado en caliente.; P= Chapa laminada en caliente.
b.  Para cintas enrolladas de < 300 mm de ancho, se deben realizar las pruebas de dirección longitudinal, los valores mínimos son:
prueba de resistencia: menos 15 N/mm2.
alargamiento/elasticidad constante: menos
5%. alargamiento/elasticidad para medición
proporcional: menos 2 %.
c.  Para productos continuos flejados en caliente, el valor mínimo superior, es de 20 N/mm2 de Rp0.2, mientras que el mínimo superior, es de 10 N/mm2 de Rp1.0; lo cual, puede ser acordado en el momento del levantamiento de la orden con base en investigación.
d.  Los valores de la prueba están relacionados para piezas 80 mm de largo y 20 mm de ancho. También puede realizarse la prueba para piezas de 50 mm de largo y 12.5 mm de ancho.
e.  Los valores están relacionados para pruebas en piezas de 5.65vS0 de largo.
f.   Para material aplanado, el valor mínimo es de 5 % menor.
g.  + RA = condiciones de recristalización recocida.
 
Tabla 7-Propiedades mecánicas a temperatura ambiente de aceros austeníticos-ferríticos en
condiciones normalizadas de precocido
Grado de acero
Forma de
productoa
Grosor mm máx.
0.2%-prueba de resistencia Rp0.2
N/mm2 min. (tr.)b Ancho de cinta
Resistencia a la
tensión Rm
N/mm2
Elongación tras fractura
A80 <3 mm
grosorc %
min. (long. +
tr.)
A > 3 mm
grosord %
min. (long. +
tr.)
< 300 mm
> 300 mm
Grados estándar
X2CrNiN23-4
C
6
405
420
600 a 850
20
20
H
12
385
400
P
75
385
400
630 a 800
25
25
X2CrNiMoN22-5-3
C
6
465
480
660 a 950
20
20
H
12
445
460
25
25
P
75
445
460
640 a 840
25
25
 
Grados especiales
X2CrNiMoCuN25-6-3
C
6
495
510
690 a 940
20
20
H
12
475
490
P
75
475
490
690 a 890
25
25
X2CrNiMoN25-7-4
C
6
535
550
750 a 1 000
20
20
H
12
515
530
P
75
515
530
730 a 930
20
20
X2CrNiMoCuWN25-7-4
P
75
515
530
730 a 930
25
25
NOTA: (long.) = dirección longitudinal; (tr.) = dirección transversal
a. C= Fleje laminado en frío.; H= Fleje laminado en caliente.; P= Chapa laminada en caliente.
b. Para productos continuos flejados en caliente, el valor mínimo superior, es de 20 N/mm2 de Rp0.2, mientras que el mínimo superior, es de 10 N/mm2 de
RP1.0 ; lo cual, puede ser acordado en el momento del levantamiento de la orden con base en investigación.
c. Los valores de la prueba están relacionados para piezas 80 mm de largo y 20 mm de ancho. También puede realizarse la prueba para piezas de 50 mm de largo y 12.5 mm de ancho.
d. Los valores están relacionados para piezas de 5.65S0.
 
APÉNDICE NORMATIVO 2(2)
COMPATIBILIDAD DEL GAS LICUADO DE PETRÓLEO CON OTROS MATERIALES
Compatibilidad de materiales
- Tabla de compatibilidad
Antes de que cualquier válvula o recipiente para Gas Licuado de Petróleo sea utilizado, es importante verificar la Tabla 1 de este Apéndice normativo, prestando especial atención a aquellos que presenten alguna restricción. El proveedor debe presentar la documentación que acredite que el producto cumple lo establecido en la tabla citada.
- Símbolos utilizados
"A" significa que el material es aceptable
"NR" significa que el material no es recomendable
"Seco" significa que, durante el servicio del recipiente, incluyendo las más altas condiciones de presión y las más bajas de temperatura, el contenedor operará sin contener agua.
"Húmedo" significa que las condiciones definidas como "seco" no aplican.
- Abreviaciones para materiales
NS = Aceros normalizados y al carbón.
QTS = Aceros templados y apagados de enfriado rápido
AA = Aleación de aluminio
SS = Acero Inoxidable
B = Aleaciones de latón y cobre
Cs= Aceros al carbón
Tabla 1 - Compatibilidad del Propano con otros materiales
Fórmula
Características de
compatibilidad
Materiales
Recipientes
Válvulas
A
NR
A
NR
PROPANO CH3H8
No presenta reacción con
materiales comunes; en
condiciones húmedas, el riesgo
de corrosión por impurezas
debe ser considerado.
NS
QTS
AA
SS
 
B
CS
SS
AA
 
 
Código de compatibilidad NQSAB
El código NQSAB, es un sistema de cinco dígitos que indica la compatibilidad de diversos gases con cinco clases de materiales utilizados en la fabricación de válvulas y recipientes para Gas Licuado de Petróleo En dicho código, N representa aceros normalizados y al carbón, Q aceros templados y apagados, S aceros inoxidables, A aleaciones de aluminio y B latón y aleaciones de cobre y níquel.
El grado de compatibilidad, se define por cinco dígitos, cada uno correspondiente a un nivel de compatibilidad por material, el cual, para el caso del propano, se presenta en la tabla 2;
Tabla 2- Grado de compatibilidad
Nombre
Fórmula
N
Q
S
A
B
PROPANO
C3H8
1
1
1
1
1
NOTA: 1 significa que el material puede ser utilizado, por lo que se identifica como un Gas compatible con todos los materiales identificados en este estándar.
APÉNDICE NORMATIVO 3(3)
COMPATIBILIDAD DEL GAS LICUADO DE PETRÓLEO CON MATERIALES NO METÁLICOS
General
Los materiales no metálicos utilizados para la fabricación de recipientes para contener Gas Licuado de Petróleo deben de poder mantener sus características al estar en contacto con gas propano, de acuerdo con la tabla de Compatibilidad de materiales no metálicos con Gas Propano de este Apéndice normativo.
En los casos particulares de materiales no compatibles, pueden ser utilizados si son recubiertos o protegidos de forma adecuada. Lo cual debe ser hecho sólo si se considera y valida la compatibilidad por alguna persona u organismo competente. El proveedor debe presentar la documentación que acredite que el producto cumple los requerimientos citados en este Apéndice normativo.
- Tipos de material
Los materiales no metálicos comúnmente más usados para válvulas y recipientes para contener Gas Licuado de Petróleo se agrupan en:
·  Materiales plásticos
§    Politetrafluoroetileno (PTFE)
§    Policlorotrifluoroetileno (PCTFE)
§    Fluoruro de polivinilideno (PVDF)
§    Poliamida (PA)
§    Polipropileno (PP)
§    Polietileno de Alta Densidad (HDPE o PE-HD)
§    Materiales elastómeros
§    Resina butílica (IIR)
 
§    Nitrilo (NBR)
§    Cloropreno (CR)
§    Clorofluorocarbono (FKM)
§    Silicón (Q)
§    Etileno propileno (EPDM)
§    Fluidos lubricantes
§    Hidrocarburos (HC)
§    Fluorocarbonos (FC)
-     Consideraciones generales
Es importante considerar que dichos materiales son clasificaciones genéricas; al interior de cada material existen diversas variantes en términos de sus propiedades con base en la composición química utilizada en su fabricación. El usuario del material debe consultar al fabricante y solicitar diversas pruebas antes de utilizar el material.
Los lubricantes suelen ser utilizados para reducir la fricción de las partes móviles; si la lubricación es necesaria y si ésta no es compatible con el oxígeno, entonces los componentes lubricantes no deben estar en contacto con el gas. Cuando el lubricante es identificado como "no recomendable", por razones adicionales a la reacción violenta (F), puede ser usado de manera segura en aplicaciones que no implican el contacto del material con el gas durante la operación.
Las propiedades de plásticos y elastómeros dependen de la temperatura; bajas temperaturas provocan endurecimiento y la posibilidad de quiebre, mientras que altas temperaturas pueden provocar ablandamiento y hasta derretimiento. Los usuarios del material deben asegurarse que la operación se realice en un rango de temperatura que normalmente va de 223 K a 338 K (-50 °C a 65 °C) para cilindros y 253 K a 338 K (-20 °C a 65 °C) para válvulas.
Algunos materiales se vuelven quebradizos en bajas temperaturas, incluso dentro de los niveles de operación normal (por ejemplo: los clorofluorocarbonos). Las temperaturas en refrigeradores o rangos criogénicos, afectan a algunos materiales, por lo que se debe tomar precaución cuando la operación se realice en temperaturas por debajo de 223 K (-50 °C). En particular, dicho riesgo debe ser considerado en cuando se realice la transferencia a través de sifones térmicos a bajas temperaturas o procedimientos similares o para cilindros que son recargados a bajas temperaturas como es el caso del CO2.
- Consideraciones específicas
La compatibilidad de gases con materiales no metálicos, es afectada por reacciones químicas e influencias físicas, que pueden ser clasificadas a continuación.
Riesgos por no compatibilidad
ü     Pérdida de peso (W)
Extracción
La extracción solvente de plastificantes de los elastómeros puede causar encogimiento, especialmente en productos altamente plastificados.
Algunos solventes, como la acetona o DMF(4) utilizados para disolver gases como el acetileno, pueden dañar los materiales no metálicos.
Los gases licuados pueden actuar como solventes.
Ataque químico
Algunos materiales no metálicos pueden ser atacados químicamente por gases. Este ataque puede algunas veces provocar la destrucción del material, tal como el ataque que sufre el silicón por el amoniaco.
ü     Expansión de materiales (S)
Los elastómeros son sujetos a expandirse por causa de la absorción de gas. Esto puede implicar un incremento de dimensiones inaceptables (especialmente de anillos-O) o el agrietamiento debido al repentino escape del gas al disminuir parcialmente la presión, como ocurre con el dióxido de carbono y clorofluorocarbonos.
La expansión puede ocultarse a través de la extracción de plasticidas y rellenos. Otros efectos importantes como los cambios en resistencia mecánica y dureza también deben ser considerados. Diferencias en la composición y formulación de un elastómero dado, puede provocar diferencias significativas en la expansión del material.
En condiciones normales de servicio, expansiones de más de 15 % se identifican como no recomendables, mientras que una expansión menor, es considerada aceptable siempre que también otros riesgos sean aceptables.
ü     Cambio en propiedades mecánicas (M)
Los gases pueden generar un cambio inaceptable a las propiedades mecánicas en algunos materiales no metálicos, lo cual puede producir un incremento de dureza o una disminución en elasticidad.
-     Símbolos de compatibilidad
A = aceptable para uso normal bajo condiciones normales de servicio
NR = No recomendable para uso general, pero puede ser utilizado cuando sea evaluado y autorizado por alguna persona u organismo autorizado que especifique las condiciones de uso.
Compatibilidad de materiales no metálicos con Gas Propano
 
Fórmula
C3H8
Materiales
Plásticos
PTFE
A
PCTFE
A
PVDF
A
PA
A
PP
A
HDPE o PE-HD
A
Elastómeros
IIR
NRS
NBR
A
CR
NRS
FKM
A
Q
NRS,M
EPDM
NRS,M
 
Fluidos
lubricantes
HC
NRW
FC
A
Ejemplos:
AW
Símbolo de compatibilidad = A
Abreviación para un riesgo de no compatibilidad = W
Este ejemplo muestra una combinación aceptable, apropiada para servir
en condiciones normales, siempre que se considere el riesgo de pérdida
de peso.
 
NRS,C
Símbolo de compatibilidad = NR
Abreviación para un riesgo de no compatibilidad
1er riesgo = F
2o. riesgo = C
Este ejemplo muestra una combinación de materiales no recomendada,
con dos principales riesgos en expansión de materiales y pérdida de peso.
17. Bibliografía
·   Ley Federal sobre Metrología y Normalización publicada en el Diario Oficial de la Federación el 1 de julio de 1992, y sus reformas.
·   Reglamento de la Ley Federal sobre Metrología y Normalización publicado en el Diario Oficial de la Federación el 14 de enero de 1999, y sus reformas.
·   Norma Oficial Mexicana NOM-008-SCFI-2002, Sistema General de Unidades de Medida, fecha de publicación en el Diario Oficial de la Federación el 27 de noviembre de 2002.
·   Norma Oficial Mexicana NOM-050-SCFI-2004, Información comercial-Etiquetado general de productos, fecha de publicación en el Diario Oficial de la Federación el 01 de junio de 2004.
·   Norma Mexicana NMX-Z-013-SCFI-2015, Guía para la estructuración y redacción de normas (cancela a la NMX-Z-013/1-1977), fecha de publicación en el Diario Oficial de la Federación el 18 de noviembre de 2015.
·   Norma Mexicana NMX-E-057-CNCP-2004, Industria del plástico-abreviaturas de términos relacionados con los plásticos (cancela a la NMX-E-057-1978), fecha de publicación en el Diario Oficial de la Federación el 23 de abril de 2004.
 
·   ASTM D-1014-18 Standard Practice for Conducting Exterior Exposure Tests of Paints and Coatings on Metal Substrates
·   ISO 11228-1:2003 Ergonomics-Manual handling-Part 1: Lifting and carrying.
·   ISO 22991 Gas Cylinders-Transportable refillable welded steel cylinders for liquefied petroleum gas (LPG)- Design and construction. Primera edición: 2004.
·   ISO 18172-1 Gas Cylinders-Refillable welded stainless steel Cylinders-Part 1: Test pressure 6 MPa and below. Primera edición: 2007.
·   ISO 11119-3 Gas cylinders of composite Construction-Specification and test Methods-Part 3: Fully wrapped fiber reinforced composite gas cylinders with non-load-sharing metallic or non-metallic liners. Primera edición: 2002.
·   ISO 9328-7:2004 Steel flat products for pressure Purposes-Technical Delivery Conditions-Part 7: Stainless steels. Primera edición: 2004.
·   ISO 11114-1:1997 Transportable gas Cylinders-Compatibility of cylinder and valve materials with gas Contents-Part 1: Metallic materials. Primera edición: 1999.
·   ISO 11114-2:2000 Transportable gas Cylinders-Compatibility of cylinder and valve materials with gas Contents-Part 2: Non-metallic materials. Primera edición: 2000.
·   Norma Europea EN 1442. Transportable refillable welded steel cylinders for liquified petroleum gas (LPG). Design and construction. Febrero 1998.
·   Norma Europea EN 12245. Transportable gas cylinders. Fully wrapped composite cylinders. Febrero 2002.
·   NFPA 58. Standard for the Storage and Handling of Liquefied Petroleum Gases. Edición: 2017.
TRANSITORIOS
PRIMERO.- Esta Norma Oficial Mexicana, una vez publicada como Norma definitiva entrará en vigor a los ciento ochenta días naturales posteriores a su fecha de publicación en el Diario Oficial de la Federación.
SEGUNDO.- Esta Norma Oficial Mexicana, a su entrada en vigor, cancela a la NOM-008-SESH/SCFI-2010, Recipientes transportables para contener Gas L.P. Especificaciones de fabricación, materiales y métodos de prueba.
Ciudad de México, a 5 de junio de 2019.- El Director General de Normas y Presidente del Comité Consultivo Nacional de Normalización de la Secretaría de Economía, Alfonso Guati Rojo Sánchez.- Rúbrica.
 
1     Fuente: Norma Internacional ISO 9328-
2     Fuente: Norma Internacional ISO 11114-1
3     Fuente: Norma Internacional ISO 11114-2
4     Dimetilformamida