PROYECTO de Norma Oficial Mexicana PROY-NOM-011-ENER-2024, Eficiencia energética en acondicionadores de aire tipo central, paquete o dividido. Límites, métodos de prueba y etiquetado.
Al margen un sello con el Escudo Nacional, que dice: Estados Unidos Mexicanos.- Secretaría de Energía.- Comisión Nacional para el Uso Eficiente de la Energía.- Comité Consultivo Nacional de Normalización para la Preservación y Uso Racional de los Recursos Energéticos (CCNNPURRE).
PROYECTO DE NORMA OFICIAL MEXICANA PROY-NOM-011-ENER-2024, EFICIENCIA ENERGÉTICA EN ACONDICIONADORES DE AIRE TIPO CENTRAL, PAQUETE O DIVIDIDO. LÍMITES, MÉTODOS DE PRUEBA Y ETIQUETADO.
ISRAEL JAUREGUI NÁRES, Presidente del Comité Consultivo Nacional de Normalización para la Preservación y Uso Racional de los Recursos Energéticos (CCNNPURRE) y Director General de la Comisión Nacional para el Uso Eficiente de la Energía (CONUEE), con fundamento en los artículos 17, 33, fracción X de la Ley Orgánica de la Administración Pública Federal; 17, 18, fracciones V y XIX y 36, fracción IX de la Ley de Transición Energética; 24, 25, 34, 35 fracción V 36, 38 ,39 y 41 de la Ley de Infraestructura de la Calidad; 2 apartado F, fracción II, 8, fracciones XIV y XV, 39 y 40 del Reglamento Interior de la Secretaría de Energía, el Artículo Único del Acuerdo por el que se delegan en el Director General de la CONUEE, las facultades que se indican; y apartado X, inciso A, numerales 11 y 15, e inciso D numerales 1, 2, 3, 9 y 10 del Manual de Organización General de la CONUEE; y
CONSIDERANDO
Que la Ley Orgánica de la Administración Pública Federal, define las facultades de la Secretaría de Energía, entre las que se encuentra la de expedir normas oficiales mexicanas que promueven la eficiencia del sector energético.
Que la CONUEE es un órgano administrativo desconcentrado de la Secretaría de Energía, que cuenta con autonomía técnica y operativa, y que tiene por objeto promover la Eficiencia Energética y constituirse como órgano de carácter técnico en materia de aprovechamiento sustentable de la energía.
Que la Ley de Transición Energética tiene por objeto regular el aprovechamiento sustentable de la energía así como las obligaciones en materia de Energías Limpias y de reducción de emisiones contaminantes de la Industria Eléctrica, manteniendo la competitividad de los sectores productivos, y reglamentaria de los párrafos 6 y 8 del artículo 25 de la Constitución Política de los Estados Unidos Mexicanos, así como de los transitorios Décimo Séptimo y Décimo Octavo del Decreto por el que se reforman y adicionan diversas disposiciones de la Constitución Política de los Estados Unidos Mexicanos, en Materia de Energía, publicado en el Diario Oficial de la Federación el 20 de diciembre de 2013.
Que es necesario establecer los límites, métodos de prueba y etiquetado para los acondicionadores de aire tipo central con la finalidad de eficientar la energía que utilizan estos equipos.
Que en el caso del Proyecto de la presente Norma Oficial Mexicana, se coadyuva al fortalecimiento del marco regulatorio en materia de eficiencia energética, en consecuencia con la Ley de Transición Energética, expedida el 24 de diciembre de 2015 y su Reglamento expedido el 4 de mayo de 2017.
Que habiendo cumplido el procedimiento que establece la Ley de Infraestructura de la Calidad, el presente Proyecto de Norma Oficial Mexicana PROY-NOM-011-ENER-2024, Eficiencia energética en acondicionadores de aire tipo central, paquete o dividido. Límites, métodos de prueba y etiquetado., se sometió a consideración, y fue aprobado por el Comité Consultivo Nacional de Normalización para la Preservación y Uso Racional de los Recursos Energéticos (CCNNPURRE), en su Segunda Sesión Ordinaria del 13 de agosto de 2024.
Que el presente Proyecto de Norma Oficial Mexicana se publica a efecto de que los interesados, dentro de los 60 días naturales siguientes de la fecha de su publicación en el Diario Oficial de la Federación y Plataforma Tecnológica Integral de Infraestructura de la Calidad, presenten sus comentarios en idioma español ante el CCNNPURRE, ubicado en: Av. Revolución No. 1877, Colonia Loreto, Alcaldía Álvaro Obregón, Ciudad de México, C.P. 01090, correo electrónico: norma.morales@conuee.gob.mx y alberto.lopez@conuee.gob.mx
Que durante el plazo mencionado y de conformidad con lo dispuesto en el artículo 35, fracción V de la Ley de la Infraestructura de la Calidad, los documentos que sirvieron de base para la elaboración del presente Proyecto de Norma Oficial Mexicana y el Análisis de Impacto Regulatorio, estarán a disposición del público en general, para su consulta, en el domicilio del mencionado Comité, en tanto no se hayan emitidos los lineamientos que regularán el acceso a la Plataforma Tecnológica Integral de Infraestructura de la Calidad por parte de los interesados, y los formatos electrónicos que deberán utilizarse para esos efectos.
Por lo expuesto y fundamentado, se expide para consulta pública el siguiente:
PROYECTO DE NORMA OFICIAL MEXICANA PROY-NOM-011-ENER-2024, EFICIENCIA ENERGÉTICA
EN ACONDICIONADORES DE AIRE TIPO CENTRAL, PAQUETE O DIVIDIDO. LÍMITES, MÉTODOS DE
PRUEBA Y ETIQUETADO.
Prefacio
El presente Proyecto de Norma Oficial Mexicana (NOM) fue elaborado por el Comité Consultivo Nacional de Normalización para la Preservación y Uso Racional de los Recursos Energéticos (CCNNPURRE), con la colaboración de los siguientes organismos, instituciones y empresas:
- Air-Conditioning, Heating, and Refrigeration Institute
- Asociación de Normalización y Certificación
- Asociación Nacional de Fabricantes de Aparatos Domésticos, A.C.
- Asociación Nacional de Fabricantes para la Industria de la Refrigeración
- Cámara Nacional de Manufacturas Eléctricas
- Carrier Enterprise Mexico, S. de R.L. de C.V
- Comisión Federal de Electricidad - Unidad de Negocio Programa de Ahorro de Energía del Sector Eléctrico
- CSA Group Inc.
- Consultoría YSTE, S.A. de C.V.
- Daikin Airconditioning Mexico S. de R.L. de C.V.
- Certification Global Services DIADECOR, S. de R.L. de C.V.
- Fideicomiso para el Ahorro de Energía Eléctrica
- Instituto Nacional de Electricidad y Energías Limpias
- LABOTEC México S.C.
- Logis Consultores
- Met Customs & Logistics S de R.L.
- Cenage, SA de CV
- Mitsubishi Electric US Cooling & Heating
- Normalitec, SC
- Normalización y Certificación NYCE
- Organización de las Naciones Unidas para el Desarrollo Industrial
- Laboratorios Radson S.A. de C.V.
- Rheem de México S.A. de C.V.
- Secretaría de Energía
Índice de Contenido
1. Objetivo y campo de aplicación
1.1 Excepciones
2. Referencias
3. Definiciones
4. Símbolos y abreviaturas
5. Clasificación
6. Especificaciones
6.1 Límite de valor de Relación de Eficiencia Energética Estacional (REEE)
6.2 Determinación de los valores de REEE
7. Muestreo
8. Criterios de aceptación
9. Métodos de prueba y cálculos
9.1 Aplicación de los métodos de prueba
9.2 Condiciones de prueba
9.3 Instrumentos
9.4 Dispositivos para las mediciones de flujo de aire
9.5 Métodos de prueba
9.6 Procedimientos de prueba
9.7 Datos y resultados
9.8 Cálculo de REEE
10. Etiquetado
10.1 Permanencia
10.2 Información
10.3 Dimensiones
10.4 Distribución de la información y de los colores
11. Vigilancia
12. Procedimiento para la Evaluación de la Conformidad
13. Sanciones
14. Concordancia con normas internacionales
Apéndice A. Normativo. Figuras de referencia para pruebas
Apéndice B. Normativo. Tablas de referencia de pruebas
Apéndice C. Informativo. Factores de conversión
15. Bibliografía
16. Transitorios
Figuras
Figura 1a - Diagrama esquemático de varios modos de operación para la unidad Inverter en modo frio
Figura 1b - Diagrama esquemático de varios modos de operación para la unidad de capacidad por etapas en modo frio
Figura A.1 - Método de túnel aire entalpía
Figura A.2 - Método de enlace de aire-entalpía
Figura A.3 - Calorímetro aire-entalpía
Figura A.4 - Cuarto de aire - entalpía
Figura A.5 - Aparato de medición de flujo de aire
Figura A.6 - Tobera para la medición del flujo de aire
Figura A.7 - Medición de la presión estática externa
Figura A.8 - Medición de caída de presión estática del aire para una sección de serpentín sin ventiladores
Figura A.9 - Aparato alternativo para medición del flujo de aire
Figura A.10 - Ejemplo de etiqueta para acondicionadores de aire tipo central
Figura A.11 - Opciones de conexión para medir la presión estática
Tablas
Tabla 1 - Nivel de Relación de Eficiencia Energética Estacional (REEE), en acondicionadores de aire tipo central
Tabla 2a- Condiciones para equipos inverter
Tabla 2b- Condiciones para equipos de capacidad por etapas
Tabla 3 - Coeficientes de descarga para toberas
Tabla 4 - Valor del factor de carga de acuerdo con la temperatura del aire.
Tabla 5 - Valor de presión estática externa mínima de acuerdo con la capacidad de enfriamiento
Tabla 6 - Horas Fraccionales "bin" para ser utilizadas en el cálculo del REEE
Tabla 7 - Cantidad de acondicionadores de aire para muestreo
Tabla 8 - Número de certificados a evaluar durante el seguimiento
Tabla 9 - Agrupación por familias
Tabla B.1 - Métodos aplicables para el cálculo de la capacidad de enfriamiento
Tabla B.2 - Tolerancias de las mediciones de prueba
Tabla B.3 - Datos a ser registrados
1. Objetivo y campo de aplicación
Este Proyecto de Norma Oficial Mexicana establece el nivel mínimo de Relación de Eficiencia Energética Estacional (REEE) que deben cumplir los acondicionadores de aire tipo central; especifica además los métodos de prueba que deben usarse para verificar dicho cumplimiento y define los requisitos que se deben de incluir en la etiqueta de información al público.
Aplica para los acondicionadores de aire tipo central, paquete o tipo dividido con sistema de ductos, operados con energía eléctrica, en capacidades nominales de enfriamiento de 5 275 W hasta 19 050 W que funcionan por compresión mecánica y que incluyen un serpentín evaporador enfriador de aire, un serpentín condensador enfriado por aire, y que incluye un compresor de una sola velocidad (capacidad fija) o un compresor inverter (de frecuencia o flujo de refrigerante variable) o un compresor de velocidades por etapas (capacidad por etapas), con o sin ciclo reversible, los cuales se importen, fabriquen, o comercialicen en los Estados Unidos Mexicanos.
Este Proyecto de Norma Oficial Mexicana tutela el objetivo legítimo de interés público IX, con relación al uso y aprovechamiento de los recursos naturales de la Ley de Infraestructura de la Calidad.
1.1 Excepciones
Quedan excluidos del campo de aplicación.
a) Los acondicionadores de aire tipo dividido con descarga libre y sin conductos de aire (conocidos como minisplit y multisplit, que operen con un compresor de una sola velocidad (capacidad fija) o un compresor de frecuencia variable (inverter).
b) Equipos de precisión.
c) Aquellos equipos que se establecen en otra Norma Oficial Mexicana en materia de eficiencia energética.
Este Proyecto de Norma Oficial Mexicana no incluye métodos de prueba para evaluar la eficiencia de componentes individuales de los equipos.
2. Referencias
Para la correcta aplicación de este Proyecto de Norma Oficial Mexicana deben consultarse las normas oficiales mexicanas siguientes o la que las sustituyan:
- NOM-008-SE-2021, Sistema general de unidades de medida (cancela a la NOM-008-SCFI-2002), publicada en el Diario Oficial de la Federación el 29 de diciembre de 2023.
- NOM-024-SCFI-2013, Información comercial para empaques, instructivos y garantías de los productos electrónicos, eléctricos y electrodomésticos, publicada en el Diario Oficial de la Federación el 12 de agosto de 2013.
3. Definiciones
Para los efectos de este Proyecto de Norma Oficial Mexicana se aplican las siguientes definiciones:
3.1 Aire estándar
Aire seco a condiciones de temperatura de 21.1 °C y a una presión de 101.325 kPa, el aire seco tiene una densidad de masa de 1.204 kg/m3.
3.2 Acondicionador de aire tipo central
Equipo en el cual el aire es distribuido al espacio o los espacios a acondicionar a través de un sistema con ductos. Estos pueden, a su vez, trabajar con compresores de capacidad fija, inverter o de capacidad por etapas.
3.3 Capacidad de deshumidificación
Habilidad que tiene el equipo para remover la humedad del aire de un espacio cerrado.
3.4 Capacidad de enfriamiento
Habilidad que tiene el equipo para remover el calor de un espacio cerrado, expresada en watts.
3.5 Capacidad latente de enfriamiento
Razón a la cual el equipo remueve el calor latente del aire que pasa a través de éste, bajo condiciones específicas de operación, expresada en watts.
3.6 Capacidad sensible de recalentamiento
Razón a la cual el equipo remueve el calor sensible del aire que pasa a través de éste, bajo condiciones específicas de operación, expresada en watts.
3.7 Capacidad total de enfriamiento
Razón a la cual el equipo remueve el calor del aire que pasa a través de éste, bajo condiciones específicas de operación, expresada en watts.
3.8 Coeficiente de Degradación (CD)
Medida de la pérdida de eficiencia debida a la realización de ciclos del equipo.
3.9 Enfriamiento latente
Cantidad de enfriamiento, necesaria para remover, por condensación, el vapor de agua del aire que pasa a través del serpentín evaporador durante un lapso, expresada en watts.
3.10 Enfriamiento sensible
Cantidad de enfriamiento que remueve calor del ambiente, disminuyendo la temperatura sensiblemente, desarrollado por el equipo en un lapso, excluyendo el enfriamiento latente, expresada en watts.
3.11 Acondicionador de aire central tipo dividido
Equipo diseñado para operar en un sistema con ductos, en el cual la unidad evaporadora y la unidad condensadora son separadas una de la otra y cuyo diseño permite a los componentes trabajar en conjunto.
3.12 Acondicionador de aire central tipo paquete
Equipo diseñado para operar en un sistema con ductos, en el cual, la unidad evaporadora y la unidad condensadora son acopladas en un solo gabinete.
3.13 Acondicionador de aire de precisión
Equipo (tipo gabinete/armario o techo) diseñado para controlar y mantener condiciones de temperatura y humedad relativa constantes con una mínima variación (± 1°C y ± 5 % respectivamente), así como para operar de manera continua y que puede o no contar con una unidad exterior para su funcionamiento.
3.14 Estado estable
Característica en la cual se mantienen constantes todas las condiciones interiores y exteriores de prueba y el equipo está en el modo de "operación sin cambio".
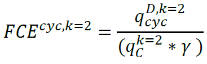
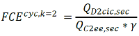
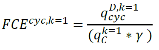
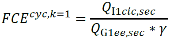
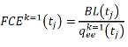
3.15 Factor de Carga de Enfriamiento (FCE)
La relación que tiene como numerador el enfriamiento total entregado durante un intervalo de funcionamiento cíclico que consta de un período de encendido y un período de apagado. El denominador es el enfriamiento total que se entregaría, dadas las mismas condiciones ambientales, si la unidad operara continuamente a su capacidad de enfriamiento de espacio en estado estable durante el mismo intervalo de tiempo total (encendido más apagado).
3.16 Factor de Carga Parcial (FCP)
Relación de Eficiencia Energética del ciclo (REECIC) a la Relación de Eficiencia Energética del estado estable (REEEE), determinada en función de la operación bajo condiciones ambientales idénticas.
3.17 Intervalo de volumen del aire de enfriamiento al máximo
Lapso que resulta durante cada prueba cuando la unidad es operada a una presión estática externa de cero Pascales y con el ventilador ajustado en máxima velocidad al igual que el compresor en máxima velocidad.
3.18 Intervalo de volumen del aire de enfriamiento intermedio
Lapso que resulta durante cada prueba cuando la unidad es operada a una presión estática externa de cero Pascales y con el ventilador ajustado a intermedia velocidad al igual que el compresor a intermedia velocidad.
3.19 Intervalo de volumen del aire de enfriamiento al mínimo
Lapso que resulta durante cada prueba cuando la unidad es operada a una presión estática externa de cero Pascales y con el ventilador ajustado en mínima velocidad al igual que el compresor en mínima velocidad.
3.20 Lado exterior (condensador)
Parte del equipo que rechaza o absorbe calor de una fuente externa al flujo de aire interior.
3.21 Lado interior (evaporador)
Parte del equipo que remueve o agrega el calor del flujo de aire interior.
3.22 Presión barométrica estándar
Presión atmosférica equivalente a una atmósfera igual a 101.325 kPa.
3.23 Prueba A
Prueba de desempeño a estado estable de serpentín húmedo, desarrollada con una temperatura del aire de entrada en el lado interior del equipo de 26.7 °C de bulbo seco y de 19.4 °C de bulbo húmedo. Con una temperatura del aire de entrada en el lado exterior del equipo de 35.0 °C de bulbo seco.
3.24 Prueba A2
Prueba de desempeño a estado estable de serpentín húmedo, desarrollada con una temperatura del aire de entrada en el lado interior del equipo de 26.7 °C de bulbo seco y de 19.4 °C de bulbo húmedo. Con una temperatura del aire de entrada en el lado exterior del equipo de 35.0 °C de bulbo seco y de 23.9 °C de bulbo húmedo, este último en caso de que el equipo rechace condensado en el serpentín exterior, mientras la unidad se encuentra operando a una velocidad máxima del compresor y a un intervalo de volumen de aire de enfriamiento al máximo.
3.25 Prueba B
Prueba de desempeño a estado estable de serpentín húmedo, desarrollada con una temperatura del aire de entrada en el lado interior del equipo de 26.7 °C de bulbo seco y de 19.4 °C de bulbo húmedo. Con una temperatura del aire de entrada en el lado exterior del equipo de 27.8 °C de bulbo seco.
3.26 Prueba B1
Prueba de desempeño a estado estable de serpentín húmedo, desarrollada con una temperatura del aire de entrada en el lado interior del equipo de 26.7 °C de bulbo seco y de 19.4 °C de bulbo húmedo. Con una temperatura del aire de entrada en el lado exterior del equipo de 27.8 °C de bulbo seco y de 18.3 °C de bulbo húmedo, este último en caso de que el equipo rechace condensado en el serpentín exterior, mientras la unidad se encuentra operando a una velocidad mínima del compresor y a un intervalo de volumen de aire de enfriamiento al mínimo.
3.27 Prueba B2
Prueba de desempeño a estado estable de serpentín húmedo, desarrollada con una temperatura del aire de entrada en el lado interior del equipo de 26.7 °C de bulbo seco y de 19.4 °C de bulbo húmedo. Con una temperatura del aire de entrada en el lado exterior del equipo de 27.8 °C de bulbo seco y de 18.3 °C de bulbo húmedo, este último en caso de que el equipo rechace condensado en el serpentín exterior, mientras la unidad se encuentra operando a una velocidad máxima del compresor y a un intervalo de volumen de aire de enfriamiento al máximo.
3.28 Prueba C
Prueba de desempeño a estado estable de serpentín seco, desarrollada con una temperatura del aire de entrada en el lado interior del equipo de 26.7 °C de bulbo seco y una temperatura de bulbo húmedo tal que no resulte en una formación de condensado en el serpentín condensador (13.9 °C o menos), y con una temperatura del aire de entrada en el lado exterior del equipo de 27.8 °C de bulbo seco.
3.29 Prueba D
Prueba de desempeño de serpentín seco con realización de ciclos (con la opción de encendido y apagado de forma manual o automática del circuito normal de control del equipo), desarrollada con una temperatura del aire de entrada en el lado interior del equipo de 26.7 °C de bulbo seco y una temperatura de bulbo húmedo tal que no resulte en una formación de condensado en el serpentín condensador (13.9 °C o menos) y con una temperatura del aire de entrada en el lado exterior del equipo de 27.8 °C de bulbo seco.
3.30 Prueba EV
Prueba de desempeño a estado estable de serpentín húmedo, desarrollada con una temperatura del aire de entrada en el lado interior del equipo de 26.7 °C de bulbo seco y de 19.4 °C de bulbo húmedo. Con una temperatura del aire de entrada en el lado exterior del equipo de 30.6 °C de bulbo seco y de 20.6 °C de bulbo húmedo, este último en caso de que el equipo rechace condensado en el serpentín exterior, mientras la unidad se encuentra operando a una velocidad intermedia del compresor y a un intervalo de volumen de aire de enfriamiento intermedio.
3.31 Prueba F1
Prueba de desempeño a estado estable de serpentín húmedo, desarrollada con una temperatura del aire de entrada en el lado interior del equipo de 26.7 °C de bulbo seco y de 19.4 °C de bulbo húmedo. Con una temperatura del aire de entrada en el lado exterior del equipo de 19.4 °C de bulbo seco y de 11.9 °C de bulbo húmedo, este último en caso de que el equipo rechace condensado en el serpentín exterior, mientras la unidad se encuentra operando a una velocidad mínima del compresor y a un intervalo de volumen de aire de enfriamiento al mínimo.
3.32 Prueba G1
Prueba de desempeño a estado estable de serpentín seco, desarrollada con una temperatura del aire de entrada en el lado interior del equipo de 26.7 °C de bulbo seco y una temperatura de bulbo húmedo tal que no resulte en una formación de condensado en el serpentín condensador (13.9 °C o menos), y con una temperatura del aire de entrada en el lado exterior del equipo de 19.4 °C de bulbo seco, mientras la unidad se encuentra operando a una velocidad mínima del compresor y a un intervalo de volumen de aire de enfriamiento al mínimo.
3.33 Prueba I1
Prueba de desempeño de serpentín seco con realización de ciclos (con la opción de encendido y apagado de forma manual o automática del circuito normal de control del equipo), desarrollada con una temperatura del aire de entrada en el lado interior del equipo de 26.7 °C de bulbo seco y una temperatura de bulbo húmedo tal
que no resulte en una formación de condensado en el serpentín condensador (13.9 °C o menos) y con una temperatura del aire de entrada en el lado exterior del equipo de 19.4 °C de bulbo seco, mientras la unidad se encuentra operando a una velocidad mínima del compresor y a un intervalo de volumen de aire de enfriamiento al mínimo.
3.34 Prueba C1
Prueba de desempeño a estado estable de serpentín seco, desarrollada con una temperatura del aire de entrada en el lado interior del equipo de 26.7 °C de bulbo seco y una temperatura de bulbo húmedo tal que no resulte en una formación de condensado en el serpentín condensador (13.9 °C o menos), y con una temperatura del aire de entrada en el lado exterior del equipo de 19.4 °C de bulbo seco, mientras la unidad se encuentra operando a una velocidad mínima del compresor y a un intervalo de volumen de aire de enfriamiento al mínimo.
3.35 Prueba C2
Prueba de desempeño a estado estable de serpentín seco, desarrollada con una temperatura del aire de entrada en el lado interior del equipo de 26.7 °C de bulbo seco y una temperatura de bulbo húmedo tal que no resulte en una formación de condensado en el serpentín condensador (13.9 °C o menos), y con una temperatura del aire de entrada en el lado exterior del equipo de 19.4 °C de bulbo seco, mientras la unidad se encuentra operando a una velocidad máxima del compresor y a un intervalo de volumen de aire de enfriamiento al máximo.
3.36 Prueba D1
Prueba de desempeño de serpentín seco con realización de ciclos (con la opción de encendido y apagado de forma manual o automática del circuito normal de control del equipo), desarrollada con una temperatura del aire de entrada en el lado interior del equipo de 26.7 °C de bulbo seco y una temperatura de bulbo húmedo tal que no resulte en una formación de condensado en el serpentín condensador (13.9 °C o menos) y con una temperatura del aire de entrada en el lado exterior del equipo de 19.4 °C de bulbo seco, mientras la unidad se encuentra operando a una velocidad mínima del compresor y a un intervalo de volumen de aire de enfriamiento al mínimo.
3.37 Prueba D2
Prueba de desempeño de serpentín seco con realización de ciclos (con la opción de encendido y apagado de forma manual o automática del circuito normal de control del equipo), desarrollada con una temperatura del aire de entrada en el lado interior del equipo de 26.7 °C de bulbo seco y una temperatura de bulbo húmedo tal que no resulte en una formación de condensado en el serpentín condensador (13.9 °C o menos) y con una temperatura del aire de entrada en el lado exterior del equipo de 19.4 °C de bulbo seco, mientras la unidad se encuentra operando a una velocidad máxima del compresor y a un intervalo de volumen de aire de enfriamiento al máximo.
3.38 Prueba de serpentín húmedo
Prueba conducida a temperaturas interiores de bulbo seco y húmedo, tales que la humedad se condense en el serpentín evaporador del equipo de prueba.
3.39 Prueba de serpentín seco
Prueba conducida a temperaturas interiores de bulbo seco y húmedo, tales que la humedad no se condense en el serpentín evaporador del equipo.
3.40 Realización de ciclos
Estado en que las condiciones de prueba interiores y exteriores se deben mantener constantes y el equipo se debe encender y apagar manualmente durante lapsos específicos para emular una operación a carga parcial.
3.41 Refrigerante
Fluido de trabajo que utiliza el sistema de refrigeración del equipo acondicionador de aire; éste cambia del estado líquido a vapor en el proceso de absorción de calor, en el serpentín evaporador y de vapor a líquido en el serpentín del condensador.
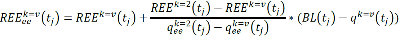
3.42 Relación de Eficiencia Energética Estacional (REEE)
Relación del enfriamiento total en watts térmicos (
), de un equipo acondicionador de aire central, tipo paquete o dividido, transferidos del interior al exterior, durante un año de uso, dividido entre la potencia eléctrica total suministrada al equipo en watts eléctricos (
) durante el mismo lapso. 3.43 Serpentín condensador
Intercambiador de calor, el cual desecha el calor removido del espacio por acondicionar a una fuente externa.
3.44 Serpentín evaporador
Intercambiador de calor que remueve el calor del espacio por acondicionar.
3.45 Sistema con ductos
Instalación diseñada para colocarse de manera permanente con el fin de distribuir el aire acondicionado a los espacios donde es requerido por el usuario. El acondicionador de aire o bomba de calor que se acopla a estos ductos, puede ser un acondicionador de aire tipo dividido o un acondicionador de aire tipo paquete.
3.46 Velocidad máxima del compresor (máxima)
Es la especificada por el fabricante a la que opera la unidad en condiciones de prueba de carga completa.
3.47 Velocidad intermedia del compresor (Int)
Velocidad baja del compresor más un tercio de la diferencia entre la velocidad baja del compresor y la velocidad máxima del compresor con una tolerancia de más 5 % o el siguiente paso de frecuencia superior del inversor, especificada por el fabricante.
3.48 Velocidad baja del compresor (mínima)
Es la especificada por el fabricante a la que opera la unidad en condiciones de prueba de carga baja.
4. Símbolos y abreviaturas
| A | Ancho del ducto |
| Aua | Coeficiente de fugas de calor [J/ (S)(°C)] |
| An | Área de tobera (m2) |
| B | Alto del ducto o de la salida |
| | Carga del área a acondicionar |
| C | Coeficiente de descarga de tobera |
| CD | Coeficiente de degradación |
| | Coeficiente de degradación a la condición cíclica a velocidad mínima de enfriamiento pruebas G1 y I1 |
| | Coeficiente de degradación a la condición cíclica a velocidad mínima de enfriamiento pruebas C1 y D1 |
| | Coeficiente de degradación a la condición cíclica a velocidad máxima de enfriamiento pruebas C2 y D2 |
| Cpa | Calor específico del aire [J/ (kg °C)] de aire seco |
| Cpa1 | Calor específico a presión constante de la mezcla aire agua de aire seco (Wh/kg°C) |
| Cpw | Calor específico del agua [J/ (kg °C)] |
| D | Diámetro de la garganta de la tobera (mm) |
| Dt | Diámetro del tubo del refrigerante en (mm) |
| Eeek(35.0°C) | Potencia eléctrica de entrada de la prueba A con temperatura del aire de entrada del lado exterior de 35.0 °C de bulbo seco |
| Eeek=²(35.0°C) | Potencia eléctrica de entrada de la prueba A2 con temperatura del aire de entrada del lado exterior de 35.0 °C de bulbo seco |
| Eeek=i(30.6°C) | Potencia eléctrica de entrada de la prueba Ev con temperatura del aire de entrada del lado exterior de 30.6 °C de bulbo seco |
| Eeek(27.8°C) | Potencia eléctrica de entrada de la prueba B con temperatura del aire de entrada del lado exterior de 27.8 °C de bulbo seco |
| Eeek=1(27.8°C) | Potencia eléctrica de entrada de la prueba B1 con temperatura del aire de entrada del lado exterior de 27.8 °C de bulbo seco |
| Eeek=²(27.8°C) | Potencia eléctrica de entrada de la prueba B2 con temperatura del aire de entrada del lado exterior de 27.8 °C de bulbo seco |
| Eeek=1(19.4°C) | Potencia eléctrica de entrada de la prueba F1 con temperatura del aire de entrada del lado exterior de 19.4 °C de bulbo seco |
| ECee,seco(27.8°C) | Potencia eléctrica de entrada de la prueba C con temperatura del aire de entrada del lado exterior de 27.8 °C de bulbo seco |
| EDcic,seco(27.8°C) | Potencia eléctrica de entrada de la prueba D con temperatura del aire de entrada del lado exterior de 27.8 °C de bulbo seco |
| EG1ee,seco(19.4°C) | Potencia eléctrica de entrada de la prueba G1 con temperatura del aire de entrada del lado exterior de 19.4 °C de bulbo seco |
| E I1cic,seco(19.4°C) | Potencia eléctrica de entrada de la prueba I1 con temperatura del aire de entrada del lado exterior de 19.4 °C de bulbo seco |
| Ei | Potencia de entrada lado interior (W) |
| Et | Potencia de entrada, watts totales (W) |
| | Consumo de energía calculado para cada Bin de la Tabla 6 del inciso 9.8.2.1 de este Proyecto de Norma Oficial Mexicana |
| FCE | Factor de Carga de Enfriamiento |
| | Factor de Carga de Enfriamiento a la condición cíclica a velocidad mínima de enfriamiento |
| | Factor de Carga de Enfriamiento a la condición cíclica a velocidad máxima de enfriamiento |
| | Factor de Carga de Enfriamiento a la condición de velocidad mínima de enfriamiento a la temperatura Bin indicada |
| | Factor de Carga de Enfriamiento a la condición de velocidad máxima de enfriamiento a la temperatura Bin indicada |
| FCP | Factor de Carga Parcial |
| | Factor de Carga Parcial |
| FCP(0.5) | Factor de funcionamiento de carga parcial cuando el factor de carga de enfriamiento es igual a 0.5 |
| FT | Factor de tamaño igual a 1.1 (adimensional) |
| | Horas fraccionarias "Bin" |
| | Factor dependiente de la temperatura para NRe |
| ha1 | Entalpía del aire entrando al lado interior J por kg de aire seco |
| ha2 | Entalpía del aire saliendo al lado interior J por kg de aire seco |
| ha3 | Entalpía del aire entrando al lado exterior J por kg de aire seco |
| ha4 | Entalpía del aire saliendo al lado exterior J por kg de aire seco |
| hf1 | Entalpía del refrigerante líquido a la temperatura de saturación correspondiente a la presión del vapor refrigerante saliendo del compresor (J/kg) |
| hg1 | Entalpía del vapor refrigerante entrando al compresor en condiciones específicas (J/kg) |
| hk1 | Entalpía de flujo del vapor entrando a evaporador calorímetro (J/kg) |
| hk2 | Entalpía de flujo del vapor saliendo a evaporador calorímetro (J/kg) |
| hr1 | Entalpía del refrigerante entrando al lado interior (J/kg) |
| hr2 | Entalpía del refrigerante saliendo del lado interior (J/kg) |
| L | Largo de la línea del refrigerante (m) |
| Ldp | Largo mínimo del dispositivo de igualación |
| MCE | Factor de ajuste de energía en modo enfriamiento |
| MCq | Factor de ajuste de capacidad en modo enfriamiento |
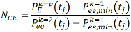
| NCE | Factor de ajuste de energía en modo enfriamiento |
| NCq | Factor de ajuste de capacidad en modo enfriamiento |
| NRe | Número de Reynolds |
| P | Velocidad de presión en la garganta de la tobera o diferencia de la presión estática a través de la tobera (Pa) |
| Pa | Presión barométrica (kPa) |
| | Presión barométrica que tiene el lugar en donde se realiza la prueba (Pa) |
| Pn | Presión en la garganta de la tobera (kPa) |
| | Consumo de energía mínimo en la temperatura Bin indicada |
| | Consumo de energía mínimo en estado estable a la temperatura Bin indicada |
| | Consumo de energía máximo en la temperatura Bin indicada |
| | Consumo de energía registrado en la prueba A2 |
| | Consumo de energía registrado en la prueba B1 |
| | Consumo de energía registrado en la prueba B2 |
| | Consumo de energía registrado en la prueba EV |
| | Consumo de energía registrado en la prueba F1 |
| q | Capacidad del compresor (W) |
| Qeek(35.0°C) | Capacidad total de enfriamiento de la prueba A con temperatura del aire de entrada del lado exterior de 35.0 °C de bulbo seco |
| Qeek= 2(35.0°C) | Capacidad total de enfriamiento de la prueba A2 con temperatura del aire de entrada del lado exterior de 35.0 °C de bulbo seco |
| Qeek=i(30.6°C) | Capacidad total de enfriamiento de la prueba Ev con temperatura del aire de entrada del lado exterior de 30.6 °C de bulbo seco |
| Qeek(27.8°C) | Capacidad total de enfriamiento de la prueba B con temperatura del aire de entrada del lado exterior de 27.8 °C de bulbo seco |
| Qeek=1(27.8°C) | Capacidad total de enfriamiento de la prueba B1 con temperatura del aire de entrada del lado exterior de 27.8 °C de bulbo seco |
| Qeek=2(27.8°C) | Capacidad total de enfriamiento de la prueba B2 con temperatura del aire de entrada del lado exterior de 27.8ºC de bulbo seco |
| QCee,seco(27.8°C) | Capacidad total de enfriamiento de la prueba C con temperatura del aire de entrada del lado exterior de 27.8 °C de bulbo seco |
| Qeek=1(19.4°C) | Capacidad total de enfriamiento de la prueba F1 con temperatura del aire de entrada del lado exterior de 19.4 °C de bulbo seco |
| Qee,sec | Capacidad total de enfriamiento de estado estable de la prueba C (W) |
| QF1ee,sec | Capacidad total de enfriamiento de estado estable de la prueba F1 (W) |
| QDcic,sec(27.8°C) | Capacidad total de enfriamiento de la prueba D con temperatura del aire de entrada del lado exterior de 27.8 °C de bulbo seco |
| QG1ee,seco(19.4°C) | Capacidad total de enfriamiento de la prueba G1 con temperatura del aire de entrada del lado exterior de 19.4 °C de bulbo seco |
| QI1cic,seco(19.4°C) | Capacidad total de enfriamiento de la prueba I1 con temperatura del aire de entrada del lado exterior de 19.4 °C de bulbo seco |
| Qcic,sec | Enfriamiento total de un ciclo que consiste en un lapso de apagado y uno de encendido del compresor (Wh) |
| Qi | Flujo de aire interior calculado (m3/s) |
| Qmi | Flujo de aire interior medido (m3/s) |
| Qmo | Flujo de aire exterior medido (m3/s) |
| Qs | Flujo de aire estándar (m3/s) |
| | Capacidad de enfriamiento del espacio determinado por la prueba A2 y calculada como se establece en la sección 9.5.3.3 |
| qL | Pérdidas en la tubería de interconexión (W) |
| qe | Entrada de calor al calorímetro evaporador (W) |
| q1ci | Capacidad latente de enfriamiento (datos del lado interior) (W) |
| qsi | Capacidad sensible de recalentamiento (datos del lado interior) (W) |
| qsri | Capacidad sensible de recalentamiento (datos del lado interior) (W) |
| qtc | Capacidad total de enfriamiento, datos de compresor (W) |
| qtci | Capacidad total de enfriamiento (datos del lado interior) (W) |
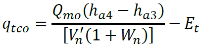
| qtco | Capacidad total de enfriamiento (datos del lado exterior) (W) |
| | Capacidad calculada para cada Bin de la Tabla 6 del inciso 9.8.2.1 de este Proyecto de Norma Oficial Mexicana |
| | Capacidad de enfriamiento a velocidad intermedia del compresor a la temperatura Bin indicada |
| | Capacidad de enfriamiento mínima en la temperatura Bin indicada |
| | Capacidad de enfriamiento mínima en estado estable a la temperatura Bin indicada |
| | Capacidad de enfriamiento máxima en la temperatura Bin indicada |
| | Capacidad de enfriamiento del espacio determinado por la prueba A2 |
| | Capacidad de enfriamiento del espacio determinado por la prueba B1 |
| | Capacidad de enfriamiento del espacio determinado por la prueba B2 |
| | Capacidad de enfriamiento del espacio determinado por la prueba EV |
| | Capacidad de enfriamiento del espacio determinado por la prueba F1 |
| REEA | Relación de Eficiencia Energética determinada de la prueba A |
| REEA2 | Relación de Eficiencia Energética determinada de la prueba A2 |
| REEB | Relación de Eficiencia Energética determinada de la prueba B |
| REEB1 | Relación de Eficiencia Energética determinada de la prueba B1 |
| REEB2 | Relación de Eficiencia Energética determinada de la prueba B2 |
| REEC | Relación de Eficiencia Energética determinada de la prueba C |
| REEEV | Relación de Eficiencia Energética determinada de la prueba EV |
| REEF1 | Relación de Eficiencia Energética determinada de la prueba F1 |
| REEDcic,sec | Relación de Eficiencia Energética de la prueba D (Wt/We) |
| REEI1cic,sec | Relación de Eficiencia Energética de la prueba I1 (Wt/We) |
| REECee,sec | Relación de Eficiencia Energética de la prueba C (Wt/We) |
| REEG1ee,sec | Relación de Eficiencia Energética de la prueba G1 (Wt/We) |
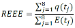
| REEE | Relación de Eficiencia Energética Estacional (Wt/We) |
| | Relación de eficiencia energética en estado estable cuando opera a velocidad y temperatura intermedia. Determinada utilizando la capacidad y el consumo de energía  |
| | Relación de eficiencia energética en estado estable cuando opera a velocidad y temperatura mínima. Determinada utilizando la capacidad y el consumo de energía  |
| | Relación de eficiencia energética en estado estable cuando opera a velocidad y temperatura máxima. Determinada utilizando la capacidad y el consumo de energía  |
| Ta1(t) | Temperatura de bulbo seco del aire de entrada al serpentín evaporador (°C) al tiempo (t) |
| Ta2(t) | Temperatura de bulbo seco del aire de salida del serpentín evaporador (°C) al tiempo (t) |
| tI | Temperatura de bulbo seco exterior de la Figura 1a |
| tII | Temperatura de bulbo seco exterior de la Figura 1a |
| ta | Temperatura ambiente (°C) |
| ta1 | Temperatura del aire entrando al lado interior, bulbo seco (°C) |
| ta2 | Temperatura del aire saliendo al lado interior, bulbo seco (°C) |
| ta3 | Temperatura del aire entrando al lado exterior, bulbo seco (°C) |
| ta4 | Temperatura del aire saliendo al lado exterior, bulbo seco (°C) |
| ta5 | Temperatura del aire saliendo del serpentín de recalentamiento, bulbo seco (°C) |
| tc | Temperatura de superficie calorímetro condensado (°C) |
| Th | Grosor del aislamiento de la tubería de interconexión (mm) |
| tw3 | Temperatura del agua entrando al lado exterior (°C) |
| tw4 | Temperatura del agua saliendo del lado exterior (°C). |
t | El promedio de las diferencias de temperatura entre el refrigerante y el ambiente circundante. |
| V | Razón de flujo de aire interior m3/s, a una temperatura de bulbo seco, razón de humedad y presión existente en la región de medición. |
| Va | Velocidad del aire, en la tobera (m/s) |
| Vr | Razón del flujo de refrigerante-aceite (m3/s) |
| vai | Volumen específico del aire saliendo del lado interior (m3/kg de aire seco) |
| vi1 | Volumen específico del aire entrando del lado interior (m3/kg de aire seco) |
| vn | Volumen específico del aire bajo condiciones de temperatura de bulbo húmedo y seco existentes en la tobera a una presión barométrica (m3/kg de aire seco) |
| v'n | Volumen específico del aire en la tobera (m3/kg de mezcla de aire-vapor de agua) |
| Wi1 | Razón de humedad, del aire entrando al aire interior (kg de humedad por kg de aire seco) |
| Wi2 | Razón de humedad, del aire saliendo al aire interior (kg de humedad por kg de aire seco) |
| Wn | Razón de humedad, del aire, en la tobera (kg de humedad por kg de aire seco) |
| wai | Razón de flujo del aire interior (kg/s) |
| wk | Razón de flujo del fluido condensado (vapor), (kg/s) |
| Wr | Razón de flujo del refrigerante (kg/s) |
| Ww | Razón de flujo del agua (kg/s) |
| x | Relación de peso de refrigerante a mezcla de refrigerante-aceite |
| r | Densidad del refrigerante (kg/m3) |
| G | Razón de flujo de aire interior (m3/s) a una temperatura de bulbo seco, razón de humedad, y presión existente en la región de medición |
| | Tiempo de encendido del ventilador interior |
| | Tiempo de apagado del ventilador interior |
| | Duración en horas de un ciclo completo, consistente en un encendido y un apagado de compresor |
5. Clasificación
Los equipos tipo central, incluidos en el alcance de este Proyecto de Norma Oficial Mexicana, deben ser clasificados de la siguiente forma:
5.1 Según la disposición de los componentes del equipo:
- Tipo dividido y
- Tipo paquete
5.2 Según la operación de equipo:
- Solo enfriamiento
- Con ciclo reversible
5.3 De acuerdo con la tecnología de operación del compresor:
- Capacidad fija
- Inverter
- Capacidad por etapas
6. Especificaciones
6.1 Límite de valor de Relación de Eficiencia Energética Estacional (REEE)
Los equipos objeto de este Proyecto de Norma Oficial Mexicana deben cumplir como mínimo con el valor de Relación de Eficiencia Energética Estacional, indicado en la Tabla 1:
Tabla 1 - Relación de Eficiencia Energética Estacional (REEE), mínima, para acondicionadores de aire
tipo central
| Capacidad de enfriamiento watts (BTU/hW) | Tipo de Equipo | REEE Wt/We (BTU/hW) |
| De 5 275 (18 000) hasta 19 050 (65 000) | Acondicionadores de aire tipo dividido, sin ciclo reversible (solo enfriamiento) | 3.93 (13.4) |
| Acondicionadores de aire tipo dividido, con ciclo reversible (bomba de calor) | 4.19 (14.3) |
| Acondicionadores de aire tipo paquete, con y sin ciclo reversible (solo enfriamiento y bomba de calor) | 3.93 (13.4) |
6.2 Determinación de los valores de Relación de Eficiencia Energética Estacional (REEE)
Para determinar los valores de la REEE, de los acondicionadores de aire, objeto de este Proyecto de Norma Oficial Mexicana, se debe aplicar únicamente el método de prueba descrito en el Capítulo 9, específicamente en el inciso 9.8.
7. Muestreo
El muestreo debe realizarse conforme a lo indicado en el inciso 12.5.2.1 del Procedimiento de Evaluación de la Conformidad, descrito en este Proyecto de Norma Oficial Mexicana.
8. Criterios de aceptación
Los acondicionadores de aire comprendidos dentro del campo de aplicación cumplen con el presente Proyecto de Norma Oficial Mexicana si se satisface con lo establecido en los incisos: 8.1 y 8.2.
8.1 Resultado de la prueba
Para cumplir con este Proyecto de Norma Oficial Mexicana, los resultados obtenidos de las mediciones de REEE efectuadas en las pruebas de laboratorio, deben ser igual o mayores que las establecidas en la Tabla 1, del inciso 6.1 de este Proyecto de Norma Oficial Mexicana, de acuerdo con el tipo de equipo.
8.2 Etiqueta
El titular (fabricante, importador o comercializador) es quien propone el valor de Relación de Eficiencia Energética Estacional (REEE) que debe incluirse en la etiqueta del modelo o familia que desee certificar; y este valor debe cumplir con las siguientes condiciones:
a) Ser siempre igual o mayor al valor mínimo de Relación de Eficiencia Energética Estacional (REEE) establecido en la Tabla 1, del inciso 6.1 de este Proyecto de Norma Oficial Mexicana.
b) En consideración a la dispersión de resultados que se presentan en pruebas iguales efectuadas en un mismo aparato o en pruebas iguales efectuadas en diferentes aparatos del mismo modelo o a la exactitud de los instrumentos de medición, se debe aceptar una variación de -5 % de la Relación de Eficiencia Energética Estacional, así como -10 % en la Capacidad de enfriamiento obtenida en pruebas con respecto a la marcada en la etiqueta, siempre y cuando este valor no sea menor al establecido en la Tabla 1 del inciso 6.1 de este Proyecto de Norma Oficial Mexicana.
9. Métodos de prueba y cálculos
9.1 Aplicación de los métodos de prueba
Las pruebas requeridas para la determinación de la capacidad de enfriamiento para los equipos incluidos en el alcance de este Proyecto de Norma Oficial Mexicana son las siguientes:
9.1.1 Equipos de capacidad fija
- Pruebas de desempeño en estado estable, serpentín húmedo (pruebas A y B)
- Prueba de desempeño en estado estable, serpentín seco (prueba C)
- Prueba de desempeño con realización de ciclos de motocompresor con serpentín seco (prueba D)
9.1.2 Equipos inverter
- Pruebas de desempeño en estado estable, serpentín húmedo (pruebas A2, B1, B2, EV, y F1)
- Prueba de desempeño en estado estable, serpentín seco (prueba G1)
- Prueba de desempeño con realización de ciclos de motocompresor con serpentín seco (prueba I1)
Tabla 2a - Condiciones de prueba para equipos inverter
| Descripción de la prueba | Temperaturas del aire entrando a la unidad en el cuarto interno | Temperaturas del aire entrando a la unidad en el cuarto externo | Velocidad del compresor | Rango de volumen del aire de enfriamiento |
| Bulbo seco °C | Bulbo Húmedo °C | Bulbo seco °C | Bulbo Húmedo °C |
| A2 Prueba- requerida (estable- serpentín húmedo) | 26.7 | 19.4 | 35 | 23.9(1) | Máxima | Enfriamiento al Máximo (²) |
| B1 Prueba- requerida (estable- serpentín húmedo) | 26.7 | 19.4 | 27.8 | 18.3(1) | Mínima | Enfriamiento Mínimo (4) |
| B2 Prueba- requerida (estable- serpentín húmedo) | 26.7 | 19.4 | 27.8 | 18.3(1) | Máxima | Enfriamiento al Máximo (²) |
| Ev Prueba- requerida (estable- serpentín húmedo) | 26.7 | 19.4 | 30.6 | 20.6(1) | Intermedia | Enfriamiento Intermedio (³) |
| F1 Prueba- requerida (estable- serpentín húmedo) | 26.7 | 19.4 | 19.4 | 11.9(1) | Mínima | Enfriamiento Mínimo (4) |
| G1 Prueba- opcional (estable- serpentín seco) | 26.7 | (5) | 19.4 | ***** | Mínima | Enfriamiento Mínimo (4) |
| I1 Prueba- opcional (cíclica- serpentín seco) | 26.7 | (5) | 19.4 | ***** | Mínima | (6) |
| Notas. 1. La condición de prueba aplica únicamente si la unidad rechaza condensado al serpentín exterior. 2. Definido en el inciso 3.17. 3. Definido en el inciso 3.18. 4. Definido en el inciso 3.19. 5. El aire entrando debe tener bajo contenido de humedad de manera que no forme condensado en el serpentín evaporador. 6. Mantenga el flujo de aire y la diferencia de presión estática a través de la tobera durante el periodo de encendido igual que los medidos durante la prueba G1. |
9.1.3 Equipos de capacidad por etapas
- Pruebas de desempeño en estado estable, serpentín húmedo (pruebas A2, B1, B2 y F1)
- Pruebas de desempeño en estado estable, serpentín seco (prueba C1 y C2)
- Prueba de desempeño con realización de ciclos de motocompresor con serpentín seco (prueba D1 y D2)
- Estas pruebas aplican a unidades con múltiples ventiladores
Tabla 2b - Condiciones de prueba para equipos de Capacidad por etapas
| Descripción de la prueba | Temperaturas del aire entrando a la unidad en el cuarto interno | Temperaturas del aire entrando a la unidad en el cuarto externo | Velocidad del compresor | Rango de volumen del aire de enfriamiento |
| Bulbo seco °C | Bulbo Húmedo °C | Bulbo seco °C | Bulbo Húmedo °C |
| A2 Prueba- requerida (estable- serpentín húmedo) | 26.7 | 19.4 | 35 | 23.9(1) | Máxima | Enfriamiento al Máximo (²) |
| B1 Prueba- requerida (estable- serpentín húmedo) | 26.7 | 19.4 | 27.8 | 18.3(1) | Mínima | Enfriamiento al Mínimo (³) |
| B2 Prueba- requerida (estable- serpentín húmedo) | 26.7 | 19.4 | 27.8 | 18.3(1) | Máxima | Enfriamiento al Máximo (²) |
| F1 Prueba- requerida (estable- serpentín húmedo) | 26.7 | 19.4 | 19.4 | 11.9(1) | Mínima | Enfriamiento Mínimo (³) |
| C1 Prueba- opcional (estable- serpentín seco) (5) | 26.7 | (4) | 19.4 | ***** | Mínima | Enfriamiento Mínimo (²) |
| C2 Prueba- opcional (estable- serpentín seco) (5) | 26.7 | (4) | 19.4 | ***** | Máxima | Enfriamiento Máximo (²) |
| D1 Prueba- opcional (cíclica- serpentín seco) (5) | 26.7 | (4) | 19.4 | ***** | Mínima | (5) |
| D2 Prueba- opcional (cíclica- serpentín seco) (5) | 26.7 | (4) | 19.4 | ***** | Máxima | (5) |
| Notas. 1. La condición de prueba aplica únicamente si la unidad rechaza condensado al serpentín exterior. 2. Definido en el inciso 3.17. 3. Definido en el inciso 3.19. 4. El aire entrando debe tener bajo contenido de humedad de manera que no forme condensado en el serpentín evaporador (se recomienda una temperatura de bulbo húmedo de 13.9 ºC o menos). 5. Mantenga el flujo de aire y la diferencia de presión estática a través de la tobera durante el periodo de encendido igual que los medidos durante la prueba C1 o C2 Respectivamente. |
9.2 Condiciones de prueba
9.2.1 Tensión y frecuencia
Todas las pruebas deben llevarse a cabo con una tensión de suministro de 230 V±1 %, para los equipos monofásicos, o bien de 230 V±1 % o 460 V±1 %, para los equipos trifásicos, de acuerdo con lo especificado por el fabricante.
9.2.2 Instalación y flujo de aire
Antes de iniciar las pruebas, el equipo debe ser instalado de acuerdo con las especificaciones del fabricante, los equipos que sean diseñados para instalarse vertical u horizontal se deben probar en la orientación en la cual sea más común su instalación, y con un flujo de aire de 0.1888 m3/s por cada 3 514 W de enfriamiento.
La instalación de prueba debe ser diseñada de tal forma que no haya flujo de aire debido a convección natural o forzada a través del serpentín evaporador, mientras el ventilador interior esté apagado. Lo anterior debe realizarse con una instalación de deflectores que bloqueen el flujo de aire del equipo de prueba en el lapso de apagado.
Para equipos tipo dividido, las condiciones de prueba deben ser las mismas que las especificadas para equipos de exterior de tipo compresor simple, asumiendo que se encuentra en conjunto con un serpentín evaporador simple.
9.2.3 Pruebas de desempeño en estado estable, serpentín húmedo pruebas A y B
Estas se deben llevar a cabo con una temperatura del aire de entrada, en el lado interior del equipo, de 26.7 °C de bulbo seco y de 19.4 °C de bulbo húmedo.
La temperatura del aire de entrada, en el lado exterior del equipo, debe ser de 35.0 °C medida en el bulbo seco en la prueba A y de 27.8 °C para la prueba B.
La temperatura circundante del lado exterior del equipo, en cada prueba, debe ser la misma que la temperatura del aire de entrada en el lado exterior del equipo, excepto para equipos que sean diseñados exclusivamente para instalación interior, en cuyo caso la temperatura del aire circulante, en el lado interior del equipo, debe ser de 26.7 °C medida en el bulbo seco.
Para aquellos equipos que rechazan condensado al serpentín, localizado en el lado exterior del equipo, la temperatura del aire circulante, en el lado exterior del equipo, debe ser de 23.9 °C medida en el bulbo húmedo para la prueba A y de 18.3 °C para la prueba B.
Las tolerancias en las mediciones de estas temperaturas se encuentran especificadas en la Tabla B.2 del Apéndice B de este Proyecto de Norma Oficial Mexicana.
9.2.4 Pruebas de desempeño a estado estable serpentín húmedo para equipos inverter, pruebas A2, B2, EV, B1 y F1
Las pruebas A2, B2, EV, B1 y F1 deben llevarse a cabo mientras la unidad es operada de acuerdo con las condiciones especificadas en la Tabla 2a del inciso 9.1.2 de este Proyecto de Norma Oficial Mexicana.
La temperatura circundante del lado exterior del equipo, en cada prueba, debe ser la misma que la temperatura del aire de entrada en el lado exterior del equipo. Excepto para equipos que sean diseñados exclusivamente para instalación interior, en cuyo caso la temperatura de bulbo seco del aire circundante del lado interior del equipo debe ser de 26.7 °C.
9.2.5 Pruebas de desempeño a estado estable serpentín húmedo para equipos por capacidad por etapas, pruebas A2, B1, B2, y F1
Las pruebas A2, B1, B2, y F1 deben llevarse a cabo mientras la unidad es operada de acuerdo con las condiciones especificadas en la Tabla 2b del inciso 9.1.3 de este Proyecto de Norma Oficial Mexicana.
La temperatura circundante del lado exterior del equipo, en cada prueba, debe ser la misma que la temperatura del aire de entrada en el lado exterior del equipo. Excepto para equipos que sean diseñados exclusivamente para instalación interior, en cuyo caso la temperatura de bulbo seco del aire circundante del lado interior del equipo debe ser de 26.7 °C.
9.2.6 Prueba de desempeño en estado estable, serpentín seco para equipos de capacidad fija, pruebas C, y prueba de desempeño con realización de ciclos de motocompresor con serpentín seco, prueba D
Las pruebas C y D se deben realizar con una temperatura del aire de entrada, en el lado interior del equipo, de 26.7 °C medido en el bulbo seco y con una temperatura medido en el bulbo húmedo tal, que no resulte en una formación de condensado en el serpentín evaporador (usar 13.9 °C o menos).
La temperatura del aire de entrada de bulbo seco, en el lado exterior del equipo, debe ser objeto de las mismas condiciones que las requeridas para llevar a cabo la prueba B (inciso 9.2.3).
Las tolerancias en las mediciones de estas temperaturas se encuentran especificadas en la Tabla B.2 del inciso Apéndice B de este Proyecto de Norma Oficial Mexicana.
La prueba C debe llevarse a cabo con el equipo operando en condiciones normales de operación. La prueba D debe llevarse a cabo con el equipo realizando ciclos, con la operación de encendido y apagado, de forma manual o automática, del circuito normal de control del equipo.
El equipo debe realizar ciclos con el compresor encendido por 6 minutos y apagado por 24 minutos.
El ventilador interior también debe encenderse y apagarse, la duración de los lapsos de encendido y apagado son gobernados por los controles automáticos que normalmente el fabricante suministra con el equipo.
9.2.7 Prueba de desempeño a estado estable serpentín seco para equipos inverter, prueba G1 y prueba de desempeño con realización de ciclos de motocompresor con serpentín seco prueba I1.
Las pruebas G1 y I1 deben llevarse a cabo mientras la unidad es operada de acuerdo con las condiciones especificadas en la Tabla 2a del inciso 9.1.2 de este Proyecto de Norma Oficial Mexicana y con una temperatura de bulbo húmedo tal, que no resulte en una formación de condensado en el serpentín evaporador (usar una temperatura interior de bulbo húmedo de 13.9 °C o menos).
La temperatura de bulbo seco del aire de entrada de la parte exterior del equipo debe ser objeto de las mismas condiciones que las requeridas para llevar a cabo la prueba F1.
La prueba G1 debe llevarse a cabo con el equipo operando en condiciones normales de operación. La prueba I1 debe llevarse a cabo con el equipo realizando ciclos, con la operación de encendido y apagado de forma manual o automática del circuito normal de control del equipo.
El equipo debe realizar ciclos con el compresor encendido por 12 minutos y apagado por 48 minutos.
El ventilador interior también debe encenderse y apagarse, la duración de los lapsos de encendido y apagado son gobernados por los controles automáticos que normalmente el fabricante suministra con el equipo.
9.2.8 Prueba de desempeño a estado estable serpentín seco para equipos por capacidad por etapas, pruebas C1, C2 y prueba de desempeño con realización de ciclos de motocompresor con serpentín seco pruebas D1, D2.
Las pruebas C1, C2 y D1, D2 se realizan ya sea solo las pruebas C1 y D1 ó las pruebas C2 y D2, estas pruebas deben llevarse a cabo mientras la unidad es operada de acuerdo con las condiciones especificadas en la Tabla 2b del inciso 9.1.3 de este Proyecto de Norma Oficial Mexicana y con una temperatura de bulbo húmedo tal, que no resulte en una formación de condensado en el serpentín evaporador (usar una temperatura interior de bulbo húmedo de 13.9 °C o menor).
La temperatura de bulbo seco del aire de entrada de la parte exterior del equipo debe ser objeto de las mismas condiciones que las requeridas para llevar a cabo la prueba F1.
La prueba C1 ó C2 según corresponda debe llevarse a cabo con el equipo operando en condiciones normales de operación especificadas en la Tabla 2b del inciso 9.1.3 de este Proyecto de Norma Oficial Mexicana. La prueba D1 ó D2 según corresponda debe llevarse a cabo con el equipo realizando ciclos, con la operación de encendido y apagado de forma manual o automática del circuito normal de control del equipo.
El equipo debe realizar ciclos con el compresor encendido por 6 minutos y apagado por 24 minutos.
El ventilador interior también debe encenderse y apagarse, la duración de los lapsos de encendido y apagado son gobernados por los controles automáticos que normalmente el fabricante suministra con el equipo.
9.2.9 Coeficiente de Degradación (CD)Se debe utilizar un coeficiente de degradación nominal (CD) de 0.20 para determinar la Relación de Eficiencia Energética Estacional (REEE) para los equipos de:
- Capacidad fija
- Capacidad por etapas
Se debe utilizar un coeficiente de degradación nominal (CD) de 0.25 para determinar la Relación de Eficiencia Energética Estacional (REEE) para los equipos:
- Inverter
Si al haber aplicado este coeficiente el aparato cumple con el valor de REEE, es decisión del fabricante, importador o comercializador, efectuar las pruebas C y D para el cálculo del correspondiente coeficiente de degradación para equipos de capacidad fija, en su caso efectuar las pruebas G1 y I1 para el cálculo del correspondiente coeficiente de degradación para equipos inverter, y en el caso de los equipos con capacidad por etapas efectuar las pruebas C1 y D1 ó C2 y D2 según corresponda.
9.2.10 Dispositivos de igualación de presión
Cada dispositivo de igualación de presión debe tener una restricción ajustable localizada donde éste entra a la sección de ducto común, con el propósito de igualar la presión estática en cada uno de los dispositivos.
El largo mínimo del dispositivo de igualación de presión se calcula por la ecuación siguiente:
9.2.11 Toma de lecturas de la presión estática
Las lecturas de la presión estática deben tomarse a una distancia de
±1 cm de la salida. Conforme a lo indicado en la Figura A.7. 9.2.12, Interconexiones
Para los equipos central tipo dividido que rechacen el calor, todas las pruebas descritas en este Proyecto de Norma Oficial Mexicana se deben llevar a cabo con un mínimo de 7.6 m de tubería de interconexión entre cada componente interior ventilador-serpentín y el equipo exterior común.
El equipo en donde la tubería de interconexión se suministre como parte integral de éste, se debe probar con la totalidad de la tubería suministrada o con 7.6 m de tubería, lo que resulte mayor.
Los últimos 3.5 m de tubería deben estar expuestos a las condiciones del lado exterior. El tamaño de línea, aislamiento y detalles de instalación deben hacerse de acuerdo con las instrucciones de instalación del fabricante.
9.3 Instrumentos
Los instrumentos requeridos para realizar las pruebas son los siguientes:
9.3.1 Instrumentos para medición de temperaturas
Las mediciones de temperaturas se deben hacer con uno o más de los siguientes instrumentos:
- Termómetros de vidrio con columna de mercurio
- Termopares
- Termómetros de resistencia eléctrica
La exactitud en las mediciones de temperatura debe permanecer dentro de ±0.05 °C para las temperaturas del aire y dentro de ± 0.25 °C para todas las demás temperaturas.
Todas las mediciones de la temperatura del aire se deben tomar antes de las derivaciones para la medición de la presión estática, para el lado de entrada del aire y después de las derivaciones para la medición de la presión estática, para el lado de descarga del aire.
9.3.2 Instrumentos para mediciones de presión
Las mediciones de presión deben ser hechas con uno o más de los siguientes instrumentos:
- Columna de mercurio
- Tubo Bourdon
- Transductores electrónicos de presión
La exactitud de los instrumentos de medición debe permitir desviaciones dentro del ±2.5 % del valor indicado.
El tubo Bourdon y los transductores electrónicos de presión deben estar calibrados con respecto a un probador de peso muerto o por comparación con una columna de líquido.
La división más pequeña de los instrumentos de medición de presión no debe exceder, en ningún caso, 2.5 veces la exactitud especificada.
9.3.3 Condiciones de los instrumentos para mediciones de presión estática y flujo de aire
La presión estática a través de las toberas y las presiones de velocidad en las gargantas de las toberas deben ser medidas con manómetros que hayan sido previamente calibrados contra un manómetro estándar dentro del ±1.0 % del valor de la lectura. La división más pequeña de la escala del manómetro no debe exceder del 2 % del valor de la lectura.
La presión estática del ducto debe ser medida con manómetros que tengan una exactitud de ±2.5 Pa.
Las áreas de las toberas deben ser determinadas por la medición de sus diámetros en cuatro lugares alrededor de la tobera, apartados aproximadamente 45°, con una exactitud de ±0.2 %, y en cada uno de los dos planos a través de la garganta de la tobera, uno en el exterior y el otro en la sección recta cercana al radio.
9.3.4 Instrumentos eléctricos
Las mediciones eléctricas deben hacerse con instrumentos de indicación o de integración. Los instrumentos utilizados para la medición de la entrada de energía o potencia eléctrica para calentadores u otros aparatos que suministren cargas de calor deben tener una exactitud de ±1.0 % de la cifra medida. Los instrumentos utilizados para la medición de la entrada de energía o potencia eléctrica a los motores de ventilador, de compresor u otro equipo accesorio deben tener una exactitud de ±2.0 % del valor indicado.
La tensión eléctrica debe ser medida en las terminales de los equipos. Los equipos de medición utilizados deben tener una exactitud de ±1.0 % de la lectura.
9.3.5 Mediciones de presión del refrigerante
Las presiones del refrigerante deben ser medidas con manómetros (de alta y baja presión), con una exactitud de ±1.0 %.
9.3.6 Mediciones del flujo de líquido
La razón de flujo de agua y de salmuera debe ser medida con un medidor de flujo o un medidor de cantidad de líquido que cuenten con una exactitud de ±1.0 % del valor indicado.
La razón de recolección de condensado debe ser medido con un medidor de cantidad de líquido, midiendo el peso o el volumen y teniendo una exactitud de ±1.0 % del valor indicado.
9.3.7 Instrumentos de medición de velocidad
Las mediciones de velocidad deben hacerse con un contador de revoluciones, un tacómetro, un estroboscopio o un osciloscopio con una exactitud de ±1.0 % de la lectura medida.
9.3.8 Mediciones de peso y tiempo
Las mediciones de tiempo deben hacerse con instrumentos que cuenten con una exactitud de ±1.0 % del valor indicado. Los aparatos para mediciones de peso deben tener una exactitud de ±1.0 % del valor indicado.
9.4 Dispositivos para las mediciones de flujo de aire
9.4.1 Arreglos de los diferentes dispositivos para medición de entalpía
Se debe utilizar alguno de los siguientes arreglos de dispositivos de prueba:
- Arreglo de túnel aire - entalpía
- Arreglo de enlace aire - entalpía
- Arreglo de calorímetro de aire - entalpía
- Arreglo de cuarto de aire - entalpía
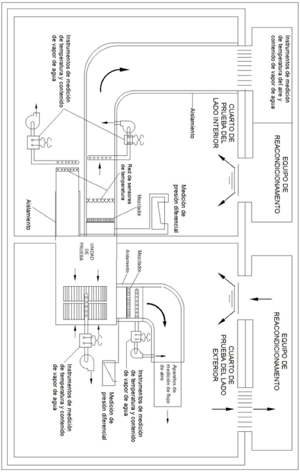
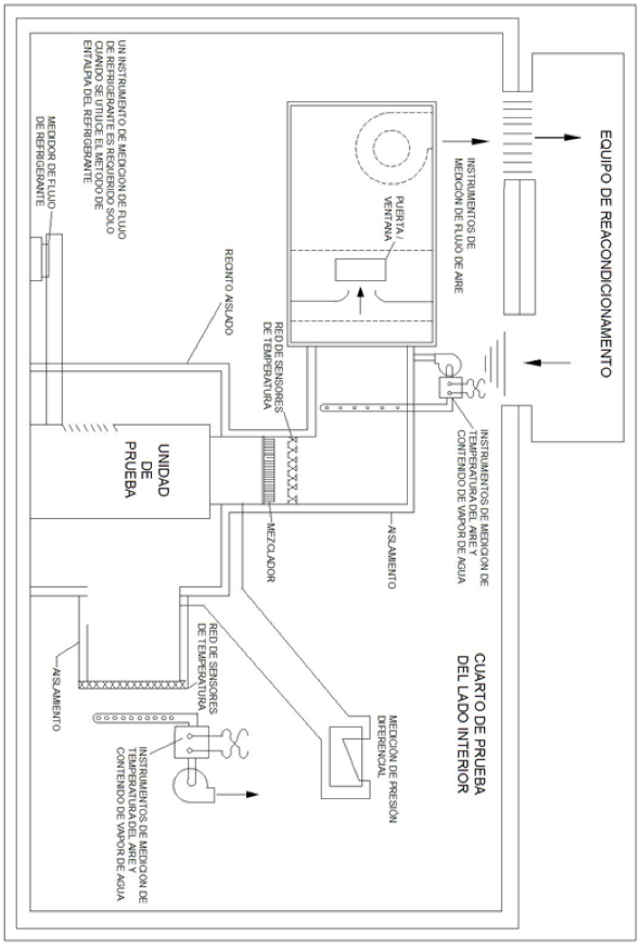
9.4.1.1 El arreglo de túnel aire - entalpía se muestra esquemáticamente en la Figura A.1. El equipo a probar se coloca en un cuarto o cuartos de pruebas. Se fija un instrumento de medición de flujo de aire a la descarga del aire del equipo (interior o exterior o ambos si es aplicable). Este instrumento debe descargar directamente dentro del espacio o cuarto de prueba que es equipado con los elementos adecuados para mantener el aire de entrada del equipo a las temperaturas de bulbo seco y húmedo deseables, así como para la medición de las temperaturas de bulbo seco y húmedo del aire de entrada y salida del equipo y de la resistencia externa.
9.4.1.2 El arreglo de enlace aire - entalpía se muestra esquemáticamente en la Figura A.2. Este arreglo difiere del arreglo de túnel en que el aparato de medición de aire de descarga es conectado a un equipo de reacondicionamiento adecuado, el cual, a su vez, es conectado a la entrada del equipo de prueba. Este cuarto de pruebas debe estar sellado para que las fugas de aire no excedan del ±1.0 % en lugares que podrían influenciar las mediciones de capacidad para determinar la razón de flujo de aire. La temperatura de bulbo húmedo del aire circundante al equipo debe estar dentro de ±3.0°C de la temperatura de bulbo húmedo requerida por la prueba. Las temperaturas de bulbo húmedo y seco y la resistencia externa deben ser medidas con los elementos adecuados.
9.4.1.3 El arreglo de calorímetro de aire - entalpía se muestra esquemáticamente en la Figura A.3. En este arreglo un "compartimiento" es puesto sobre el equipo, o la parte aplicable de éste, sometido a prueba. El "compartimiento" debe ser hermético y aislado, debe construirse con algún material no-higroscópico. Este debe ser suficientemente grande para permitir la entrada de aire y la circulación de éste entre el equipo y el "compartimiento". En ningún caso debe haber menos de 15 cm entre el equipo y las paredes del "compartimiento". La entrada al "compartimiento" debe ser localizada separada de la entrada del equipo de prueba a fin de permitir la libre circulación dentro del espacio cerrado. Debe conectarse un aparato de medición de aire a la descarga del equipo, éste debe estar bien aislado en la sección donde pase a través del espacio cerrado. Las temperaturas de bulbo seco y húmedo del aire de entrada al equipo deben ser medidas a la entrada del "compartimiento".
9.4.1.4 El arreglo de cuarto de aire - entalpía se muestra esquemáticamente en la Figura A.4. El equipo a ser probado es colocado dentro del cuarto de prueba. Un aparato de medición de aire es acoplado a la descarga de aire del equipo (evaporador o condensador, según sea aplicable), y conectado una vez más al equipo de reacondicionamiento. La descarga de aire del aparato de reacondicionamiento suministra las temperaturas adecuadas de bulbo seco y húmedo en los aparatos de muestreo de aire y manómetros que pueden medir las temperaturas de bulbo seco y húmedo y la resistencia externa como se requiere.
9.4.1.5 Los arreglos mostrados en las figuras A.1, A.2, A.3 y A.4 ilustran las posibilidades de arreglos de los aparatos de prueba y no deben ser construidos como aplicación específica o única de los tipos de equipos con los que se ilustran; sin embargo, se debe usar un "compartimiento" como se muestra en la Figura A.3 cuando el compresor está en la sección interior o es ventilado separadamente.
9.4.1.6 Pueden emplearse otros medios para el manejo de aire de salida de los aparatos de medición de flujo de aire y del suministro de aire a la entrada del equipo con las condiciones del inciso 9.1, con tal de que ello no interfiera con lo establecido para la medición de la razón de flujo de aire, la temperatura y la resistencia
externa, o que pueda crear condiciones anormales de prueba alrededor del equipo.
9.4.2 Dispositivo de toberas empleado para la medición de flujo de aire
9.4.2.1 Como se muestra en la Figura A.5, este aparato consiste básicamente en una cámara receptora y una cámara de descarga separadas por una pared en donde se localizan una o más toberas. El aire, del equipo bajo prueba, es transportado a través de ductos a la cámara de recepción que pasan a través de la o las toberas, y éste es expulsado al cuarto de pruebas o canalizado de nuevo a la entrada del equipo.
9.4.2.2 El aparato de tobera y sus conexiones al equipo de entrada deben ser sellados para que las fugas de aire no excedan del 1.0 % la medición de la razón del flujo de aire.
9.4.2.3 La distancia entre los centros de las toberas que son utilizadas no debe ser menor de 3 veces el diámetro de la garganta de la tobera más grande y la distancia del centro de cualquier tobera a la descarga más cercana al lado de la pared de la cámara receptora no debe ser menor que 1.5 veces del diámetro de su garganta.
9.4.2.4 Los difusores deben instalarse en la cámara de recepción por lo menos a 1.5 veces de la distancia del diámetro mayor de la garganta de la tobera, hacia arriba de la pared de división y en la cámara de descarga al menos a 2.5 veces de esta distancia hacia abajo de la misma pared.
9.4.2.5 Se debe instalar un ventilador de extracción, capaz de suministrar la presión estática adecuada a la salida del equipo, en una pared de la cámara de descarga y deben colocarse los elementos necesarios para suministrar la capacidad variable del ventilador.
9.4.2.6 Debe medirse la caída de presión estática a través de la o de las toberas con uno o más manómetros que tengan una exactitud de ±1.0 % de la lectura. Una terminal del manómetro se conecta a la derivación para la medición de presión estática, localizada a nivel de la pared interior de la cámara de recepción y la otra terminal debe ser conectada a la derivación para medición de presión estática localizada a nivel de la pared interior de la cámara de descarga, o preferiblemente, las diferentes derivaciones de medición de cada cámara deben conectarse a manómetros conectados en paralelo o conectados a un solo manómetro. Alternativamente, la presión de velocidad del flujo de aire a la salida de la o las toberas debe ser medida con un tubo de Pitot como se muestra en la Figura A.5, pero cuando se esté usando más de una tobera, las lecturas del tubo de Pitot deben ser determinadas para cada tobera.
9.4.2.7 Deben emplearse los elementos necesarios para determinar la densidad del aire en la garganta de las toberas.
9.4.3 Toberas
9.4.3.1 La velocidad en la garganta de cualquier tobera no debe ser menor de 15.2 m/s y no debe ser mayor de 35.6 m/s.
9.4.3.2 Cuando se construyan las toberas de acuerdo con la Figura A.6 y se instalen de acuerdo con los incisos: 9.4.2 a 9.4.3.1, éstas pueden ser usadas sin calibración. Si el diámetro de la garganta es de 12.7 cm o más, se asumirá un coeficiente de descarga de 0.99. Para toberas con diámetro menor a 12.7 cm, o donde sea deseable una mayor precisión del coeficiente de descarga, preferiblemente se puede calibrar la tobera o pueden usarse los valores de la Tabla 3 de este Proyecto de Norma Oficial Mexicana:
Tabla 3 - Coeficientes de descarga para toberas
| Número de Reynolds NRe | Coeficiente de descarga C |
| 50 000 | 0.97 |
| 100 000 | 0.98 |
| 150 000 | 0.98 |
| 200 000 | 0.99 |
| 250 000 | 0.99 |
| 300 000 | 0.99 |
| 400 000 | 0.99 |
| 500 000 | 0.99 |
El número de Reynolds debe ser calculado con la siguiente ecuación:
El factor de temperatura f se indica en la Tabla 4 de este Proyecto de Norma Oficial Mexicana:
Tabla 4 - Valor del factor de carga de acuerdo con la temperatura del aire
| Temperatura °C | Factor f |
| -6.7 | 78.2 |
| 4.4 | 72.2 |
| 15.6 | 67.4 |
| 26.7 | 62.8 |
| 37.8 | 58.1 |
| 48.9 | 55.0 |
| 60.0 | 51.9 |
| 71.1 | 48.8 |
9.4.4 Mediciones de presión estática
- Equipos con ventilador y una sola salida
- Equipos con ventiladores, salidas múltiples y evaporadores múltiples
- Equipos sin ventiladores
Cuando el equipo acondicionador de aire tiene su propio sistema para el movimiento del aire, tal equipo debe ser probado a una resistencia externa mínima como la mostrada en la Tabla 5 de este Proyecto de Norma Oficial Mexicana:
Tabla 5 - Valor de presión estática externa mínima de acuerdo con la capacidad de enfriamiento
| Capacidad de enfriamiento [W] | Presión estática externa mínima [Pa] |
| De 5 275 hasta 19 050 | 124.42 |
9.4.4.1 Equipos con ventilador y una sola salida
9.4.4.1.1 Como se muestra en la Figura A.7, una pequeña cámara de igualación de presión debe colocarse a la salida del lado de la descarga del equipo de prueba, donde se requieren las mediciones de presión estática externa. Este dispositivo debe descargar dentro de los aparatos de medición de aire (o en un aparato de amortiguamiento cuando no se emplean las mediciones directas de aire) y debe tener un área seccional igual a la de la salida del equipo a probar.
9.4.4.1.2 La presión estática externa debe medirse con un manómetro. Un lado del manómetro debe conectarse a las cuatro derivaciones de medición de presión externamente conectadas en la descarga del dispositivo de igualación de presión, estas derivaciones deben estar centradas en cada cara del dispositivo a una distancia de dos veces el diámetro seccional principal de la salida del equipo. Si se utiliza una conexión de ducto interior, el otro lado del manómetro debe ser conectado a las cuatro derivaciones de presión comunicadas entre sí, centradas en cada cara del ducto interior; en caso contrario, el otro lado del manómetro debe ser abierto al ambiente circundante. La conexión del ducto interior debe tener un área de sección transversal igual a aquella del equipo.
9.4.4.2 Equipos con ventiladores, salidas múltiples y evaporadores múltiples
9.4.4.2.1 Los equipos con conexiones exteriores de ductos de descarga múltiple o multi evaporadores deben tener un pequeño dispositivo de igualación de presión sujeto a cada salida, como lo muestra la Figura A.7. Cada cámara debe descargar dentro de una sección de ducto común, esta sección del ducto a su vez debe descargar en el aparato de medición de aire. Cada dispositivo debe tener una restricción ajustable localizada en el plano donde éstos entran a la sección del ducto común, con el propósito de igualar la presión estática. Los equipos con múltiples ventiladores que emplean un solo ducto de descarga de conexión bridada deben ser probados con un solo dispositivo, de acuerdo con el inciso 9.4.4.1.1. Cualquier otro arreglo de este tipo de dispositivo de prueba no debe ser usado, excepto para simular diseños de ductos específicamente recomendados por el fabricante del equipo.
9.4.4.3 Equipos sin ventiladores
9.4.4.3.1 Para las secciones de serpentín evaporador, las cuales no incorporan ventiladores, las conexiones de entrada y salida del ducto deben tener un área seccional igual a la brida del ducto o del serpentín suministrado o recomendado.
9.4.4.3.2 La caída de presión estática del aire debe ser medida por un manómetro como se muestra en la Figura A.8. Un lado del manómetro debe ser conectado externamente a cuatro derivaciones de medición de presión externamente comunicados en el ducto de salida, éstas son centradas en cada cara del ducto, localizadas a una distancia del serpentín como se muestra en esa figura. El otro lado del manómetro debe ser conectado externamente a cuatro derivaciones de medición de presión externamente comunicadas centradas en cada cara del ducto de entrada, localizadas a una distancia del serpentín como se muestra en la Figura A.8.
9.4.4.4 Requisitos generales para las mediciones de presión estática
9.4.4.4.1 El dispositivo de igualación de presión y la sección de los ductos deben ser sellados para prevenir fugas de aire, particularmente en las conexiones al equipo y a los aparatos de medición de aire, y
para prevenir las fugas de calor entre la salida del equipo y los instrumentos de medición de temperatura.
9.4.4.4.2 Las derivaciones para medición de presión estática deben consistir en niples soldados a la superficie exterior del dispositivo de igualación de presión con un diámetro de 6.3 mm, y centradas a través del dispositivo con un diámetro de orificio de 1 mm. Las orillas de estos orificios deben estar libres de rebabas y otras superficies irregulares.
9.4.4.4.3 Se debe medir la presión estática usando alguna de las opciones de conexión que se muestran en Figura A.11.
9.5 Métodos de prueba
9.5.1 Métodos de prueba aplicables
9.5.1.1 Descripción general
Los siguientes seis métodos son cubiertos en este Proyecto de Norma Oficial Mexicana:
a) Método de aire entalpía, lado interior (véase inciso 9.5.3)
b) Método de aire entalpía, lado exterior (véase inciso 9.5.3)
c) Método de calibración de compresor (véase incisos 9.5.4 y 9.5.5)
d) Método de entalpía de refrigerante (véase inciso 9.5.6)
e) Método de flujo de agua del serpentín condensador (véase inciso 9.5.7)
f) Método de medición indirecta del flujo de aire (véase inciso 9.5.8)
9.5.2 Aplicabilidad de los métodos de prueba
9.5.2.1 Descripción general
Los equipos tipo central deben probarse con el o los métodos establecidos en la Tabla B.1 del Apéndice B de este Proyecto de Norma Oficial Mexicana, para cada clasificación específica, y están sujetos a cualquier limitación adicional detallada en la sección de métodos de prueba.
9.5.2.2 Procedimientos de prueba para equipos de enfriamiento con suministro de aire
Todas las pruebas de funcionamiento de estado estable y de serpentín húmedo y seco en los equipos tipo paquete deben emplear simultáneamente el método aire - entalpía en el lado interior y algún otro método en el lado exterior, ya sea el método aire - entalpía o el método de calibración del compresor.
Todas las pruebas de funcionamiento de estado estable y de serpentín húmedo y seco en los equipos tipo dividido deben emplear simultáneamente el método aire - entalpía o el método de calibración del compresor en el lado interior y el método aire - entalpía, el método de calibración del compresor o el método de flujo de refrigerante en el lado exterior.
Las pruebas de funcionamiento cíclicas de serpentín seco deben emplear solamente el método aire-entalpía en el lado interior.
Los valores calculados por los dos métodos de prueba deben concordar en el orden de un 6 % para que las pruebas sean válidas. Deben usarse sólo los resultados del método aire-entalpía en el lado interior para los cálculos.
9.5.2.3 Procedimientos de pruebas de operación
Las pruebas de funcionamiento de estado estable serpentín húmedo (pruebas A, A2, B, B1, B2, Ev y F1) deben llevarse a cabo de acuerdo con las condiciones descritas en los incisos 9.2.1, 9.2.2, 9.2.3, 9.2.4, 9.2.5, 9.2.6 y 9.2.7 y los procedimientos descritos en esta sección.
Los aparatos y equipo de reacondicionamiento del cuarto de prueba, relativos a la prueba, deben operarse hasta que se alcancen las condiciones de equilibrio.
Las pruebas de funcionamiento de estado estable y realización de ciclos serpentín seco (pruebas C, C1, C2, D, D1, D2 G1 e I1) deben llevarse a cabo como se describe más adelante de acuerdo con las condiciones descritas en los incisos 9.2.1, 9.2.2, 9.2.3, 9.2.4, 9.2.5, 9.2.6 y 9.2.7.
Los aparatos y equipo de reacondicionamiento del cuarto de prueba, relativos a la prueba, deben ser operados hasta que se alcancen las condiciones de equilibrio, sin embargo, no debe ser menos de una hora antes que los datos de la prueba C, C1, C2 y G1 (según corresponda) sean registrados.
Para todos los métodos de prueba, la prueba C, C1, C2 y G1 debe ser llevada a cabo con un registro de datos a intervalos de 10 minutos hasta que se obtengan cuatro juegos consecutivos de lecturas con la tolerancia descrita en la Tabla B.2 del Apéndice B de este Proyecto de Norma Oficial Mexicana.
Cuando se use el método aire - entalpía en el lado exterior para la prueba C, C1, C2 y G1, los requisitos de este inciso deben aplicar a la prueba preliminar y a la prueba regular equipada.
Inmediatamente después de que la prueba se termine, el equipo de prueba debe ser encendido y apagado manualmente, usando los lapsos especificados en los incisos 9.2.6o 9.2.7 hasta que se alcancen las condiciones ambientales estables otra vez en ambas cámaras de prueba (exterior e interior), pero no debe operar menos de dos ciclos completos de encendido y apagado.
Si no se dispone de un interruptor en el diseño para la realización de ciclos, el equipo debe trabajar a través de un ciclo adicional, en este último ciclo, el cual es referido a un ciclo de prueba, las condiciones ambientales del cuarto de prueba (exterior e interior) deben permanecer dentro de las tolerancias especificadas en la Tabla B.2 del Apéndice B de este Proyecto de Norma Oficial Mexicana.
Todo el equipo para el movimiento del aire del lado exterior debe encenderse y apagarse cuando el compresor se encienda y apague.
Todo el equipo para el movimiento del aire del lado interior debe realizar ciclos, gobernado por algún control automático normalmente instalado con el equipo; esto aplica a los equipos que tienen un ventilador interior con retardador de tiempo. Los equipos que no son suministrados con un ventilador interior con retardador de tiempo deben contar con un equipo para el movimiento del aire del lado interior, tal que se encienda y apague cuando el compresor se encienda y apague.
Las pruebas de realización de ciclos de enfriamiento en equipos con velocidad variable deben llevarse a cabo por realización de ciclos del compresor de 12 minutos encendido y 48 minutos apagado.
La capacidad debe ser medida por la integración del tiempo (q), en el cual el compresor está 12 minutos encendido, o el tiempo que permanezca encendido cuando esté en funcionamiento el retardador del ventilador, si se encuentra presente. La energía eléctrica debe ser medida por la integración total del tiempo (
cic) de 60 minutos. 9.5.3 Método aire entalpía
9.5.3.1 En el método de aire entalpía, la capacidad se determina a partir de las mediciones de las temperaturas de bulbo seco y húmedo tanto en la entrada como en la salida, junto con la razón de flujo de aire correspondiente.
9.5.3.2 Este método debe emplearse para las pruebas del lado interior de todos los equipos, objeto de este Proyecto de Norma Oficial Mexicana. Cuando sea utilizado para este propósito, se designará como método de prueba Grupo A (véase Tabla B.1 del Apéndice B de este Proyecto de Norma Oficial Mexicana) Sujeto a los requisitos adicionales del inciso 9.6.5, este método puede ser utilizado en pruebas de lado exterior para equipos con enfriamiento por aire y evaporativo, excepto aquellos que emplean enfriadores remotos de líquido. Las pruebas de aire entalpía del lado exterior están sujetas adicionalmente a las limitaciones del arreglo de los aparatos, especificado en en el inciso 9.6.5.2, si el compresor es ventilado independientemente, y a los ajustes de pérdidas de la línea permitidas en en el inciso 9.5.3.3.3, si el equipo emplea serpentines condensadores remotos.
9.5.3.3 Cálculo de enfriamiento - Método aire entalpía
9.5.3.3.1 Las capacidades de enfriamiento interior: total, sensible y latente, basadas en los datos de la prueba del lado interior (método de prueba Grupo A), deben ser calculadas por las ecuaciones siguientes:
9.5.3.3.2 La capacidad total de enfriamiento interior, basada en los resultados de prueba del lado exterior, es calculada por la siguiente ecuación:
o para equipos enfriados por aire, el cual no es reevaporativo:
9.5.3.3.3 Si se requieren correcciones por pérdidas en la tubería para obtener el balance del 6 % de calor especificado en el inciso 9.5.2.2, éstas deben incluirse en el cálculo de la capacidad. El ajuste debe ser realizado como sigue:
a) Para tubo de cobre sin aislamiento:
b) Para líneas aisladas:
Con objeto de obtener el 6 % del balance de calor, las correcciones de pérdidas de línea deben ser sumadas algebraicamente a la capacidad del lado exterior.
9.5.4 Método de calibración de compresor
9.5.4.1 Descripción general
9.5.4.1.1 En este método la capacidad total de enfriamiento es determinada:
a) De la medición de las propiedades del refrigerante de entrada y salida del lado o sección interior del equipo y de la razón de flujo de refrigerante asociado, como se determina por la subsecuente calibración del compresor bajo condiciones idénticas de operación. Las mediciones directas de la capacidad deben usarse cuando el sobrecalentamiento del refrigerante a la salida del evaporador sea de menos de 2.8 °C.
b) De la medición directa de la capacidad de enfriamiento por medio de un calorímetro, cuando el compresor está operando bajo las condiciones idénticas a las encontradas durante la prueba del equipo.
9.5.4.1.2 Este método debe ser usado para pruebas en todos los equipos excepto:
a) Que el equipo tenga un serpentín condensador enfriado por agua sin aislamiento en el flujo de aire interior y
b) Cuando el compresor esté sin aislamiento y se encuentre en el flujo de aire interior.
9.5.4.2 Medición de las propiedades del refrigerante
9.5.4.2.1 El equipo debe ser operado bajo las condiciones de prueba requeridas y las mediciones de temperatura y presión del refrigerante a la entrada y la salida del lado interior, y a la entrada y salida del compresor deben tomarse en intervalos de 10 minutos hasta que se obtengan siete juegos de lecturas dentro de las tolerancias prescritas en Tabla B.2 del Apéndice B de este Proyecto de Norma Oficial Mexicana. Cuando se requiera una prueba de aire entalpía del lado interior, estas lecturas deben obtenerse durante esta prueba.
9.5.4.2.2 En equipos que no son sensibles a la carga del refrigerante, los manómetros de presión pueden ser obstruidos en las líneas del refrigerante.
9.5.4.2.3 En equipos sensibles a la carga del refrigerante, es necesario determinar las presiones del refrigerante después de esta prueba, porque las conexiones de los manómetros de presión pueden provocar una pérdida de carga. Para cumplir con esto, las temperaturas deben medirse durante la prueba por medio de termocoples soldados al retorno de los codos a los puntos medios de cada circuito de serpentín condensador y evaporador o a los puntos no afectados por el vapor sobrecalentado o líquido subenfriado. Siguiendo la prueba, los manómetros son conectados a las líneas del refrigerante y el equipo es vaciado y cargado por el refrigerante especificado en la placa del equipo. El equipo es operado otra vez hasta las condiciones de prueba y si es necesario, se puede adicionar o sustraer carga de refrigerante hasta que las mediciones del termocople de serpentín estén dentro de ±0.3 °C de los valores originales, las temperaturas del vapor del refrigerante a la entrada y a la salida del compresor deben estar entre ±1.7 °C de los valores originales y las temperaturas del líquido entrando a la válvula de expansión debe generar una temperatura dentro de ±0.6 °C. La presión de operación debe observarse.
9.5.4.2.4 Las temperaturas del refrigerante deben medirse por medio de termocoples soldados a las líneas del refrigerante a distancias apropiadas.
9.5.4.2.5 Los termocoples no deben ser retirados, reemplazados o sometidos a cualquier otra acción que cause disturbios en las mediciones durante ninguna etapa de la prueba de capacidad de enfriamiento.
9.5.4.2.6 Las temperaturas y presiones del vapor refrigerante a la entrada y salida del compresor deben ser medidas en las líneas del refrigerante, aproximadamente a 25 cm de la carcasa del compresor; si la válvula reversible está incluida en la calibración, estos datos deben ser tomados en las líneas de los serpentines, aproximadamente a 25 cm de la válvula.
9.5.5 Calibración de compresor
9.5.5.1 La razón de flujo del refrigerante se determina mediante la calibración del compresor, utilizando las temperaturas y presiones de entrada y salida especificadas previamente por el fabricante.
9.5.5.2 Las pruebas de calibración deben ser desarrolladas con el compresor y la válvula reversible, con los mismos patrones de temperatura ambiente y aire como en el equipo de prueba.
9.5.5.3 Para los métodos enlistados a continuación, el flujo del refrigerante es calculado como sigue:
a) Calorímetro de refrigerante secundario
b) Calorímetro de refrigerante primario sistema "inundado"
c) Calorímetro de refrigerante primario sistema "seco"
d) Calorímetro de tubo concéntrico
9.5.5.4 Con el método del medidor de flujo de refrigerante, se obtiene directamente el flujo.
9.5.5.5 Cálculos de enfriamiento - Calibración del compresor
9.5.5.5.1 Para las pruebas en las cuales el vapor sobrecalentado es de 2.8 °C o más, la capacidad total de enfriamiento, basada en los datos de calibración de compresor es calculada de la razón de flujo de refrigerante como sigue:
9.5.5.5.2 Para las pruebas en las cuales el vapor sobrecalentado es de 2.8°C o menos, la capacidad total de enfriamiento es calculada como sigue:
9.5.6 Método de entalpía de refrigerante
9.5.6.1 Descripción general
9.5.6.1.1 En este método la capacidad es determinada por el cambio de la entalpía del refrigerante y la razón de flujo; los cambios en la entalpía se determinan a partir de las mediciones de temperatura y presión del refrigerante en los puntos de entrada y salida. Por otro lado, la razón de flujo se establece mediante un medidor de flujo instalado en la línea de líquido.
9.5.6.1.2 Este método puede ser usado para pruebas a equipos en los cuales la carga del refrigerante no es crítica y en donde los procedimientos normales de instalación involucran la conexión de las líneas de refrigerante en campo.
9.5.6.1.3 Este método no debe usarse para pruebas en las que el líquido refrigerante a la salida del medidor de flujo está subenfriado a menos de 1.7 °C, ni para pruebas en las cuales el vapor sobrecalentado a la salida de la sección interior es menor de 2.8 °C.
9.5.6.2 Mediciones de flujo de refrigerante -entalpía de refrigerante-
9.5.6.2.1 La razón del flujo del refrigerante debe medirse con un medidor de flujo (del tipo integrador) conectado en la línea del líquido antes del instrumento de control de refrigerante. Este medidor debe dimensionarse para que la caída de presión no exceda el cambio de presión de vapor que un cambio de temperatura de 1.7 °C podría producir.
9.5.6.2.2 Los instrumentos de medición de temperatura y presión y una "mirilla" deben ser instalados inmediatamente después del medidor para determinar si el refrigerante líquido está adecuadamente subenfriado; se considera adecuado el subenfriamiento de 1.7 °C y la ausencia de algunas burbujas de vapor en el líquido de salida del medidor. El medidor debe ser instalado en la parte más baja de un "rizo o vuelta" en la línea del líquido para tomar ventaja de la presión estática del líquido así suministrado.
9.5.6.3 Mediciones de presión y temperatura de refrigerante
9.5.6.3.1 La temperatura y presión del refrigerante entrando y saliendo del lado interior del equipo debe ser medida con instrumentos que estén de acuerdo con lo establecido en el inciso 9.2.
9.5.6.4 Cálculos de enfriamiento - Entalpía de refrigerante
9.5.6.4.1 La capacidad total de enfriamiento, basada en los datos de flujo de refrigerante, es calculada como sigue:
9.5.7 Método de flujo de agua del serpentín condensador
9.5.7.1 Descripción general
9.5.7.1.1 En este método, la capacidad total de enfriamiento es determinada de las mediciones del cambio de la temperatura del agua del serpentín condensador.
9.5.7.1.2 Este método puede ser utilizado para probar equipo el cual usa agua como sistema de enfriamiento del serpentín condensador. Este puede ser usado también para equipo ensamblado tipo paquete y para aquel con el serpentín condensador remoto, si éste está aislado o el fabricante recomienda su aislamiento con no menos de 25 mm de fibra de vidrio (o su equivalente). Este método puede ser usado sólo cuando el compresor esté ventilado en el flujo de aire interior o esté en un compartimiento interior encerrado, el cual no esté ventilado ni aislado de la misma manera como se describe arriba para el serpentín condensador.
9.5.7.2 Mediciones de la razón de flujo de agua
9.5.7.2.1 La razón de flujo de agua del serpentín condensador debe ser medido con una cantidad de líquido o un medidor de flujo, de acuerdo con el inciso 9.3.
9.5.7.3 Medición de temperatura
9.5.7.3.1 Las temperaturas del agua de entrada y salida deben ser medidas con instrumentos, de acuerdo con lo especificado en el inciso 9.3, para las conexiones del equipo.
9.5.7.4 Cálculos de enfriamiento - Flujo de agua del serpentín condensador
9.5.7.4.1 La capacidad total de enfriamiento, basada en los datos del lado exterior es calculada como sigue:
9.5.7.5 Ajuste de tubería de interconexión
9.5.7.5.1 Para equipos con el serpentín condensador remoto, las tolerancias deben ser consideradas en los cálculos de capacidad para las ganancias de calor a través de la tubería de interconexión (véase inciso 9.5.3.3.3).
9.5.8 Medición indirecta del flujo de aire
9.5.8.1 El aparato de tobera, Figura A.6, se utiliza cuando no se emplea la medición directa de flujo de aire (véase inciso 9.4.2.2), la razón de flujo de aire interior debe determinarse indirectamente como lo indica el inciso 9.5.8.2.
9.5.8.2 Cálculos de medición de flujo de aire
9.5.8.2.1 La razón del flujo de aire, a través de una sola tobera, es calculada por las siguientes ecuaciones:
9.5.8.2.2 Cuando se utilice más de una tobera, la razón total de flujo de aire es la suma de la razón de flujo de aire de los cálculos individuales de cada una de las toberas, de acuerdo con el inciso 9.4.4.1.
9.5.8.2.3 La razón de flujo del aire estándar es calculada como sigue:
9.5.8.3 Determinación indirecta de flujo de aire:
9.5.8.3.1 Cuando no se emplea la medición directa, la razón del flujo de aire debe determinarse por los siguientes cálculos:
9.5.8.4 Cálculos para las mediciones del método de flujo de aire modificado
9.5.8.4.1 Si se selecciona el método de flujo de aire modificado (véase aparato de figura A.9), la cantidad de aire del lado de baja presión debe ser determinada de acuerdo con las siguientes ecuaciones:
9.5.8.4.2 Determinación de qsri
a) Si se usa un recalentador eléctrico:
= Watts de entrada del calentador b) Si se usa un recalentador de serpentín de vapor:
9.6 Procedimientos de prueba
9.6.1 Requisitos del cuarto de prueba
9.6.1.1 Se requieren uno o dos cuartos de prueba, dependiendo del tipo de equipo a ser probado y de las instrucciones de instalación del fabricante.
9.6.1.2 Se requiere siempre una condición interior en el cuarto de prueba. Este puede ser un cuarto o espacio en el cual las condiciones establecidas de prueba deben mantenerse dentro de las tolerancias prescritas. La velocidad del aire alrededor del equipo a probar no debe exceder de 2.5 m/s.
9.6.1.3 Se requiere para la prueba un cuarto o espacio de prueba que debe tener un volumen suficiente, de tal manera que no haya cambios en la circulación normal del aire alrededor del equipo de prueba. Este cuarto debe tener también las dimensiones suficientes para que la distancia de cualquier superficie del cuarto a cualquier superficie del equipo de prueba en donde haya descarga de aire, no sea menos de 1.8 m y la distancia de cualquier otra superficie del cuarto a cualquier otra superficie del equipo de prueba no sea menos de 0.9 m, excepto la relación de pared o piso requerida para la instalación normal del equipo. El aparato de reacondicionamiento debe manejar el aire a una razón no menor que la razón de flujo de aire exterior y, preferiblemente, debe tomar este aire en la dirección de la descarga del aire del equipo y regresar éste a las condiciones específicas uniformemente y a bajas velocidades.
9.6.2 Requisitos de las mediciones de flujo de aire
9.6.2.1 Los aparatos para la medición de flujo de aire deben estar de acuerdo con lo previsto en los incisos: 9.4 y 9.3.
9.6.3 Mediciones de las resistencias externas
9.6.3.1 Las resistencias externas deben medirse de acuerdo con lo previsto en el inciso 9.4.4. Las conexiones a la salida de los equipos deben cumplir con lo previsto en los incisos: 9.4.4.1 al 9.4.4.3.
9.6.4 Mediciones de temperatura
9.6.4.1 Las mediciones de temperatura en la ductería deben registrarse al menos en tres lugares desde una distancia igual a los centros del área seccional, o con un muestreo equivalente en sitio, o con aparatos mezcladores, obteniéndose resultados equivalentes. Las conexiones al equipo deben ser aisladas de tal forma que las fugas de calor a través de las conexiones no excedan de 1 % de la capacidad.
9.6.4.2 La temperatura interior a la entrada debe ser medida al menos en tres posiciones con espacios iguales sobre el área de entrada al equipo, o con muestreo equivalente con aparatos adecuados. Para equipos sin conexiones de ductería o con un solo gabinete, los instrumentos de medición de temperatura o aparatos de muestreo pueden ser localizados a 15 cm, aproximadamente, de la o las aberturas de la entrada del equipo.
9.6.4.3 Las temperaturas del aire exterior de la entrada deben medirse en sitios tales que las siguientes condiciones sean totalmente satisfechas:
a) Las temperaturas medidas deben ser representativas de la temperatura circundante de la sección exterior y simular las condiciones encontradas en la aplicación actual.
b) En el punto de medición, la temperatura del aire no debe ser afectada por la descarga del aire de la sección exterior. Las temperaturas deben medirse antes de alguna recirculación de aire producida.
Se intenta que las temperaturas circundantes de prueba, específicas de la sección exterior de prueba, emulen, tan cerca como sea posible, las condiciones de una instalación normal de operación con condiciones ambientales idénticas a las temperaturas específicas de prueba.
9.6.4.4 La velocidad del aire que pasa sobre los instrumentos de medición de temperatura de bulbo húmedo deben ser aproximadamente de 5 m/s. Se debe utilizar la misma velocidad del aire en la entrada y la salida de los instrumentos de medición. Las mediciones de temperatura de bulbo húmedo arriba o abajo de 5 m/s deben corregirse.
9.6.5 Requisitos adicionales para la prueba de lado exterior del "método de aire - entalpía"
9.6.5.1 Cuando se utilice el "método de aire entalpía" para las pruebas de lado exterior, es necesario asegurarse si la fijación del aparato de medición de flujo de aire produce cambios en el funcionamiento del equipo de prueba y, si es así, se deben corregir estos cambios. Para cumplir con esto, el equipo debe llevar termocoples soldados al retorno de los codos, aproximadamente en el punto medio de cada serpentín evaporador y el circuito de serpentín condensador. El equipo que no es sensible a la carga de refrigerante puede equiparse alternativamente con manómetros de presión conectados a válvulas de acceso o bloqueados en la línea de succión o descarga. El equipo debe operar bajo condiciones preestablecidas con el lado interior del aparato de prueba conectado, pero no así con el lado exterior. Los datos deben ser registrados a intervalos de diez minutos por un lapso de no menos de una hora después de que las condiciones de equilibrio se hayan alcanzado. El lado exterior del aparato de prueba debe entonces conectarse al equipo y la presi temperaturas indicadas por los manros o termocoples deben ser registrados. Si despu鳠de que el equilibrio es alcanzado y 鳴e no estᠥn promedio dentro de ± 0.3 °C o su presiquivalente del promedio observado durante la prueba preliminar, la raze flujo de aire exterior debe ser ajustada hasta alcanzar los valores especificados. La prueba debe continuarse por un lapso de una hora despu鳠de que se alcance el punto de equilibrio a las condiciones apropiadas con el exterior del aparato de prueba conectado y los resultados del lado interior del aparato de prueba deben concordar dentro de un ± 2.0 % con los resultados obtenidos durante el lapso de prueba preliminar.
9.6.5.2 Para el equipo en donde el compresor es ventilado en forma independiente al flujo de aire exterior, el arreglo del calorímetro del "método aire - entalpía" debe emplearse para tomar en cuenta la radiación de calor del compresor.
9.6.5.3 Cuando la razón de flujo de aire exterior se ajusta como se describe en el inciso 9.6.5.1, entonces se emplea en los cálculos de capacidad, sin embargo, la potencia del ventilador exterior de entrada observada durante las pruebas preliminares debe ser usada para propósitos de evaluación.
9.6.6 Instalación del equipo
9.6.6.1 El equipo a ser probado debe ser instalado en el cuarto o cuartos de prueba, de acuerdo con las instrucciones de instalación del fabricante. El equipo autocontenido con suministro de agua debe ser localizado enteramente dentro del cuarto de prueba interior; el equipo con la sección exterior remota debe tener la sección interior localizada en el cuarto de prueba interior y la sección exterior en el cuarto de prueba exterior; el equipo autocontenido con suministro de aire debe ser localizado adyacente o una abertura en una pared o división separando el cuarto de prueba de acuerdo con las recomendaciones normales o primarias del fabricante. En todos los casos, las recomendaciones del fabricante con respecto a las distancias de las paredes adyacentes a los equipos, cantidad de extensiones a través de las paredes, etc., deben ser seguidas.
9.6.6.2 No se deben hacer alteraciones a los equipos excepto para la sujeción de los aparatos e instrumentación de prueba requeridos.
9.6.6.3 Donde sea necesario, el equipo debe ser cargado y evacuado con el tipo y cantidad de refrigerante especificado por las instrucciones del fabricante.
9.6.6.4 La tubería de interconexión debe ser suministrada o prescrita por el fabricante. A menos de que existan otras instrucciones, debe emplearse 7.6 m de tubería, al menos 3.1 m de ésta, debe localizarse en la parte exterior del cuarto de prueba.
9.6.6.5 Cuando se requiera, los manómetros deben ser conectados al equipo sólo a través de pequeños tramos de tubería de diámetro pequeño y deben localizarse de tal manera, que tampoco influya en las lecturas por la presión del flujo en la tubería o se deben hacer las correcciones de operación de enfriamiento.
9.6.6.6 No se debe hacer ningún cambio para corregir las variaciones barométricas en la velocidad del ventilador o la resistencia del equipo.
9.6.7 Procedimientos de operación de prueba
9.6.7.1 Los aparatos de reacondicionamiento del cuarto de pruebas y el equipo a probar, deben operarse hasta que alcancen las condiciones de equilibrio, pero no por menos de una hora, antes de que los datos sean registrados.
9.6.7.2 Cuando las tolerancias prescritas en el inciso 9.7.1.2 se hayan alcanzado, entonces los datos deben registrarse en intervalos de diez minutos cada juego de lecturas hasta que se obtengan cuatro juegos consecutivos.
9.6.7.3 Cuando se usa el "método de aire entalpía exterior", los requisitos arriba mencionados deben aplicar a ambas pruebas a la prueba preliminar y a la prueba regular del equipo (véase inciso 9.5.5). Cuando el "método de calibración de compresor" sea utilizado, los requisitos arriba mencionados deben aplicar a ambos la prueba del equipo y la prueba de calibración del compresor.
9.7 Datos y resultados
9.7.1. Datos para registrar
9.7.1.1 La Tabla B.3 del Apéndice B de este Proyecto de Norma Oficial Mexicana, muestra los datos que deben ser registrados durante el lapso de prueba. Los conceptos indicados por una "x" sobre la columna de un método de prueba específico, se deben medir cuando se utilice dicho método.
9.7.1.2 Tolerancias de prueba
9.7.1.2.1 Todas las observaciones de prueba deben ser dentro de las tolerancias especificadas en la Tabla B.2 del Apéndice B de este Proyecto de Norma Oficial Mexicana, las cuales están referidas a los distintos métodos de prueba y tipos de equipo.
9.7.1.2.2 La variación máxima permisible de cualquier observación durante la prueba de capacidad está enlistada en la Tabla B.2 del Apéndice B de este Proyecto de Norma Oficial Mexicana - Tolerancias de las mediciones de prueba. Estas representan la diferencia más grande permisible entre la máxima y mínima observación del instrumento durante la prueba. Cuando es expresado como un porcentaje, la variación máxima permisible es el porcentaje especificado del promedio aritmético de las observaciones.
9.7.1.2.3 En la Tabla B.2 del Apéndice B de este Proyecto de Norma Oficial Mexicana - Tolerancias de las mediciones de prueba, se muestra la variación máxima permisible del promedio de las mediciones bajo condiciones de prueba predeterminadas.
9.7.1.2.4 Las variaciones mayores a aquellas prescritas deben invalidar la prueba.
9.7.2 Resultados de prueba
9.7.2.1 Requisitos de prueba de capacidad
9.7.2.1.1 Los resultados de la prueba de capacidad deben expresar cuantitativamente los efectos producidos sobre el aire por el equipo probado. Para las condiciones de prueba dadas, los resultados de la prueba de capacidad deben incluir las siguientes cantidades:
a) Capacidad total de recalentamiento, W
b) Capacidad sensible de recalentamiento, W
c) Capacidad latente de recalentamiento, W
d) Razón del flujo de aire del lado interior, m3/s
e) Resistencia externa para el flujo de aire interior, Pa
f) Potencia total de entrada al equipo o potencia de entrada de todos los componentes del equipo, W
9.7.2.1.2 Cuando se utilicen dos métodos de prueba, la capacidad total de enfriamiento, debe ser la capacidad obtenida con los resultados del lado interior de los dos métodos de prueba, llevados a cabo simultáneamente, los cuales deben concordar dentro de una variación del 6 %. Cuando es empleado el método de calibración de compresor, debe ser construido para la obtención de las condiciones de operación para la prueba de calibración de compresor.
9.7.2.1.3 Cuando se requieran dos métodos de prueba, las capacidades de recalentamiento latente y sensible, tomadas en cuenta para los cálculos, deben ser aquellas determinadas de la prueba del lado interior.
9.7.2.1.4 Los resultados deben ser utilizados para la determinación de las capacidades sin ajustes en las tolerancias permisible en condiciones de prueba, excepto como se especificó para las derivaciones de la presión barométrica estándar.
9.8 Cálculo de Relación de Eficiencia Energética Estacional
9.8.1 Cálculo de la REEE para equipos con suministro de aire, de capacidad fija.
9.8.1.1 Método para el cálculo de REEE para equipos con compresor de una velocidad y ventilador de condensador de una velocidad.
La REEE para equipos con compresor de una velocidad y ventilador de condensador de una velocidad, debe basarse en el desarrollo de la prueba B y algún otro método descrito en el inciso 9.5.2.2, que cuenta para el funcionamiento cíclico.
La REEE en Wt/We debe ser determinada por la ecuación:
Los datos y resultados de prueba requeridos para calcular la REEE en Wt/We deben incluir lo siguiente:
i) Capacidades de enfriamiento (W) de las pruebas A y B, y si es aplicable, la capacidad de enfriamiento (W) de la prueba C y el enfriamiento total realizado en la prueba D (Wh):
QeeK (35.0 °C)
QeeK (27.8 °C)
QCee, seco (27.8 °C)
QDcic, seco (27.8 °C)
ii) Potencia eléctrica de entrada para todos los componentes y controles (W) de las pruebas A y B, y si es aplicable la potencia eléctrica de entrada para todos los componentes y controles (W) de la prueba C y la energía eléctrica usada de la prueba D.
EeeK (35.0 °C)
EeeK (27.8 °C)
ECee, seco (27.8 °C)
EDcic, seco (27.8 °C)
iii) Razón del flujo de aire interior (m3/s) y resistencia externa al flujo de aire interior (Pa).
iv) Temperatura del aire (°C)
- Exterior de bulbo seco
- Exterior de bulbo húmedo
- Interior de bulbo seco
- Interior de bulbo húmedo
Donde las capacidades de enfriamiento QeeK (35.0 °C) de la prueba A, QeeK (27.8 °C) de la prueba B y Qee, seco de la prueba C, son calculadas utilizando las ecuaciones especificadas en el inciso 9.5.3.3.1 de este Proyecto de Norma Oficial Mexicana; el enfriamiento total hecho QDcic,sec de la prueba D es calculado usando la ecuación especificada.
Los equipos que no tienen ventilador para circulación de aire interior como parte integrante del equipo deben obtener su medición de capacidad total de enfriamiento ajustado restando 441 W por cada 0.472 m3/s de la medición de flujo de aire interior y sumando a la potencia eléctrica total suministrada al equipo de estado estable 441 watts por cada 0.472 m3/s de la medición de flujo de aire interior.
Las Relaciones de Eficiencia Energética para las pruebas A, B y C, REEA, REEB y REEC (seco), respectivamente, son cada una calculadas como la relación de la capacidad total de enfriamiento, en W, entre la potencia eléctrica total suministrada al equipo, en W.
Los equipos que no tienen ventilador para circulación interior de aire como parte integrante del equipo, deben ajustar su enfriamiento total hecho y su energía usada en un ciclo completo para efecto de potencia del equipo de circulación de aire interior. El valor usado para la potencia del equipo de circulación de aire interior debe ser de 441 W por cada 0.472 m3/s de circulación de aire interior.
La energía usada en un ciclo completo, requerida para la circulación de aire interior, es el producto de la potencia del equipo para la circulación de aire interior y el lapso de un ciclo en que este equipo está encendido.
El enfriamiento total realizado debe entonces ser el enfriamiento medido en un ciclo completo menos la energía usada requerida para la circulación del aire interior en un ciclo completo.
La energía eléctrica total usada debe ser la suma de la energía usada para la circulación del aire interior en un ciclo completo y la energía usada por los componentes del equipo restantes en un ciclo de prueba (compresor(es), ventilador exterior, calentador(es), transformador(es), etc.).
La Relación de Eficiencia Energética de la prueba D, REEDcic,sec, es calculada como la relación del enfriamiento total hecho en Wh entre el uso de energía eléctrica total en W/h.
Los resultados de las pruebas de funcionamiento cíclica y de estado estable serpentín seco deben usarse en las siguientes ecuaciones:
Donde
(h-°F) es calculada por la expresión: Las ecuaciones anteriores son utilizadas en la siguiente ecuación para calcular el coeficiente de degradación redondeado lo más cercano a 0.01.
9.8.2 Cálculo de la REEE para equipos con suministro de aire inverter y de capacidad por etapas.
9.8.2.1 Método para el cálculo de REEE para equipos inverter.
La REEE en Wt/We debe ser determinada por la ecuación:
Los datos y resultados de prueba requeridos para calcular la REEE en Wt/We deben incluir lo siguiente:
i) Capacidades de enfriamiento (W) de las pruebas A2, B2, EV, B1 y F1, y si es aplicable, la capacidad de enfriamiento (W) de la prueba G1 y el enfriamiento total realizado en la prueba I1 (W):
Qeek= 2 (35.0 °C)
Qeek= 2 (27.8 °C)
Qeek= i (30.6 °C)
Qeek= 1 (27.8 °C)
Qeek= 1 (19.4 °C)
QG1ee, seco (19.4 °C)
QI1cic, seco (19.4 °C)
ii) Potencia eléctrica de entrada para todos los componentes y controles (W) de las pruebas A2, B2, EV, B1 y F1, y si es aplicable la potencia eléctrica de entrada para todos los componentes y controles (W) de la prueba G1 y la energía eléctrica usada de la prueba I1.
Eeek= 2 (35.0 °C)
Eeek= 2 (27.8 °C)
Eeek= i (30.6 °C)
Eeek= 1 (27.8 °C)
Eeek= 1 (19.4 °C)
EG1ee, seco (19.4 °C)
EI1cic, seco (19.4 °C)
iii) Razón del flujo de aire interior (m3/s) y resistencia externa al flujo de aire interior (Pa)
iv) Temperatura del aire (°C)
- Exterior de bulbo seco
- Exterior de bulbo húmedo
- Interior de bulbo seco
- Interior de bulbo húmedo
Donde las capacidades de enfriamiento Qeek= 2 (35.0 °C) de la prueba A2, Qeek= 2 (27.8 °C) de la prueba B2, Qeek= 1 (30.6 °C) de la prueba EV, Qeek= 1 (27.8 °C) de la prueba B1 y Qeek= 1 (19.4 °C) de la prueba F1, son calculadas utilizando las ecuaciones especificadas en el inciso 9.5 de este Proyecto de Norma Oficial Mexicana; el enfriamiento total hecho Qcic,sec de la prueba I1 es calculado usando la ecuación especificada.
Las Relaciones de Eficiencia Energética (REE) para las pruebas A2, B2, EV, B1 y F1, REEA2, REEB2, REEEv, REEB1, y REEF1, respectivamente, son cada una calculadas como la relación de la capacidad total de enfriamiento, en W, entre la potencia eléctrica total suministrada al equipo, en W.
La energía usada en un ciclo completo, requerida para la circulación de aire interior, es el producto de la potencia del equipo para la circulación de aire interior y el lapso de un ciclo en que este equipo está encendido.
El enfriamiento total realizado debe entonces ser el enfriamiento medido en un ciclo completo menos la energía usada requerida para la circulación del aire interior en un ciclo completo.
La energía eléctrica total usada debe ser la suma de la energía usada para la circulación del aire interior en un ciclo completo y la energía usada por los componentes del equipo restantes en un ciclo de prueba (compresor(es), ventilador exterior, calentador(es), transformador(es), etc.).
La Relación de Eficiencia Energética de la prueba I1, REEI1cic,sec, es calculada como la relación del enfriamiento total hecho en Wh entre el uso de energía eléctrica total en W/h.
Los resultados de las pruebas de funcionamiento cíclica I1 y de estado estable serpentín seco G1 deben usarse en las siguientes ecuaciones:
Donde
(h-°F) es calculada por la expresión: Las ecuaciones anteriores son utilizadas en la siguiente ecuación para calcular el coeficiente de degradación redondeado lo más cercano a 0.01:
La carga del área por acondicionar, BL(tj), para los tres casos debe ser obtenida por la siguiente ecuación:
Tabla 6 - Horas Fraccionales "bin" para ser utilizadas en el cálculo de la REEE
| Número "Bin" j | Temperatura "Bin" tj(°C) | Horas Fraccionales "Bin" nj |
| 1 | 19.44 | 0.214 |
| 2 | 22.22 | 0.231 |
| 3 | 25.00 | 0.216 |
| 4 | 27.77 | 0.161 |
| 5 | 30.55 | 0.104 |
| 6 | 33.33 | 0.052 |
| 7 | 36.11 | 0.018 |
| 8 | 38.88 | 0.004 |
Para calcular la capacidad máxima de enfriamiento en la temperatura Bin indicada se determina a través de la siguiente ecuación:
Para calcular el consumo de energía máximo en la temperatura Bin indicada determina a través de la siguiente ecuación:
Para calcular la capacidad en estado estable y el consumo de energía a velocidad mínima del compresor en la temperatura Bin indicada se determina de la siguiente forma:
Para calcular la capacidad en estado estable y el consumo de energía a velocidad intermedia del compresor en la temperatura Bin indicada se determina de la siguiente forma:
Figura 1a - Diagrama esquemático de varios modos de operación para la unidad INVERTER en modo
frio
Los cálculos para los tres posibles casos se muestran a continuación.
Caso I
La capacidad de la unidad en la velocidad mínima del compresor es mayor o igual a la carga del área a acondicionar. La unidad enciende y apaga de manera cíclica, k=1:
En caso de no realizarse las pruebas opcionales G1 e I1, o que el resultado calculado para
sea mayor que el valor indicado en el inciso 9.2.9, se utilizará el valor indicado en dicho numeral. Caso II
La unidad es capaz de igualar la carga del área a acondicionar. Esto modulando la velocidad del compresor entre la velocidad mínima (k=1) y la máxima (k=2) velocidad, k=v:
La capacidad de enfriamiento total y la energía a una velocidad intermedia para cada temperatura Bin, se determina de la siguiente manera:
La relación de eficiencia a velocidad intermedia
, se determina de la siguiente manera: Para cada temperatura Bin, donde
: Para cada temperatura Bin, donde
: Caso III
Capacidad de la unidad a la máxima velocidad del compresor es igual o menor que la carga del área por acondicionar, k=2:
9.8.2.2 Método para el cálculo de REEE para equipos de capacidad por etapas.
La Relación de Eficiencia Energética Estacional en Wt/We debe ser determinada por la ecuación:
Los datos y resultados de prueba requeridos para calcular la REEE en Wt/We deben incluir lo siguiente:
i) Capacidades de enfriamiento (W) de las pruebas A2, B1, B2, y F1, y si es aplicable, la capacidad de enfriamiento (W) de la prueba C1 o C2 según corresponda y el enfriamiento total realizado (W): en la prueba D1 o D2 según corresponda.
Qeek= 2 (35.0 °C)
Qeek= 1 (27.8 °C)
Q eek= 2 (27.8 °C)
Q eek= 1 (19.4 °C)
QC1ee, seco (19.4 °C) o QC2ee, seco (19.4 °C)
QD1cic, seco (19.4 °C) o QD2cic, seco (19.4 °C)
ii) Potencia eléctrica de entrada para todos los componentes y controles (W) de las pruebas A2, B1, B2 y F1, y si es aplicable la potencia eléctrica de entrada para todos los componentes y controles (W) de la prueba C1 o C2 según corresponda y la energía eléctrica usada de la prueba D1 o D2 según corresponda.
E eek= 2 (35.0 °C)
E eek= 1 (27.8 °C)
E eek= 2 (27.8 °C)
E eek= 1 (19.4 °C)
EC1ee, seco (19.4 °C) o EC1ee, seco (19.4 °C)
ED1cic, seco (19.4 °C) o ED2cic, seco (19.4 °C)
iii) Razón del flujo de aire interior (m3/s) y resistencia externa al flujo de aire interior (Pa).
iv) Temperatura del aire (°C).
- Exterior de bulbo seco
- Exterior de bulbo húmedo
- Interior de bulbo seco
- Interior de bulbo húmedo
Donde las capacidades de enfriamiento Qeek= 2 (35.0 °C) de la prueba A2, Qeek= 2 (27.8 °C) de la prueba B1, Q eek= 1 (27.8 °C) de la prueba B2 y Qeek= 1 (19.4 °C) de la prueba F1, son calculadas utilizando las ecuaciones especificadas en el inciso 9.5 de este Proyecto de Norma Oficial Mexicana; el enfriamiento total hecho QD1cic,sec o QD2cic,sec de la prueba D1 o D2 según corresponda es calculado usando la ecuación especificada a continuación.
Las Relaciones de Eficiencia Energética para las pruebas A2, B1, B2 y F1, REEA2, REEB1, REEB2, y REEF1, respectivamente, son cada una calculadas como la relación de la capacidad total de enfriamiento, en W, entre la potencia eléctrica total suministrada al equipo, en W.
La energía usada en un ciclo completo, requerida para la circulación de aire interior, es el producto de la potencia del equipo para la circulación de aire interior y el lapso de un ciclo en que este equipo está encendido.
El enfriamiento total realizado debe entonces ser el enfriamiento medido en un ciclo completo menos la energía usada requerida para la circulación del aire interior en un ciclo completo.
La energía eléctrica total usada debe ser la suma de la energía usada para la circulación del aire interior en un ciclo completo y la energía usada por los componentes del equipo restantes en un ciclo de prueba (compresor(es), ventilador exterior, calentador(es), transformador(es), etc.).
La Relación de Eficiencia Energética de la prueba C1 o C2 según corresponda, REEC1cic,sec o REEC2cic,sec, es calculada como la relación del enfriamiento total hecho en Wh entre el uso de energía eléctrica total en W/h.
Los resultados de las pruebas de funcionamiento cíclica D1 o D2 según corresponda y de estado estable serpentín seco C1 o C2 deben usarse en las siguientes ecuaciones:
o
Donde
(h-°F) es calculada por la expresión: o
Las ecuaciones anteriores son utilizadas en la siguiente ecuación para calcular el coeficiente de degradación redondeado lo más cercano a 0.01:
o
La carga del área a acondicionar, BL(tj), para los cuatro casos debe ser obtenida por la siguiente ecuación:
Para mayor referencia sobre las temperaturas Bin, véase la Tabla 6 del inciso 9.8.2.1 de este Proyecto de Norma Oficial Mexicana - Horas Fraccionales "bin" para ser utilizadas en el cálculo del REEE.
Para calcular la capacidad mínima de enfriamiento en la temperatura Bin indicada se determina a través de la siguiente manera:
Para calcular el consumo de energía mínimo en la temperatura Bin indicada se determina a través de la siguiente ecuación:
Para calcular la capacidad máxima de enfriamiento en la temperatura Bin indicada se determina a través de la siguiente ecuación:
Para calcular el consumo de energía máximo en la temperatura Bin indicada determina a través de la siguiente ecuación:
Figura 1b - Diagrama esquemático de varios modos de operación para la unidad POR ETAPAS en
modo frio
Los cálculos para los cuatro posibles casos se muestran a continuación.
Caso I
La capacidad de la unidad en la velocidad mínima del compresor es mayor o igual a la carga del área a acondicionar:
Donde:
Donde:
En caso de no realizarse las pruebas opcionales
y
, o que el resultado calculado para
sea mayor que el valor indicado en inciso 9.2.9, se utilizará el valor indicado en dicho numeral. Caso II
La capacidad de la unidad a la mínima velocidad del compresor (k=1) es menor que la carga del área por acondicionar y la capacidad de la unidad a la velocidad máxima del compresor (k2) es mayor que la carga del área por acondicionar. El compresor funciona continuamente es decir la unidad realiza un ciclo entre operación de etapa baja (velocidad mínima del compresor) y la operación de la etapa completa (velocidad máxima del compresor):
Donde:
Caso III
La capacidad de la unidad a la mínima velocidad del compresor (k=1) es menor a la carga del área a acondicionar y la capacidad de la unidad a la velocidad máxima del compresor (k2) es mayor a la carga del área a acondicionar. El compresor no funciona continuamente es decir la unidad realiza un ciclo entre operación de completa (velocidad máxima del compresor) y apagado.
Donde:
Si no se realizan las pruebas opcionales
y
establezca el valor de
igual al valor mas bajo de los siguientes: a)-El valor de
calculado como se indica en caso I antes mencionado, ó b)-El Valor establecido por default indicado en el inciso 9.2.9
Si esta prueba opcional
es conducida, establezca el valor de
como el valor calculado por la siguiente ecuación: Donde:
es calculada conforme a la siguiente ecuación: Caso IV
La capacidad de la unidad a la máxima velocidad del compresor k=2, es menor o igual a la carga del área a acondicionar:
10. Etiquetado
Los acondicionadores de aire tipo central objeto de este Proyecto de Norma Oficial Mexicana, que se comercialicen en los Estados Unidos Mexicanos, deben llevar una etiqueta que proporcione a los usuarios información sobre la Relación de Eficiencia Energética Estacional (REEE) del producto. Esta información permitirá comparar la eficiencia energética del producto con otros de su misma capacidad de enfriamiento, esto, conforme al criterio de aceptación contenido en el inciso 8.2.
Sin perjuicio de lo establecido en la NOM-024-SCFI-2013, el valor de la capacidad de enfriamiento que se especifique en la información colocada o adherida sobre el producto o empaque deberá corresponder al valor de la capacidad de enfriamiento especificado en la etiqueta de Relación de Eficiencia Energética Estacional, en adelante etiqueta de eficiencia energética, en Watts o su equivalente en BTU/hW.
10.1 Permanencia
La etiqueta de eficiencia energética debe ir adherida en el producto, ya sea por medio de un engomado, o en su defecto, por medio de un cordón, en cuyo caso, la etiqueta debe tener la rigidez suficiente para que no se flexione por su propio peso. En cualquiera de los casos no debe removerse del producto, hasta después de que éste haya sido adquirido por el consumidor final.
10.2 Ubicación
La etiqueta debe estar ubicada en un área de exhibición del producto que sea visible al consumidor.
10.3 Información
La etiqueta de eficiencia energética de los acondicionadores de aire tipo central, paquete o dividido, debe marcarse en forma legible e indeleble, el tipo de letra puede ser Arial o Helvética, y de acuerdo a la distribución que se muestra en el ejemplo de la Figura A.10.
10.3.1 La leyenda: "EFICIENCIA ENERGÉTICA", en tipo negrita.
10.3.2 La leyenda " PROYECTO-NOM-011-ENER-2024", en tipo regular.
10.3.3 La leyenda "Acondicionador de aire central tipo:", seguida del tipo de acondicionador de aire en tipo negrita, acorde a lo previsto en el numeral 5.1 de este Proyecto de NOM.
10.3.4 La leyenda "Marca:", en tipo regular, seguida de la marca del acondicionador, en tipo negrita.
10.3.5 La leyenda "Modelo:", en tipo regular, seguida del modelo del acondicionador, en tipo negrita.
10.3.6 La leyenda "Capacidad de enfriamiento:", en tipo regular, seguida del valor del acondicionador de aire, expresada en W, en tipo negrita.
10.3.7 La leyenda "Potencia Eléctrica:", en tipo regular, seguida de la potencia asignada en W, en tipo negrita.
10.3.8 La leyenda "Refrigerante que emplea el equipo:", seguida del refrigerante con el que opera el acondicionador de aire, en tipo negrita.
10.3.9 La leyenda "Carga de refrigerante:", seguida de la cantidad de refrigerante con la que opera el acondicionador de aire, en kg, con dos cifras decimales, en tipo negrita.
10.3.10 La leyenda "Relación de Eficiencia Energética Estacional (REEE)", en tipo negrita.
10.3.11 La leyenda "REEE establecida en el PROYECTO (Wt/We):", en tipo negrita, seguida de la REEE mínima conforme a la Tabla 1 del inciso 6.1 de este Proyecto de Norma Oficial Mexicana, en tipo negrita, el valor de la REEE debe indicarse dentro de un recuadro.
10.3.12 La leyenda "(BTU/hW):", en tipo regular, seguida de la REEE mínima conforme a la Tabla 1 del inciso 6.1 de este Proyecto de Norma Oficial Mexicana, en tipo regular.
10.3.13 La leyenda "REEE de este equipo (Wt/We):", en tipo negrita, seguida de la REEE determinada, en tipo negrita, indicada con un entero y dos decimales aplicando la regla del redondeo progresivo, el valor de la REEE debe indicarse dentro de recuadro.
10.3.14 La leyenda "(BTU/hW):", en tipo normal, seguida de la REEE determinada por el fabricante, indicada con un entero y un decimal aplicando la regla del redondeo progresivo, en tipo regular.
10.3.15 La leyenda "Ahorro de energía adicional de este equipo", en tipo negrita.
10.3.16 El pictograma "
", alusivo a la energía eléctrica. 10.3.16.1 Una escala horizontal, indicando el por ciento de ahorro de energía, de 0 al 50 con incrementos de 5 en 5.
10.3.16.2 En el costado derecho de la escala horizontal se debe colocarla leyenda "Mayor Ahorro" y el símbolo "%", en tipo negrita.
10.3.16.3 Sobre la escala se debe colocar un recuadro con una punta de flecha en color negro que indique el porcentaje de ahorro de energía que tiene el producto, indicado con un entero sin decimal, aplicando la regla del redondeo progresivo, en tipo negrita, obtenido con el siguiente cálculo:
Nota: El redondeo progresivo se realizará considerando las siguientes reglas: cuando el valor de la cifra decimal que precede al número a redondear sea igual o mayor que 5 el valor se incrementa en una unidad, en caso de ser menor que 5 el valor de la cifra a redondear se conserva sin cambio. Lo anterior, conforme a las cifras decimales permitidas.
Ejemplos:
2.5 se expresa a 3 4.046 se expresa a 4.05
2.4 se expresa a 2 4.043 se expresa a 4.04
La punta de flecha debe colocarse de tal manera que su punta coincida con el por ciento de ahorro de energía que se representa gráficamente.
Nota. En caso de que el equipo tenga un valor superior al 50 % de ahorro, la punta de la flecha que indique el porcentaje deberá colocarse en el extremo derecho de la escala horizontal.
10.3.17 La leyenda "IMPORTANTE", en tipo negrita.
10.3.18 La leyenda "Antes de comprar, compare el ahorro de energía de este equipo con otros acondicionadores de aire con características similares", en tipo regular.
10.3.19 La leyenda "El ahorro de energía adicional del equipo depende de los hábitos de uso y ubicación del mismo.", en tipo regular.
10.3.20 La leyenda "La etiqueta no debe retirarse del equipo hasta que haya sido adquirido por el consumidor final.", en tipo, regular.
10.3.21 La Leyenda "La NOM-ENER fue desarrollada en la CONUEE.", en tipo negrita.
10.4 Dimensiones
Las dimensiones de la etiqueta son las siguientes:
Alto: 14.0 cm ± 1 cm
Ancho: 10.0 cm ± 1 cm
Nota: Deben medirse en el contorno de la etiqueta.
10.5 Distribución de la información y de los colores.
10.5.1 La distribución de la información dentro de la etiqueta debe hacerse conforme al ejemplo de la figura A.10.
10.5.2 Toda la información descrita en el inciso 10.3, así como las líneas, escala y pictograma deben ser de color negro. El resto de la etiqueta debe ser de color amarillo.
11. Vigilancia
La Secretaría de Energía, a través de la Comisión Nacional para el Uso Eficiente de la Energía, y la Procuraduría Federal del Consumidor, conforme a sus atribuciones y en el ámbito de sus respectivas competencias, son las autoridades que están a cargo de vigilar el cumplimiento del presente Proyecto de Norma Oficial Mexicana.
12. Procedimiento de Evaluación de la conformidad
El presente Procedimiento de Evaluación de la Conformidad (PEC) es aplicable a los equipos considerados dentro del campo de aplicación del presente Proyecto de Norma Oficial Mexicana.
La evaluación de la conformidad debe realizarse por Organismos de Evaluación de la Conformidad acreditados y aprobados en términos de la Ley de Infraestructura de la Calidad y su Reglamento.
12.1. Objetivo
Este PEC se establece para facilitar y orientar a los organismos de certificación de producto, laboratorios de prueba, fabricantes, importadores, comercializadores, en la aplicación del Proyecto de Norma Oficial Mexicana PROYECTO-NOM-011-ENER-2024, Eficiencia energética en acondicionadores de aire tipo central, paquete o dividido. Límites, métodos de prueba y etiquetado, en adelante se referirá como PROYECTO-NOM.
12.2. Referencias
Para la correcta aplicación de este PEC es necesario consultar los siguientes documentos vigentes:
Ley de Infraestructura de la Calidad (LIC) y su Reglamento.
12.3. Definiciones
Para los efectos de este PEC, se entenderá por:
12.3.1 Autoridad competente: La Secretaría de Energía (Sener) por conducto de la Comisión Nacional para el Uso Eficiente de la Energía (Conuee) y la Procuraduría Federal del Consumidor (Profeco), conforme a sus atribuciones.
12.3.2 Cancelación del certificado de la conformidad del producto: Acto por medio del cual el organismo de certificación para producto deja sin efectos de modo definitivo el certificado.
12.3.3 Certificado de la conformidad del producto: Documento mediante el cual el organismo de certificación de producto hace constar que un producto, o una familia de productos determinados, cumple con las especificaciones establecidas en el PROYECTO-NOM.
12.3.4 Especificaciones técnicas: Información de los productos que describe sus características de operación, que estos cumplen con los criterios de agrupación de familia de producto y que ayudan a demostrar cumplimiento con las especificaciones establecidas en el PROYECTO-NOM.
12.3.5 Evaluación de la conformidad: Proceso técnico que permite demostrar el cumplimiento con las Normas Oficiales Mexicanas. Comprende, entre otros, los procedimientos de muestreo, prueba, inspección, evaluación y certificación.
12.3.6 Familia de productos: Agrupación de productos del mismo tipo en el que las variantes son de carácter estético o de apariencia, pero conservan las características de diseño que aseguran el cumplimiento con el PROYECTO-NOM.
12.3.7 Informe del sistema de calidad: El que otorga un organismo de certificación de producto, una vez finalizada la revisión en sitio del sistema de calidad, a efecto de hacer constar, que dicho sistema que se pretende certificar abarca la línea de producción y contempla procedimientos para asegurar el cumplimiento con el PROYECTO-NOM.
12.3.8 Informe de pruebas: Documento que emite un laboratorio de pruebas acreditado y aprobado en los términos de la LIC, mediante el cual se presentan los resultados obtenidos en las pruebas realizadas a la muestra seleccionada. La vigencia del informe de pruebas es de noventa días naturales a partir de su fecha de emisión.
12.3.9 Laboratorio de pruebas (LP): Persona moral acreditada y aprobada para realizar pruebas de acuerdo con el PROYECTO-NOM, conforme lo establece la LIC y su Reglamento.
12.3.10 Organismo de certificación de producto (OCP): Persona moral acreditada y aprobada conforme a la LIC y su Reglamento, que tenga por objeto realizar funciones de certificación a los productos referidos en el PROYECTO-NOM.
12.3.11 Organismo de certificación para sistemas de gestión de la calidad: Persona moral acreditada conforme a la LIC y su Reglamento, que tenga por objeto realizar funciones de certificación de sistemas de gestión de la calidad.
12.3.12 Organismos de Evaluación de la Conformidad (OEC): Persona acreditada, por una Entidad de Acreditación, y aprobada por la Autoridad Normalizadora competente, para llevar a cabo la Evaluación de la Conformidad de acuerdo con el presente Proyecto, la LIC y su Reglamento.
12.3.13 Producto: Los acondicionadores de aire tipo central que se indican en el campo de aplicación del presente PROYECTO-NOM.
12.3.14 Renovación del certificado de la conformidad de producto: Emisión de un nuevo certificado de la conformidad del producto, normalmente por un periodo igual al que se le otorgó en la primera certificación, previo seguimiento al cumplimiento con el PROYECTO-NOM.
12.3.15 Seguimiento: Comprobación a la que están sujetos los productos certificados de conformidad con el PROYECTO-NOM, y cuyo objeto es comprobar si dichos productos continúan cumpliendo o no con lo establecido en el PROYECTO-NOM. De ser el caso, incluye la comprobación de conformidad del sistema de aseguramiento de la calidad.
12.3.16 Suspensión del certificado de la conformidad del producto: Acto mediante el cual el organismo de certificación para producto interrumpe la validez, de manera temporal, parcial o total, del certificado de la conformidad del producto.
12.3.17 Ampliación o reducción del certificado de la conformidad del producto: Cualquier modificación al certificado del producto durante su vigencia en cuanto a modelo, marca, país de origen, bodega y especificaciones técnicas, siempre y cuando se cumplan con los criterios de agrupación de familia indicados en el inciso 12.5.3.
12.4. Disposiciones generales
12.4.1 La evaluación de la conformidad debe realizarse por laboratorios de prueba y organismos de certificación de producto, acreditados y aprobados conforme a lo dispuesto en la LIC y su Reglamento.
12.4.2 El fabricante o importador o comercializador (el interesado), debe solicitar la evaluación de la conformidad con el PROYECTO-NOM al OCP, cuando así lo requiera para dar cumplimiento a las disposiciones legales o para otros fines de su propio interés, y el OCP entregará al interesado la solicitud de servicios de certificación, el contrato de prestación de servicios y la información necesaria para llevar a cabo el proceso de certificación de producto.
12.4.3. Una vez que el interesado ha analizado la información proporcionada por el OCP, en su caso presentará la solicitud con la información respectiva, así como el contrato de prestación de servicios de certificación que celebra con dicho organismo.
12.4.4. El interesado debe elegir un laboratorio de pruebas acreditado y aprobado, con objeto de someter a pruebas de laboratorio la muestra seleccionada.
12.4.5 La Sener a través de la Conuee, será la autoridad competente para resolver cualquier controversia en la interpretación del presente PEC.
12.5. Procedimiento
12.5.1 Para obtener el certificado de la conformidad del producto, el interesado puede optar por la modalidad de certificación mediante pruebas periódicas al producto (por modelo o por familia), o por la modalidad de certificación mediante el sistema de gestión de la calidad de la línea de producción y, para tal efecto, debe presentar como mínimo la siguiente documentación al OCP, por cada modelo que integra la familia:
12.5.1.1 Para el certificado de la conformidad con modalidad de certificación mediante pruebas periódicas al producto (modalidad 1):
- Fotografías del producto.
- Etiqueta de eficiencia energética.
- Declaración o marcado de Características eléctricas: Tensión (V), frecuencia (Hz), potencia nominal (W) o corriente nominal (A).
- Instructivo o manual de uso.
- Diagrama eléctrico.
- Original del informe de pruebas vigente (impreso o electrónico).
- Datos del compresor: tipo de tecnología de operación, de acuerdo con la clasificación establecida en el inciso 5.3.
- En caso de familia de producto: Declaración bajo protesta de decir verdad, por medio de la cual el interesado manifestará que el producto presentado a pruebas de laboratorio es representativo de la familia que se pretende certificar, de acuerdo con los incisos 12.3.6 y 12.5.3.
12.5.1.2 Para el certificado de conformidad del producto con modalidad de certificación mediante el sistema de gestión de la calidad de la línea de producción (modalidad 2):
- Los descritos en inciso 12.5.1.1.
- Copia del certificado del sistema de gestión de la calidad vigente, que incluya la línea de producción, expedido por un organismo de certificación para sistemas de gestión de la calidad.
- Informe del sistema de calidad.
Nota: El OCP debe determinar en cuál parte del proceso de certificación realiza la visita en sitio, a efecto de elaborar el informe del sistema de calidad.
12.5.1.3 En ambas modalidades, el OCP, previo a iniciar el proceso de certificación, debe consultar en el listado de certificados cancelados, publicado en la sección de verificación y vigilancia del mercado de la página de internet de la Conuee, y asegurarse que el producto por certificar no haya sido cancelado bajo alguna de las siguientes condiciones:
- Por no atender las visitas de seguimiento.
- Por falsificación o alteración de documentos relativos a la Evaluación de la Conformidad del producto con el presente PROYECTO-NOM-011-ENER-2024.
- Por incumplimiento con las especificaciones de este PROYECTO-NOM-011-ENER-2024.
- Cuando la dependencia cancele el certificado o prohíba la comercialización del producto derivado de los resultados de la vigilancia del mercado.
En el caso de encontrarse en alguna o varias de las condiciones anteriores, el Organismo de Certificación de Producto debe asegurarse que el interesado atendió las causas que dieron origen a su cancelación, a través de evidencia documental que formará parte del expediente en la solicitud de certificación, y que debe incluir al menos:
- Análisis de causa raíz;
- Acciones correctivas; y
- Únicamente, en caso de cancelación por incumplimiento con las especificaciones de este Proyecto de Norma Oficial Mexicana, el interesado debe presentar un informe de pruebas de laboratorio cuya fecha de inicio de pruebas sea posterior a la fecha de cancelación del certificado cancelado.
El OCP es el responsable del muestreo de producto al cual se le efectúen las pruebas y, la decisión del laboratorio de pruebas en el cual se lleven a cabo los métodos de prueba debe acordarse entre el solicitante y el OCP. El informe de pruebas resultante tendrá una vigencia de 90 días naturales a partir de su emisión y debe demostrar que el producto cumple con todas las especificaciones del presente proyecto.
Esta información debe acompañarse de una declaratoria bajo protesta de decir verdad, que manifieste que se han atendido las causas que dieron origen a la cancelación del certificado, la cual debe estar debidamente firmada por el representante legal; o cualquier persona autorizada por el solicitante (empresa, fabricante, importador, entre otros) ante el OCP.
El OCP es el responsable de determinar que la evidencia documental es válida y suficiente para continuar con el proceso de certificación de producto y, ante cualquier incertidumbre o controversia, debe consultar a la Autoridad Normalizadora correspondiente e informar al interesado de la certificación del proceso y de la resolución de esa Autoridad.
12.5.2 Muestreo
12.5.2.1 Selección de la muestra
a) Se debe tomar un espécimen representativo para la realización de las pruebas de laboratorio, de acuerdo con la Tabla 7 del inciso 12.5.2.1 de este Proyecto de Norma Oficial Mexicana. En la certificación inicial es responsabilidad del solicitante llevar a cabo esta etapa.
b) En los seguimientos que realicen los OCP, se debe tomar una muestra al azar y, de ser posible, de diferente modelo y tipo del muestreado para la certificación inicial o en seguimientos anteriores; de un lote, de la línea de producción, bodega o punto de venta, para la realización de las pruebas de laboratorio, de acuerdo con la Tabla 7 del inciso 12.5.2.1 de este Proyecto de Norma Oficial Mexicana.
Tabla 7 - Cantidad de acondicionadores de aire para muestreo
| Capacidad de enfriamiento en Watts | Número de equipos para prueba |
| Mayor que 5 275 hasta 19 050 | 1 |
12.5.2.2 Programas de envío: Para el proceso de seguimiento el titular de la certificación puede optar por ingresar al OCP un programa de seguimiento y envío de muestras al laboratorio de pruebas para su aprobación, para lo cual, el titular debe informar al OCP que optará por dicho programa de envío. El número de especímenes para muestreo es de acuerdo con la Tabla 8 del inciso 12.5.2.2 de este Proyecto de Norma Oficial Mexicana. Asimismo, el programa propuesto por el titular debe cumplir, o no contraponerse, con lo establecido por el inciso 12.5.5.
Tabla 8 - Número de certificados a evaluar durante el seguimiento
| Total de certificados otorgados al titular | Total de certificados para seguimiento |
| 1 | 1 |
| De 2 hasta 6 | 2 |
| De 7 hasta 10 | 3 |
| De 11 hasta 16 | 4 |
| De 17 hasta 20 | 5 |
| Mayor que 20 | 30 % de Familias |
En caso de seguimiento a familia de productos el OCP debe, de ser posible, seleccionar muestras de diferente modelo y tipo a las evaluadas en la certificación inicial o en los seguimientos anteriores.
12.5.2.3 El resultado de prueba de la muestra a evaluar debe cumplir con todas las especificaciones establecidas en el Capítulo 6 y los criterios de aceptación del Capítulo 8 del PROY-NOM.
En caso de no cumplirse el requisito anterior, se permite repetir la prueba a una segunda muestra. Si esta segunda muestra no satisface las condiciones especificadas, el modelo no cumple con este Proyecto de Norma Oficial Mexicana.
12.5.3 Para el proceso de certificación, los acondicionadores de aire tipo central se agrupan en familias de acuerdo con lo siguiente:
Para definir la familia de productos correspondiente a este Proyecto de Norma Oficial Mexicana, dos o más modelos se consideran de la misma familia siempre y cuando cumplan con todos y cada uno de los siguientes criterios:
1) Dentro del intervalo de capacidad de enfriamiento, de acuerdo con la Tabla 9 del inciso 12.5.3 de este Proyecto de Norma Oficial Mexicana
2) De acuerdo con la operación del equipo (solo enfriamiento o ciclo reversible)
3) Mismo fabricante o grupo industrial
Nota. Se permite agrupar en familia modelos de diferentes marcas
Tabla 9 - Agrupación por familias
| Familia | Tipo de Equipo | Capacidad de enfriamiento watts (BTU/hW) |
| 1 | Acondicionadores de aire tipo dividido, sin ciclo reversible (solo enfriamiento) | De 5 275 (18 000) hasta 19 050 (65 000) |
| 2 | Acondicionadores de aire tipo dividido, con ciclo reversible (bomba de calor) |
| 3 | Acondicionadores de aire tipo paquete, con y sin ciclo reversible (solo enfriamiento y bomba de calor) |
En caso de familia y en el proceso de certificación inicial se debe enviar a pruebas de laboratorio el modelo de menor REEE.
Los modelos pertenecientes a una misma familia pueden presentar en sus etiquetas de eficiencia energética un valor de REEE distinto entre sí, siempre y cuando éste no se encuentre por debajo del valor REEE requerido por el PROY-NOM.
Las variantes de carácter estético o de apariencia del producto y sus componentes no se consideran limitantes para la agrupación de familia.
No se considera de la misma familia a aquellos productos que no cumplan con uno o más criterios aplicables a la definición de familias antes expuestos.
12.5.4 Vigencia de los certificados de cumplimiento del producto
12.5.4.1 Un año a partir de la fecha de su emisión, para los certificados de la conformidad con seguimiento mediante pruebas periódicas al producto (modalidad 1).
12.5.4.2 Tres años a partir de la fecha de emisión, para los certificados de la conformidad con seguimiento mediante el sistema de gestión de la calidad de la línea de producción (modalidad 2).
12.5.5 Seguimiento
12.5.5.1 El OCP debe realizar el seguimiento del cumplimiento con el PROY-NOM, de los productos certificados, tanto de manera documental como por revisión y muestreo del producto certificado, conforme a lo siguiente:
a) Para la certificación con seguimiento mediante pruebas periódicas al producto, el seguimiento se debe realizar como mínimo una vez dentro de la vigencia del certificado y el OCP debe realizar el muestreo del producto para su envío a pruebas, y;
b) Para la certificación mediante el sistema de gestión de la calidad de la línea de producción, el seguimiento se realizará en planta al menos cada 15 meses, contados a partir de la fecha de expedición del certificado. Durante la visita el OCP analizará la confianza demostrada por el sistema de la calidad de la línea de producción, y determinará si es necesario realizar un muestreo para pruebas de laboratorio.
Adicionalmente, se debe realizar un muestreo obligatorio para pruebas de laboratorio en el último año de vigencia del certificado, conforme al periodo indicado en el inciso b) anterior.
Los resultados de las pruebas en este seguimiento podrán usarse para la renovación del certificado siempre y cuando el informe de pruebas sea ingresado por el interesado al OCP estando vigente el certificado original
12.5.5.1.1 En la modalidad de certificación mediante el sistema de gestión de la calidad de la línea de producción, el seguimiento se debe realizar en el lugar donde se manufactura el producto.
El OCP debe verificar el sistema de control de la calidad de las líneas de producción en las que se fabrican los productos. Se deben revisar también los resultados de la última auditoría de seguimiento aplicado por el organismo de certificación de sistemas de gestión de la calidad acreditado, y la certificación de su sistema de calidad debe mantenerse vigente al momento de efectuar el seguimiento.
12.5.5.1.2 En caso de familia: la muestra para seguimiento debe, de ser posible, integrarse por miembros de la familia diferentes a los que se han evaluado en laboratorio de pruebas.
12.5.5.1.3 De los resultados del seguimiento correspondiente, el OCP dictamina la suspensión, cancelación o, para el caso de certificación por la modalidad 1, la renovación del certificado de cumplimiento de producto.
12.5.5.1.4 En caso de que el OCP determine la suspensión o cancelación del certificado, ya sea por el incumplimiento del producto con el Proyecto de Norma Oficial Mexicana o cuando el seguimiento no pueda llevarse a cabo por causa imputable a la empresa a verificar. En todos los casos, el OCP debe dar aviso al titular del certificado y a la Autoridad Normalizadora correspondiente a través de los medios que se convengan con la autoridad para el envío de esta información.
12.6. Diversos
12.6.1 La lista de los Organismos de Evaluación de la Conformidad pueden consultarse con la Entidad de Acreditación y con la Autoridad Normalizadora competente, además de que dicho listado aparece publicado en la Plataforma Tecnológica Integral de Infraestructura de la Calidad.
12.6.2 Los gastos que se originen por los servicios de certificación y pruebas de laboratorio, por actos de evaluación de la conformidad, son a cargo del interesado (fabricante, importador o comercializador).
12.7 Suspensión y cancelación del certificado de la conformidad de producto
Sin perjuicio de las condiciones contractuales de la prestación del servicio de certificación, el OCP debe aplicar los criterios siguientes para suspender o cancelar un certificado.
12.7.1 Se procederá a la suspensión del certificado:
a) Por incumplimiento con los requisitos de información al público establecidos por el PROY-NOM.
b) Cuando el seguimiento no pueda llevarse a cabo por causas imputables al titular del certificado.
c) Cuando el titular del certificado no presente al OCP el informe de pruebas derivado del seguimiento, antes de 30 días naturales contados a partir de la fecha de emisión del informe de pruebas y dentro de la vigencia del certificado.
d) Por cambios o modificaciones a las especificaciones o diseño de los productos certificados que no hayan sido evaluados por causas imputables al titular del certificado.
e) Cuando la dependencia lo determine con base en los artículos: 139, 140 al 150 y 154, fracción VI de la LIC y los aplicables en su Reglamento.
El OCP debe informar al titular del certificado sobre la suspensión, otorgando un plazo de 30 días naturales para hacer aclaraciones pertinentes o subsanar las deficiencias del producto o del proceso de certificación. Pasado el plazo otorgado y en caso de que no se hayan subsanado los incumplimientos, el OCP procederá a la cancelación inmediata del certificado de la conformidad del producto.
12.7.2 Se procederá a la cancelación inmediata del certificado:
a) En dado caso, por cancelación del certificado del sistema de gestión de la calidad de la línea de producción.
b) Cuando se detecte falsificación o alteración de documentos relativos a la certificación.
c) A petición del titular de la certificación, siempre y cuando se hayan cumplido las obligaciones contraídas en la certificación, al momento en que se solicita la cancelación.
d) Cuando se incurra en declaraciones engañosas en el uso del certificado.
e) Por incumplimiento con especificaciones de este PROY-NOM, identificado por el OCP, que no sean aspectos de marcado e información.
f) Una vez notificada la suspensión, no se corrija el motivo de ésta en el plazo establecido.
g) Cuando la dependencia lo determine con base en los artículos: 139, 140 al , 150 y 154, fracción VI de la LIC y los aplicables en su Reglamento.
h) Se hayan efectuado modificaciones al producto que afecten el cumplimiento con el presente PROY-NOM sin haber notificado al OCP correspondiente.
i) No se cumpla con las características y condiciones establecidas en el certificado.
j) El documento donde consten los resultados de la evaluación de la conformidad pierda su utilidad o se modifiquen o dejen de existir las circunstancias que dieron origen al mismo, previa petición de parte.
En todos los casos de cancelación se procede a dar aviso a las autoridades correspondientes, informando los motivos de ésta. El OCP mantendrá el expediente de los productos con certificados cancelados por incumplimiento con el PROY-NOM.
12.8 Renovación
Para obtener la renovación de un certificado de la conformidad del producto en cualquier modalidad que resulte aplicable, se procederá a lo siguiente.
12.8.1 Deberán presentarse los documentos siguientes:
a) Solicitud de renovación.
b) Actualización de la información del producto en caso de haber sufrido alguna modificación o declaración de que no se presentan cambios.
12.8.2 La renovación estará sujeta a lo siguiente:
a) Haber cumplido en forma satisfactoria con los seguimientos y pruebas establecidas en el Capítulo 9 de este PROY-NOM.
b) Que se mantienen las condiciones de la modalidad de certificación, bajo la cual se emitió el certificado de cumplimiento inicial.
Una vez renovado el certificado de la conformidad del producto, se estará sujeto a los seguimientos correspondientes a cada modalidad de certificación, así como las disposiciones aplicables del presente procedimiento para la evaluación de la conformidad.
12.9 Ampliación o reducción del certificado de la conformidad del producto
Una vez otorgado el certificado de la conformidad del producto se puede ampliar, reducir o modificar su alcance, a petición del titular del certificado, siempre y cuando se demuestre que se cumple con los requisitos del PROY-NOM, mediante análisis documental y, de ser el caso, pruebas tipo.
Para el caso del presente PROY-NOM queda prohibida la ampliación de la titularidad del certificado de la conformidad del producto.
El titular de la certificación puede ampliar, modificar o reducir en los certificados, modelos, marcas, especificaciones técnicas o domicilios, entre otros, siempre y cuando se cumpla con los criterios generales en materia de certificación y correspondan a la misma familia de productos.
Los certificados emitidos como consecuencia de una ampliación quedarán condicionados tanto a la vigencia y seguimiento de los certificados de la conformidad del producto iniciales.
Los certificados emitidos deben contener la totalidad de modelos y marcas del certificado base, además de aquellos correspondientes a las marcas o modelos ampliados, modificados o reducidos.
Para ampliar, modificar o reducir el alcance del certificado de la conformidad del producto, deben presentarse solicitud de ampliación, modificación o reducción (a través de los medios electrónicos o físicos que defina el OCP), acompañado de los documentos siguientes:
a) Información técnica que justifique los cambios solicitados y que demuestre el cumplimiento con las especificaciones establecidas en el presente PROY-NOM, con los requisitos de agrupación de familia y con la modalidad de certificación correspondiente.
b) En caso de que el producto sufra alguna modificación, el titular del certificado deberá notificarlo al OCP correspondiente, para que se compruebe que se siga cumpliendo con el PROY-NOM.
12.10 Responsabilidades de los Organismos de Evaluación de la Conformidad.
12.10.1 Revisión del etiquetado
Para determinar el cumplimiento de la información de etiquetado, que se indica en el numeral 10, se debe considerar lo siguiente:
12.10.1.1 Corresponde a los Laboratorios de Prueba
Reportar el resultado de la inspección visual realizada a la etiqueta de eficiencia energética conforme a lo previsto en el capítulo 10 de la NOM-ENER (permanencia, información, dimensiones y distribución de la información y de los colores), a través del informe de resultados.
En aquellos casos en los cuales se presente al laboratorio un etiquetado que no sea el definitivo, se permite evaluar el etiquetado prototipo. En su caso, el LP debe señalar esta condición en la sección de opinión, comentarios u observaciones del informe de resultados o en caso de no haber realizado la evaluación de dimensiones, indicar que no se llevó a cabo.
En las pruebas realizadas que deriven de un seguimiento, es obligatorio evaluar el etiquetado definitivo, sobre la información con la que se comercializa el producto.
Además, el LP debe incluir en el informe de resultados, la evidencia gráfica de la etiqueta de eficiencia energética evaluada (fotografía).
12.10.1.2 Corresponde a los Organismos de Certificación de Producto
Durante el análisis de la documentación requerida para otorgar la certificación y durante los seguimientos, los OCP deben comprobar que la información contenida en las etiquetas de eficiencia energética cumple con los requisitos previstos en el numeral 10.2 y 10.5 del Proyecto de NOM y asegurarse que se trata del etiquetado definitivo. Asimismo, deben tomar evidencia fotográfica de la etiqueta y el producto muestreado, durante el seguimiento, la cual se debe integrar en el expediente de certificación.
En caso de que el LP reporte que evaluó el etiquetado prototipo, el OCP únicamente deberá aceptar dicho resultado para certificaciones iniciales.
Etiquetado Prototipo: Propuesta de etiquetado, que normalmente se presenta como archivo electrónico, con la finalidad de verificar que el contenido y distribución de la información es acorde con lo que se solicita por el presente Proyecto.
Etiquetado Definitivo: Es el etiquetado físico que de acuerdo con lo indicado en el presente Proyecto, da cumplimiento a los requisitos del apartado 10.
12.10.2 Informe de prueba
Los resultados de la prueba deben plasmarse en un informe de resultados, el cual debe ser firmado por el personal autorizado por la Autoridad Normalizadora y las entidades de acreditación para tales efectos:
El informe de pruebas debe contener como mínimo la siguiente información:
- Información que identifique al laboratorio de pruebas;
- Fecha de recepción del producto, fecha de realización del método de prueba y fecha de emisión del informe de prueba;
- Identificación del acondicionador de aire bajo prueba (incluido marca, modelo o tipo de acondicionador de aire de acuerdo con la clasificación);
- Nombre e información de contacto del solicitante;
- Referencia del método de prueba;
- Los equipos de medición usados en la prueba incluyendo la identificación del equipo, fecha de calibración y la vigencia de la calibración;
- Se deben indicar especificaciones a cumplir de acuerdo con las características del producto sometido a pruebas;
- Reportar las condiciones de prueba de acuerdo con los métodos que se estén evaluando;
- Especificaciones eléctricas;
- Resultados de la prueba incluyendo los datos obtenidos de las mediciones realizadas;
- La evaluación y análisis de los resultados de la prueba;
- Apartado de opinión, comentarios u observaciones, en caso de ser requerido;
- En caso de equipos tipo inverter, se debe indicar en el apartado de opinión, comentarios u observaciones con qué tipo de dispositivo (interface o un control remoto) se manipularon las velocidades del compresor.
- Las siguientes fotografías del producto deben aparecer en el informe de resultados:
- Del producto con la identificación asignada por el laboratorio;
- Del producto cuando se encuentre en acondicionamiento;
- Del producto durante el desarrollo del método de prueba.
13. Sanciones
El incumplimiento de este Proyecto de Norma Oficial Mexicana, una vez publicado en el Diario Oficial de la Federación, como Norma Oficial Mexicana definitiva y a su entrada en vigor, debe ser sancionado conforme a lo dispuesto por la Ley de Infraestructura de la Calidad y su respectivo Reglamento, y demás disposiciones legales aplicables.
14. Concordancia con normas internacionales
Este Proyecto de Norma Oficial Mexicana no concuerda con ninguna norma internacional, por no existir referencia alguna en el momento de su elaboración.
Apéndice A Normativo
Figuras de referencia para pruebas
Figura A.1 - Método de túnel aire entalpía
Figura A.2 - Método de enlace de aire-entalpía
Figura A.3 - Calorímetro aire-entalpía
Figura A.4 - Cuarto de aire - entalpía
Figura A.5 - Aparato de medición de flujo de aire
Figura A.6 - Tobera para la medición del flujo de aire
Figura A.7 - Medición de la presión estática externa
Figura A.8 - Medición de caída de presión estática del aire para una sección de serpentín sin
ventiladores
Notas:
a) Las pérdidas de calor del compartimiento deben ser menores del 1 % de la energía aportada por el
suministro de calor
b) La elevación mínima de temperatura (t2 - t1) a través del suministro de calor debe ser de 18°F [10°C]
Figura A.9 - Aparato alternativo para medición del flujo de aire
Figura A.10 - Ejemplo de etiqueta para acondicionadores de aire tipo central
Figura A.11 - Opciones de conexión para medir la presión estática
Apéndice B Normativo Tablas de referencia para pruebas
Tabla B.1 - Métodos aplicables para el cálculo de la capacidad de enfriamiento
| | | Grupo B seleccionar una (a) | |
| | Grupo A (a) | (b) (c) | | (e) | (f) | |
| Arreglo de componentes | Método de enfriamiento del serpentín condensador | Método de aire entalpía del lado interior | Método de aire entalpía del lado exterior | Método de calibración de compresor | Método de entalpía de refrigerante | Método de flujo de agua del serpentín condensador | Medición indirecta de flujo de aire |
| Equipo tipo paquete | Enfriamiento por aire | x | x | x | | | x |
| Enfriamiento por agua | x | | x (d) | | | |
| Condensador remoto; y compresor dentro de un espacio acondicionado | Enfriamiento por aire | x | x | x | x | | x |
| Enfriamiento por agua | x | | x | x | x | x |
| Compresor y condensador remoto | Enfriamiento por aire | x | x | x | x | | x |
| Enfriamiento por agua | x | | x | x | | x |
| Condensador remoto | Enfriamiento por aire | x | x | | | | x |
| Compresor remoto dentro de un espacio | Enfriamiento por agua | x | | | | x | x |
| Notas: (a) Se aplicarán simultáneamente la prueba A y una prueba B seleccionada. (b) Aplicable para equipo contenidos dentro del alcance de este Proyecto de Norma Oficial Mexicana. (c) Prueba sujeta a lo establecido en los incisos: 9.5.3 y 9.5.1 cuando el compresor es ventilado independientemente del flujo de aire exterior. (d) No se aplica si el serpentín de agua exterior no está aislado y se encuentra en el flujo de aire interior. (e) Prueba sujeta a lo establecido en el inciso 9.5.6.2. (f) Prueba sujeta a lo establecido en el inciso 9.5.7.1.1, y no es aplicable si el compresor es ventilado fuera del flujo de aire interior. |
Tabla B.2 - Tolerancias de las mediciones de prueba
| Lecturas | Tolerancias de operación de pruebas (intervalo total observado) | Tolerancias de condición de prueba (variación del promedio especificado para condiciones de prueba) |
| | Enfriamiento y | Calentamiento con escarcha | Enfriamiento y | Calentamiento con escarcha |
| | calentamiento sin escarcha | Porción de calor | Porción de deshielo | calentamiento sin escarcha | Porción de calor | Porción de deshielo |
| Temperaturas del aire | °C | °C | °C | °C | °C | |
| Bulbo seco exterior: |
| entrada salida | 1.0 1.0 | 1.7 --- | 5.6 --- | 0.3 --- | 0.5 --- | (a) --- |
| Bulbo húmedo exterior: |
| entrada salida | 0.5 0.5 | 0.9 --- | --- --- | 0.2 --- | 0.3 --- | --- --- |
| Bulbo seco interior: |
| entrada salida | 1.0 1.0 | 1.7 --- | (b) 2.2 | 0.3 --- | 0.5 --- | (a) --- |
| Bulbo húmedo interior: |
| entrada salida | 0.5 0.5 | -- -- | --- --- | 0.2 ---- | --- --- | --- --- |
| Temperaturas agua de enfriamiento condensado | 0.3 | --- | --- | 0.1 | --- | --- |
| Temperaturas de succión de refrigerante saturado | 1.7 | --- | --- | 0.3 | --- | --- |
| Temperatura de otro líquido no especificado | 0.3 | --- | -- | 0.1 | --- | --- |
| Resistencia externa al flujo de aire | Pa 12.5 | | | (Pa) 5 | | --- |
| Tensión eléctrica % | 2.0 | 2.0 | --- | --- | --- | --- |
| Razón de flujo de fluido % | 2.0 | --- | --- | --- | --- | --- |
| Caída de presión de toberas % de lecturas | 2.0 | --- | --- | --- | --- | --- |
| Notas: (a) Cuando estos datos podrían ser normalmente tomados son dentro del ciclo de deshielo (b) No es aplicable si el ventilador interior está parado. |
Tabla B.3 - Datos a ser registrados
| Unidades | S I | Método de aire entalpía del lado interior | Método de aire entalpía del lado exterior | Método de calibración de compresor | Método de entalpía de refrigerante | Método de flujo de agua del serpentín condensador | Condensado de enfriamiento y medición indirecta de flujo de aire |
| Presión barométrica | kPa | X | X | X | X | X | X |
| Datos de placa del equipo | | X | X | X | X | X | X |
| Tiempos | | X | X | X | X | X | X |
| Potencia de entrada al equipo | W o Wh | X | X | X | X | X | X |
| Tensión aplicada | V | X | X | X | X | X | X |
| Frecuencia | Hz | X | X | X | X | X | X |
| Resistencia externa al flujo de aire | Pa | X | X | | | | X |
| Velocidad ventilador si es ajustable | rpm | X | X | | | | X |
| Temperatura de bulbo seco del aire entrando al equipo | °C | X | X | | | | X |
| Temperatura de bulbo húmedo del aire entrando al equipo | °C | X | X | | | | X |
| Temperatura de bulbo seco del aire saliendo del equipo | °C | X | X | | | | X |
| Temperatura de bulbo húmedo del aire saliendo del equipo | °C | (C) | (b) | | | | X |
| Diámetro de garganta de tobera(s) | mm | X | X | | | | |
| Presión de velocidad en garganta de la tobera o diferencia de presión estática a través de la tobera | Pa | X | X | | | | |
| Temperatura en la garganta de la tobera | °C | X | X | | | | |
| Presión en la garganta de la tobera | kPa | X | X | | | | |
| Presión o temperatura de condensación | kPa/°C | | | X | X | | |
| Presión o temperatura de evaporador | kPa/°C | | | X | X | | |
| Temperatura del vapor refrigerante del lado de baja entrando a la válvula de "control" | °C | | | X | | | |
| Temperatura del vapor refrigerante entrando al compresor | °C | | | X | | | |
| Temperatura del vapor refrigerante saliendo del compresor | °C | | | X | | | |
| Temperatura del vapor refrigerante del lado de alta saliendo de la válvula de "control" | °C | | | X | | | |
| Refrigerante o temperatura de superficie usada para la determinación de coeficiente de fuga | °C | | | X | | | |
| Razón de flujo de refrigerante-aceite | m3 | | | | X | | |
| Volumen de refrigerante en la mezcla refrigerante-aceite | m3/m3 | | | | X | | |
| Razón de flujo de agua del serpentín condensador | kg/s | | | | | X | |
| Temperatura de agua exterior entrando al equipo | °C | | | | | X | |
| Temperatura de agua exterior saliendo del equipo | °C | | | | | X | |
| Razón de recolección de condensado | kg/s | | | | | | X |
| Temperatura del refrigerante líquido del lado interior | °C | | (d) | X | X | | |
| Temperatura del refrigerante líquido del lado exterior | °C | | (d) | (d) | (d) | | |
| Temperatura del vapor refrigerante del lado interior | °C | | (d) | X | X | | |
| Temperatura del vapor refrigerante del lado exterior | °C | | (d) | (d) | (d) | | |
| Presión del vapor refrigerante del lado interior | | | | X | X | | |
| Datos adicionales | | | | (e) | (f) | | |
| Notas: (a) Potencia total de entrada y cuando se requiera, entrada de los componentes del equipo. (b) No requerido para la operación con serpentín seco. (c) Requerido sólo durante la prueba de capacidad de enfriamiento. (d) Requerido sólo para el ajuste de pérdidas en línea. (e) Datos adicionales requeridos, referirse a los incisos: 9.5.4 y 9.5.5. (f) Datos adicionales requeridos, referirse al inciso 9.5.6. |
Apéndice C
Informativo
Factores de Conversión
C.1 Las unidades en el sistema inglés que se pueden utilizar para la aplicación de los métodos de prueba del Proyecto de Norma Oficial Mexicana son:
- La unidad de flujo térmico (capacidad del acondicionador) BTU/hW:
1 BTU/hW = 0.293071 W
1 W = 3.4121 BTU/hW
- La Relación de Eficiencia Energética Estacional REEE en el sistema inglés tiene como unidades BTU/hW y tiene la siguiente relación:
1 BTU/hW = 0.293071 Wt/We
1 Wt/We = 3.4121 BTU/hW
- Presión: 1 in columna H2O = 249.1 Pa
1 Pa = 4,0 x 10- 3 in columna H2O
- Temperatura:
°C = (°F-32)/(1.8)
°F = (°C x 1.8) + 32
____________________________
15. Bibliografía
- Ley de Infraestructura de la Calidad, publicada en el Diario Oficial de la Federación el 1 de julio de 2020.
- NOM-011-ENER-2006, Eficiencia energética en acondicionadores de aire tipo central, paquete o dividido. Límites, métodos de prueba y etiquetado.
- NOM-026-ENER-2015, Eficiencia energética en acondicionadores de aire tipo dividido (Inverter) con flujo de refrigerante variable, descarga libre y sin ductos de aire. Límites, métodos de prueba y etiquetado.
- NOM-024-SCFI-2013, Información Comercial para Empaques, Instructivos y Garantías de los Productos. Electrónicos, Eléctricos y Electrodoméstico.
- MX-Z-013-SCFI-2015, Guía para la estructuración y redacción de Normas (cancela a la NMX-Z-013/1-1977), cuya Declaratoria de Vigencia fue publicada en el Diario Oficial de la Federación el 18 de noviembre de 2015.
- ANSI/ASHRAE 37 Methods of testing for rating Unitary air conditioning and heat pump equipment. The American Society of Heating, Refrigerating, and Air-Conditioning Engineers, Inc.
- AHRI Standard 210/240, 2023, Performance Rating of Unitary Air-conditioning & Air-source Heat Pump Equipment.
Ciudad de México, a 19 de agosto de 2024.- El Director General de la Comisión Nacional para el Uso Eficiente de la Energía y Presidente del Comité Consultivo Nacional de Normalización para la Preservación y Uso Racional de los Recursos Energéticos, M. en I. Israel Jáuregui Nares.- Rúbrica.